Operation CHARM: Car repair manuals for everyone.
Manuals through 2025 now available!

Our trusted friends have launched a new website named LEMON, which has newer manuals. It also contains all the CHARM manuals.

LEMON is the spiritual successor to CHARM, I recommend you try it!

Link: lemon-manuals.la or lemon-manuals.org.ua

(Some people have issue connecting. LEMON is investigating. For now, use Firefox or change your DNS server)

Or, hide this message: temporarily or permanently

Heater Core Case: Service and Repair




Heater Unit/Core Replacement

SRS components are located in this area. Review the SRS component locations Locations and the precautions and procedures Service and Repair before doing repairs or service.

1. Do the battery terminal disconnection procedure Procedures.

2. Models with air conditioning: Recover the A/C refrigerant with a recovery/recycling/charging station A/C Refrigerant Recovery, then disconnect the A/C lines from the evaporator core Service and Repair.

3. When the engine is cool, drain the engine coolant from the radiator Service and Repair.

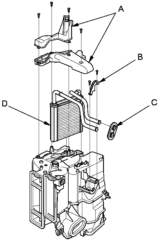
4. Remove the clip (A) from the inlet heater hose (B), and discard it. The clip is for factory assembly use only. Slide the hose clamps (C) back, then disconnect the inlet heater hose and the outlet heater hose (D) from the heater unit. Note the layout of the hoses.Engine coolant will run out when the hoses are disconnected; drain it into a clean drip pan. Be sure not to let coolant spill on electrical parts or painted surfaces. If any coolant spills, rinse it off immediately.






5. Remove the mounting nut from the heater unit. Take care not to damage or bend the fuel lines or the brake lines.





6. Remove the dashboard Dashboard/Steering Hanger Beam Removal/Installation.

7. Disconnect the connector (A) from the evaporator sensor, and remove the blower resistor wire harness (B).






8. Remove the drain hose (A), then remove the mounting nuts and blower-heater unit (B).






9. Remove the self-tapping screws and the heater core cover (A).





10. Remove the holder (B) and the grommet (C), then carefully pull out the heater core (D).

11. Install the heater core in the reverse order of removal.

12. Install the heater unit in the reverse order of removal, and note these items:

- Do not interchange the inlet and outlet heater hoses, and install the hose clamps securely.
- Refill the cooling system with engine coolant Service and Repair.
- If necessary, recharge the A/C system A/C System Charging.
- Make sure that there is no coolant leakage.
- Make sure that there is no air leakage.

13. Do the battery terminal reconnection procedure Procedures.