Operation CHARM: Car repair manuals for everyone.
Manuals through 2025 now available!

Our trusted friends have launched a new website named LEMON, which has newer manuals. It also contains all the CHARM manuals.

LEMON is the spiritual successor to CHARM, I recommend you try it!

Link: lemon-manuals.la or lemon-manuals.org.ua

(Some people have issue connecting. LEMON is investigating. For now, use Firefox or change your DNS server)

Or, hide this message: temporarily or permanently

Climate Control System Description




Climate Control System Description

The air conditioning (A/C) system removes heat from the passenger compartment by transferring heat from the ambient air to the evaporator. The A/C system refrigerant expands in the evaporator, and the evaporator becomes very cold and absorbs the heat from the ambient air. The blower fan pushes air across the evaporator where the heat is absorbed, and then it blows the cool air into the passenger compartment.





This vehicle uses HFC-134a (R-134a) refrigerant, which does not contain chlorofluorocarbons. Pay attention to the following service items:

- Use only the recommended polyalkyleneglycol (PAG) refrigerant oil (SP-10) designed for the R-134a A/C compressor. Intermixing the recommended (PAG) refrigerant oil with any other refrigerant oil will result in A/C compressor failure.
- All A/C system parts (A/C compressor, discharge line, suction line, evaporator, A/C condenser, receiver/dryer, expansion valve, O-rings for joints) are designed for refrigerant R-134a.
- Use a halogen gas leak detector designed for refrigerant R-134a.
- Use only a recovery/recycling/charging station for refrigerant R-134a.
- Always recover refrigerant R-134a with an approved recovery/recycling/charging station before disconnecting any A/C fitting.

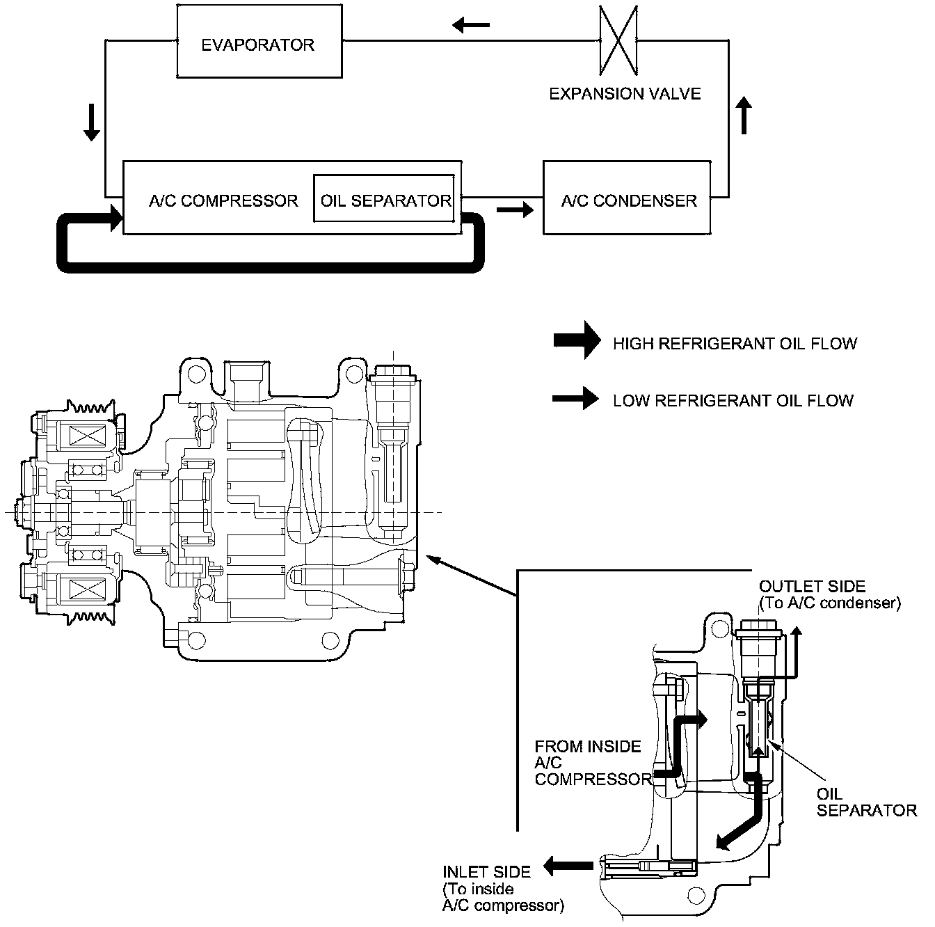
Oil Separator

Oil emission from the A/C compressor to the A/C line is reduced by placing the oil separator in the A/C compressor. This results in a thinner oil film inside of the heat exchangers (A/C condenser and evaporator). Air conditioning efficiency is increased without sacrificing engine performance.






Climate Control Door Positions










Air Conditioning System Control in the ECON ON Mode

At outside temperatures of 73 °F (23 °C) or higher in the ECON ON Mode, the air conditioning system controls the following functions to reduce power consumption.

Switching to recirculation mode

Compared to outside air intake, the recirculation of air inside the vehicle reduces A/C compressor operation frequency and air volume.

Reduced compressor operation frequency

Compared to the ECON OFF Mode, the climate control unit shortens the A/C compressor operation time, which reduces power consumption.

Reduced air volume

Compared to the ECON OFF Mode, fan electric operation is suppressed and power consumption is reduced.






Conditions that prevent the ECON ON Mode

The air conditioning system does not control ECON ON Mode under the following conditions.

- When the driver selects MAX HOT or MAX COOL.
- Outside air temperature is less than 73 °F (23 °C).
- When the driver selects A/C OFF mode.
- When the mode position is not in VENT or HEAT/VENT.
- Outside air temperature sensor malfunction.
- Evaporator temperature sensor malfunction.
- Climate control unit lost communication with gauge control module (VSP/NE message).

Conditions that cancel the ECON ON Mode

The air conditioning system cancels ECON ON Mode under the following condition.

- When the driver selects MAX HOT or MAX COOL.
- Outside air temperature is less than 73 °F (23 °C).
- When the driver selects A/C OFF mode.
- When the mode position get in the positions other than VENT and HEAT/VENT.
- When the driver selects FRESH mode manually.
- Outside air temperature sensor malfunction.
- Evaporator temperature sensor malfunction.
- Climate control unit lost communication with gauge control module (VSP/NE message).

Auto Idle Stop System Control During A/C Use

The climate control unit calculates the duration of the auto idle stop while the vehicle is stopped, based on sensor inputs, considering the passenger's comfort and visibility.

Passenger comfort
The duration of the auto idle stop is the time when the passengers do not feel a sudden change of the in-car temperature and humidity.

Visibility
To avoid windows fogging, the climate control unit disables the auto idle stop when it determines that the windows are likely to be fogged, based on the humidity sensor value and the drive signal input from the wiper. The calculation of the duration of the auto idle stop varies between ECON OFF Mode and ECON ON Mode. In ECON ON Mode, the climate control unit considers only visibility (prevention of window fogging). In ECON OFF Mode, the unit also considers the comfortable environment inside the vehicle. ECON ON Mode can extend the duration of the auto idle stop, which can improve fuel economy.

When the windows get fogged during auto idle stop, the engine restarts when DEF mode is turned on ('11 model).

If the climate control unit detects a sensor malfunction, or if the PCM detect a problem with the communication line to the climate control unit during A/C use, auto idle stop is disabled, and the IMA indicator comes on to alert the driver of the problem. The climate control unit may disable auto idle stop under other conditions as well. For more information, refer to the IMA section.

How a comfortable in-car environment is determined

In ECON OFF Mode, the climate control unit calculates the upper and lower limits for a comfortable in-car temperature, keeping the A/C stable to avoid abrupt changes. Auto idle stop is disabled when the upper or lower limits are exceeded. In ECON ON Mode, the priority is not the in-car environment; it is in keeping auto idle stop enable as long as possible.

How window fogging is determined

The climate control unit estimates the temperature on the window, based on the outside air temperature, the vehicle speed, and the in-car temperature and humidity, then calculates a threshold for window fogging. According to this threshold, the climate control unit determines that the window is likely to be fogged, or will not fog, then calculates the duration of auto idle stop.

Shortening of the auto idle stop duration

The climate control unit determines that the humidity will rise, based on the humidity sensor value and the drive signal input from the wipers, and shortens the duration of the auto idle stop.

Auto Idle Stop Disable Conditions ('10 model)

The air conditioning system disables auto idle stop under any one of the following conditions. But the climate control unit enables auto idle stop when the blower motor is off.






When the blower fan is in operation, the system applies the following conditions also.





*1: A/C ON and ECON OFF Mode
*2: Wiper OFF
*3: ECON OFF Mode and Wiper OFF

Auto Idle Stop Disable Conditions ('11 model)

The air conditioning system disables auto idle stop under any one of the following conditions. But the climate control unit enables auto idle stop when the blower motor is off.






When the blower fan is in operation, the system applies the following conditions also.





*1: A/C ON
*2: A/C ON and ECON OFF Mode
*3: Wiper OFF
*4: ECON OFF Mode

Dual Construction A/C Pipe

The A/C line unit installed between the engine compartment and the evaporator is the dual construction type.
The discharge line (high pressure) is built inside the suction line (low pressure).
This design is effective for lowering refrigerant temperatures in the discharge line, which helps to improve cooling performance.










A/C Pressure Sensor

The A/C pressure sensor converts A/C pressure into electrical signals to the PCM.





The response of the A/C pressure sensor is shown in the graph.






HDS PGM FI Data List Information (as it relates to A/C)

The A/C system data that can be monitored to HDS PGM-FI Data List.






Humidity/In-Car Temperature Sensor

The humidity sensor consists of two sensors. One is for humidity detection, and the other is for in-car temperature detection. When the climate control unit receives the signals about the in-car condition from the humidity sensor, and judges that the humidity in the vehicle is very low, the climate control unit reduces the A/C compressor runtime.
Engine power loss is kept to a minimum, and fuel economy is increased.






Humidity/In-Car Temperature Sensor Quality

The capacitance of the humidity sensor changes by the adsorption and the evaporation of moisture. The resistance change of the humidity sensor changes the output voltage.






Climate Control Unit Inputs and Outputs





36P CONNECTOR









*: With navigation

Climate Control Unit Inputs and Outputs





5P CONNECTOR