Operation CHARM: Car repair manuals for everyone.
Manuals through 2025 now available!

Our trusted friends have launched a new website named LEMON, which has newer manuals. It also contains all the CHARM manuals.

LEMON is the spiritual successor to CHARM, I recommend you try it!

Link: lemon-manuals.la or lemon-manuals.org.ua

(Some people have issue connecting. LEMON is investigating. For now, use Firefox or change your DNS server)

Or, hide this message: temporarily or permanently

Heater Core Case: Service and Repair




Heater Unit/Core Replacement

SRS components are located in this area. Review the SRS component locations Locations, and the precautions and procedures Service and Repair before doing repairs or service.

1. Do the 12 volt battery terminal disconnection procedure.

2. Disconnect the A/C line from the evaporator core Service and Repair.

3. Drain the engine coolant from the radiator Service and Repair.

4. From the inlet heater hose, remove the clip (A). Slide the hose clamps (B) back, then disconnect the inlet heater hose (C) and the outlet heater hose (D) from the heater unit. Note the layout of the hoses.
Engine coolant will run out when the hoses are disconnected; drain it into a clean drip pan. Be sure not to let coolant spill on the electrical parts or the painted surfaces. If any coolant spills, rinse it off immediately.






5. Remove the mounting nut from the heater unit. Take care not to damage or bend the fuel lines or the brake lines, etc.





6. Remove the dashboard Dashboard/Steering Hanger Beam Removal/Installation.

7. Disconnect these connectors (A): The mode control motor, the power transistor, the evaporator temperature sensor, and the air mix control motor.






8. Remove the duct (A) and the drain hose (B). Remove the mounting nuts and the blower-heater unit (C).






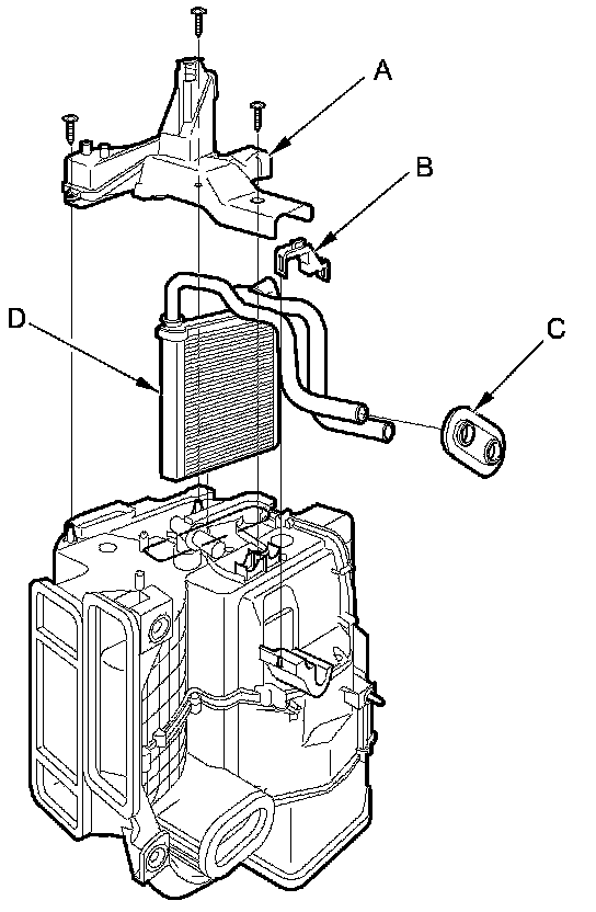
9. Remove the self-tapping screws and the heater core cover (A), the cap (B), and the grommet (C), and carefully pull out the heater core (D).





10. Install the heater core and the evaporator core in the reverse order of removal.

11. Install the heater unit in the reverse order of removal, and note these items:

- Do not interchange the inlet and outlet heater hoses, and install the hose clamps securely.
- Refill the cooling system with engine coolant Service and Repair.
- Make sure that there is no coolant leakage.
- Make sure that there is no air leakage.
- Refer to the evaporator core replacement Service and Repair.

12. Do the 12 volt battery terminal reconnection procedure.