Operation CHARM: Car repair manuals for everyone.
Manuals through 2025 now available!

Our trusted friends have launched a new website named LEMON, which has newer manuals. It also contains all the CHARM manuals.

LEMON is the spiritual successor to CHARM, I recommend you try it!

Link: lemon-manuals.la or lemon-manuals.org.ua

(Some people have issue connecting. LEMON is investigating. For now, use Firefox or change your DNS server)

Or, hide this message: temporarily or permanently

Lighting and Horns: Service and Repair




Exterior Lights Bulb Replacement

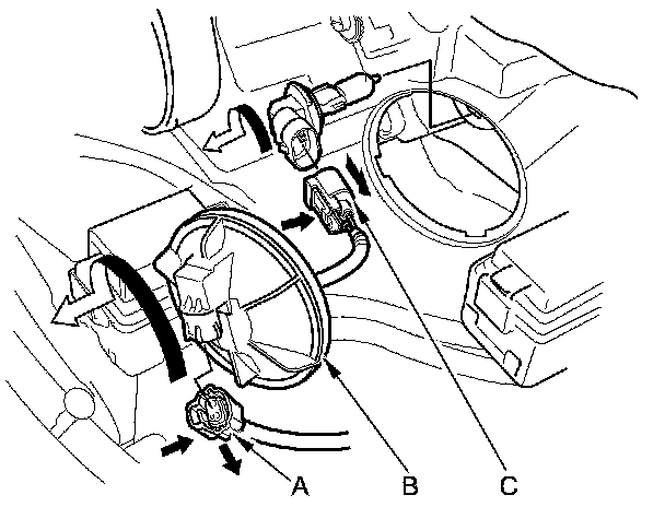
Headlight (High Beam)

1. Disconnect the 2P connector (A) from the cover (B).










2. Turn the cover 30° counterclockwise to remove it from the headlight assembly.

3. Disconnect the 2P connector (C) from the bulb socket.

4. Turn the bulb socket 45° counterclockwise to remove the bulb.

5. Install a new bulb in the reverse order of removal. Make sure the notches in the bulb align with the tabs in the headlight.

NOTE: Do not touch the glass of the bulb with your hands. If necessary, clean the glass area with alcohol.

Headlight (Low Beam)

1. Disconnect the 2P connector (A) from the headlight bulb socket.










2. Turn the bulb socket 45° counterclockwise to remove the bulb (B).

3. Install a new bulb in the reverse order of removal. Make sure the notches in the bulb align with the tabs in the headlight.

NOTE: Do not touch the glass of the bulb with your hands. If necessary, clean the glass area with alcohol.

Front Parking Light

1. Disconnect the 2P connector (A) from the front parking light bulb socket (B).









2. Turn the bulb socket 45° counterclockwise to remove the bulb (C).

3. Install a new bulb in the reverse order of removal.

Front Side Marker Light

1. Disconnect the 2P connector (A) from the front side marker light bulb socket (B).










2. Turn the bulb socket 45° counterclockwise to remove the bulb (C).

3. Install a new bulb in the reverse order of removal.

Taillight

1. Remove the taillight Service and Repair.

2. Turn the bulb sockets (A) 45° counterclockwise to remove the bulbs (B).





NOTE: The brake light/taillight (LED) is a part of the taillight assembly, and it cannot be replaced by itself.





3. Install new bulb(s) in the reverse order of removal.