Operation CHARM: Car repair manuals for everyone.
Manuals through 2025 now available!

Our trusted friends have launched a new website named LEMON, which has newer manuals. It also contains all the CHARM manuals.

LEMON is the spiritual successor to CHARM, I recommend you try it!

Link: lemon-manuals.la or lemon-manuals.org.ua

(Some people have issue connecting. LEMON is investigating. For now, use Firefox or change your DNS server)

Or, hide this message: temporarily or permanently

Under-Dash Fuse/Relay Box Removal And Installation (Canada Models)




Under-Dash Fuse/Relay Box Removal and Installation

Canada models

NOTE:

- SRS components are located in this area. Review the SRS component locations, precautions and procedures before doing repairs or servicing.

- The imoes unit is built into the MICU which is part of the under-dash fuse/relay box. You must register the imoes unit when replacing the under-dash fuse/relay box, or the engine will not start.

Removal

1. Do the 12 volt battery terminal disconnection procedure.

2. Remove the fuse access panel, and remove the driver's dashboard lower cover.

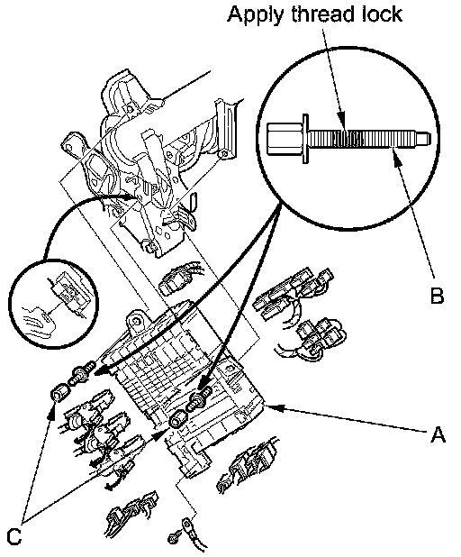
3. Disconnect the connectors from the front side of the under-dash fuse/relay box (A).






4. Release the lock on the hatch release actuator relay holder (B), then slide it forward to release it from the under-dash fuse/relay box.

5. Remove the nuts (C), remove the stud bolts (D) using double nuts (E), then remove the terminal (F).

6. Release the lock (G), and pull the under-dash fuse/relay box away from the body.

7. Disconnect the connectors from the back side of the under-dash fuse/relay box, then remove the under-dash fuse/relay box.

8. Carefully remove the relays.

NOTE: Do not use pliers. Pliers will damage the relays, which could cause the engine to stall or not start.

Installation

9. Install the relays and connect the connectors to the under-dash fuse/relay box (A), then install the under-dash fuse/relay box in the reverse order of removal.






10. Remove the double nuts from stud bolts (B), then install the nuts (C) to the stud bolts.

NOTE: Apply high strength type liquid thread lock (Loctite 277 or equivalent) to the stud bolts before reinstallation.

11. Install the removed parts in the reverse order of removal.

12. Do the 12 volt battery terminal reconnection procedure.

13. If the under-dash fuse/relay box is being replaced, do the following with the HDS.

1. Have all registered keys and the PCM code.

2. Connect the HDS to the data link connector (DLC).

3. Turn the ignition switch to ON (all).

4. Select IMMOBI from the System Selection Menu, then select IMMOBILIZER SETUP.

5. Select REPLACE MPCS/MICU/IMOES.

6. Do the registration according to the instructions on the HDS screen.

14. Confirm that all systems work properly.