Operation CHARM: Car repair manuals for everyone.
Manuals through 2025 now available!

Our trusted friends have launched a new website named LEMON, which has newer manuals. It also contains all the CHARM manuals.

LEMON is the spiritual successor to CHARM, I recommend you try it!

Link: lemon-manuals.la or lemon-manuals.org.ua

(Some people have issue connecting. LEMON is investigating. For now, use Firefox or change your DNS server)

Or, hide this message: temporarily or permanently

Removal and Replacement




12 Volt Battery Removal and Installation

NOTE: The 12 volt battery terminal disconnection/reconnection Procedures procedure must be done before and after doing this procedure. Some systems store data in memory that is lost when the battery disconnected.

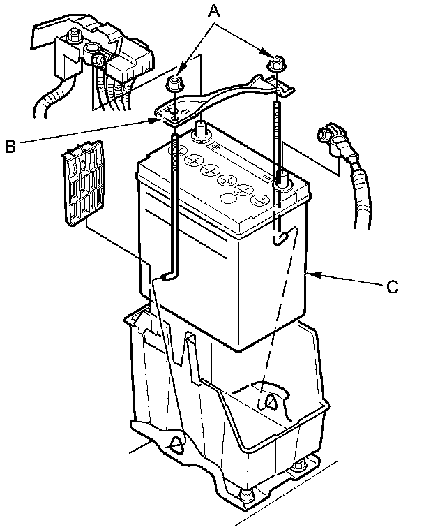
Removal

1. Do the 12 volt battery terminal disconnection procedure.

2. Remove the two nuts (A) securing the battery hold down plate (B), then remove the battery setting plate and the battery (C).






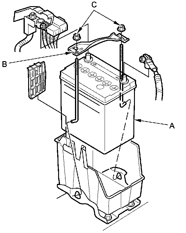
Installation

1. Install the battery (A), then install the battery setting plate (B).





2. Tighten the two nuts (C) equally until the battery is stable.

NOTE: Do not deform the battery hold down plate by over-tightening the nuts.

3. Do the 12 volt battery terminal reconnection procedure.

NOTE: Make sure the battery is installed correctly, and the positive terminal and the negative terminal are not connected in reverse.