Operation CHARM: Car repair manuals for everyone.
Manuals through 2025 now available!

Our trusted friends have launched a new website named LEMON, which has newer manuals. It also contains all the CHARM manuals.

LEMON is the spiritual successor to CHARM, I recommend you try it!

Link: lemon-manuals.la or lemon-manuals.org.ua

(Some people have issue connecting. LEMON is investigating. For now, use Firefox or change your DNS server)

Or, hide this message: temporarily or permanently

Wiper Motor: Service and Repair




Wiper Motor Replacement

Windshield

NOTE: Be careful not to scratch or damage the hood and the body.

1. Remove the windshield wiper arms.

2. Remove the under-cowl panel and the hood hinge cover Service and Repair.

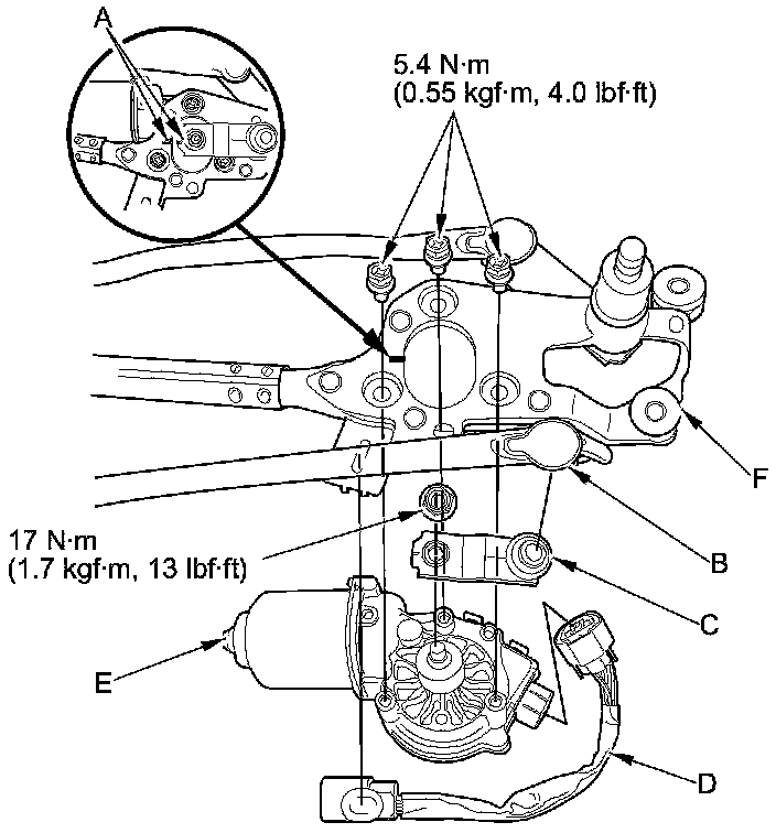
3. Disconnect the 4P connector (A) from the windshield wiper motor subharness (B).





4. Remove the bolts and the wiper linkage assembly (C).

5. Mark lines (A) to show the original adjustment, then remove the connection rod (B) from the linkage (C).





6. Disconnect the windshield wiper motor subharness (D) from windshield wiper motor (E).

7. Remove the three bolts, and separate the windshield wiper motor from the linkage assembly (F).

Installation

1. Before installing the motor, connect the 5P connector to the wiper motor, and turn the windshield wiper/washer switch ON to LO or HI position, then OFF to return the motor shaft to the park position.

NOTE:

- Do not use the windshield wiper/washer switch INT position in this step.
- Apply multipurpose grease to the moving parts.

2. Install the wiper motor to the wiper linkage assembly in the reverse order of removal.

3. Install the linkage to the wiper motor shaft, then align the mark (A) of the linkage and the mark (B) of the wiper linkage assembly.

NOTE : The linkage (C) should be installed at the angle specified below.






4. After installation, adjust the wiper arms Adjustments.

Rear Window

NOTE: Be careful not to scratch or damage the hatch.

1. Remove the cap (A), the mounting nut (B), the wiper arm (C), and the special nut (D).






2. Open the hatch, and remove the hatch lower trim panel Interior Trim Removal/Installation - Hatch Areas.

3. Disconnect the 4P connector (A) from the rear window wiper motor (B).





4. Remove the three bolts and the rear window wiper motor.

5. Install in the reverse order of removal, and note these items:

- Grease the moving parts.
- Before reinstalling the wiper arm, connect the 4P connector to the wiper motor and turn the rear window wiper switch ON then OFF to return the wiper shaft to the park position.
- Check the wiper motor operation.