Operation CHARM
: Car repair manuals for everyone.
Home
>>
Honda
>>
2010
>>
Odyssey V6-3.5L
>>
Repair and Diagnosis
>>
Engine, Cooling and Exhaust
>>
Engine
>>
Cylinder Block Assembly
>>
Locations
Manuals through 2025 now available!
Our trusted friends have launched a new website named LEMON, which has newer manuals. It also contains all the CHARM manuals.
LEMON is the spiritual successor to CHARM, I recommend you try it!
Link:
lemon-manuals.la
or
lemon-manuals.org.ua
(Some people have issue connecting. LEMON is investigating. For now, use Firefox or change your DNS server)
Or, hide this message:
temporarily
or
permanently
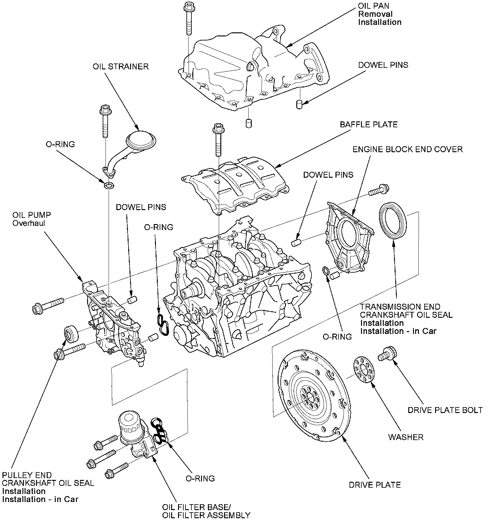
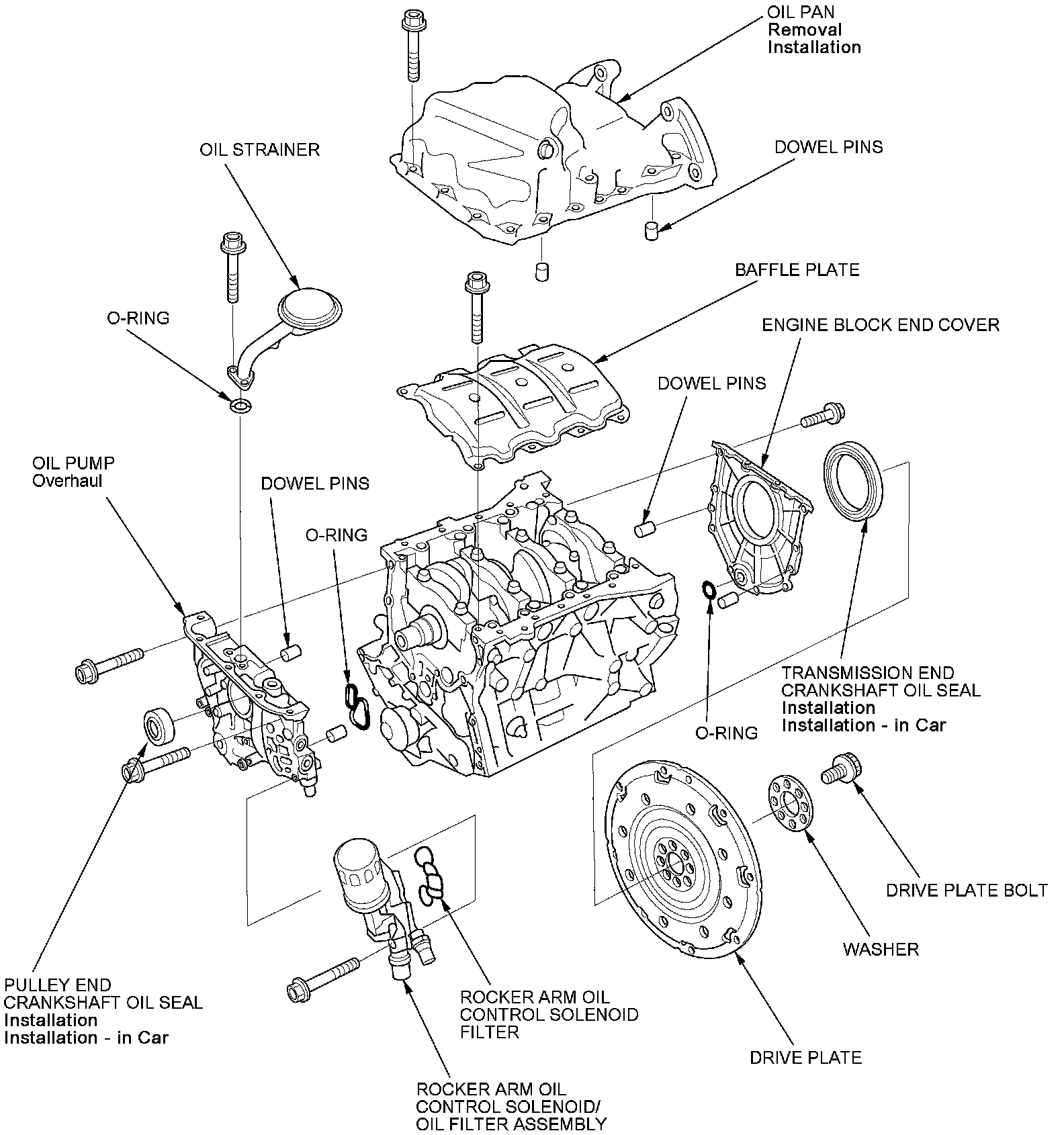
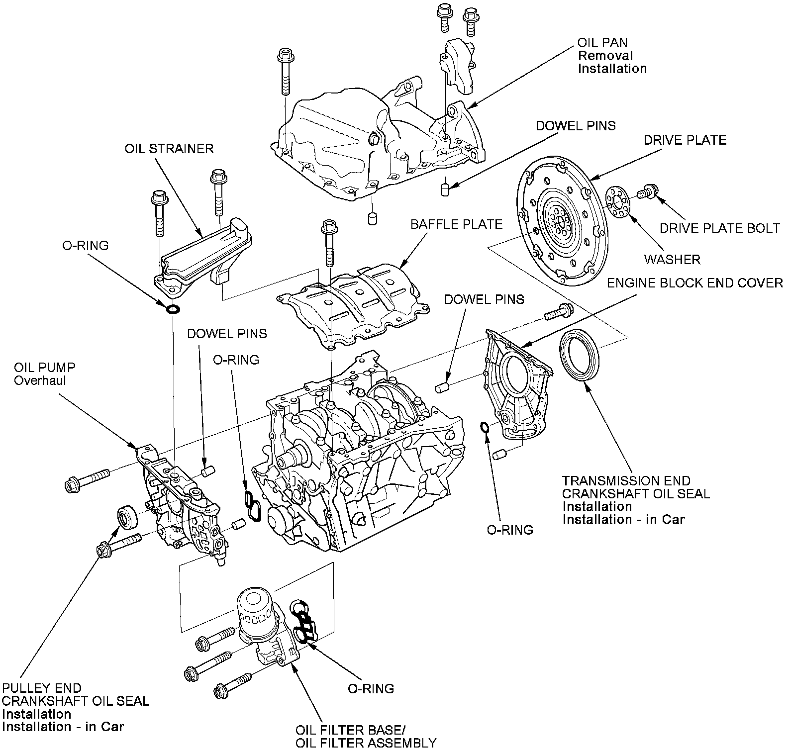
Cylinder Block Assembly: Locations
Engine Block Assembly Component Location Index
J35A6 engine
'07 model J35A7 engine
'08-10 models J35A7 engine
J35A6 engine
'07 model J35A7 engine
'08-10 models J35A7 engine
J35A6, J35A7 engines