Operation CHARM: Car repair manuals for everyone.
Manuals through 2025 now available!

Our trusted friends have launched a new website named LEMON, which has newer manuals. It also contains all the CHARM manuals.

LEMON is the spiritual successor to CHARM, I recommend you try it!

Link: lemon-manuals.la or lemon-manuals.org.ua

(Some people have issue connecting. LEMON is investigating. For now, use Firefox or change your DNS server)

Or, hide this message: temporarily or permanently

Engine Removal




Engine Removal

Special Tools Required

- Engine Hanger Adapter VSB02C000022
- Engine Support Hanger, A and Reds AAR-T1256
- Engine Hanger Balance Bar VSB02C000019
- 2008 V6 Attachment Arm SIL02C000033
- Subframe Adapter VSB02C000016
*: Available through the Honda Tool and Equipment program, 888-424-6857.

NOTE:

- Use fender covers to avoid damaging painted surfaces.
- To avoid damaging the wires and terminals, unplug the wiring connectors carefully while holding the connector portion.
- Mark all wiring and hoses to avoid misconnection. Also, be sure that they do not contact other wiring or hoses, or interfere with other parts.

1. Secure the hood in the wide open position by using a support rod as shown.





2. Drain the power steering system fluid Service and Repair.

3. Relieve the fuel pressure Service and Repair.

4. Do the battery removal procedure Removal and Replacement.

5. '07 model: Remove the front grille cover.

6. '08-10 models: Remove the front bumper Front Bumper.

7. Remove the engine cover.






8. Disconnect the breather pipe (A), then remove the intake air duct (B).





9. Remove the air cleaner assembly Service and Repair.

10. Remove the intake air duct cover (A), the intake air duct (B), and the harness clamps (C).

'07 model





'08-10 models





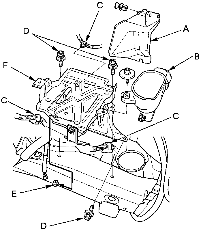
11. Remove the three mounting bolts (D) and loosen the mounting bolt (E), then remove the battery base (F).

12. '08-10 models: Remove the ground cable (G).

13. Remove the harness clamp (A), then disconnect the positive starter cable (B) from the B terminal.

J35A6, '07 model J35A7 engines





'08-10 models J35A7 engine





14. Remove the quick-connect fitting cover (A), then disconnect the fuel feed hose (B) Fuel Line/Quick-Connect Fitting Removal.






15. Disconnect the brake booster vacuum hose (A) and the evaporative emission (EVAP) canister hose (B).





16. J35A6 engine: Disconnect the vacuum hose (C).

17. Remove the steering wheel Steering Wheel Removal.

18. Remove the driver's heater lower cover, and pull the carpet to expose the steering joint cover Carpet Replacement.

NOTE: Hold the lower slider shaft on the column with a piece of wire between the joint yoke of the lower slider shaft and the joint yoke of the upper shaft to prevent the slider shaft from pulling out.

19. Remove the steering joint cover (A).





20. Make a reference mark (B) across the steering joint and the steering gearbox pinion shaft. Remove the steering joint bolt (C), and disconnect the steering joint from the steering gearbox pinion shaft (D).

NOTE: Remove the center guide (if equipped) from the top of the pinion shaft, and discard it. The center guide is for factory assembly use only.

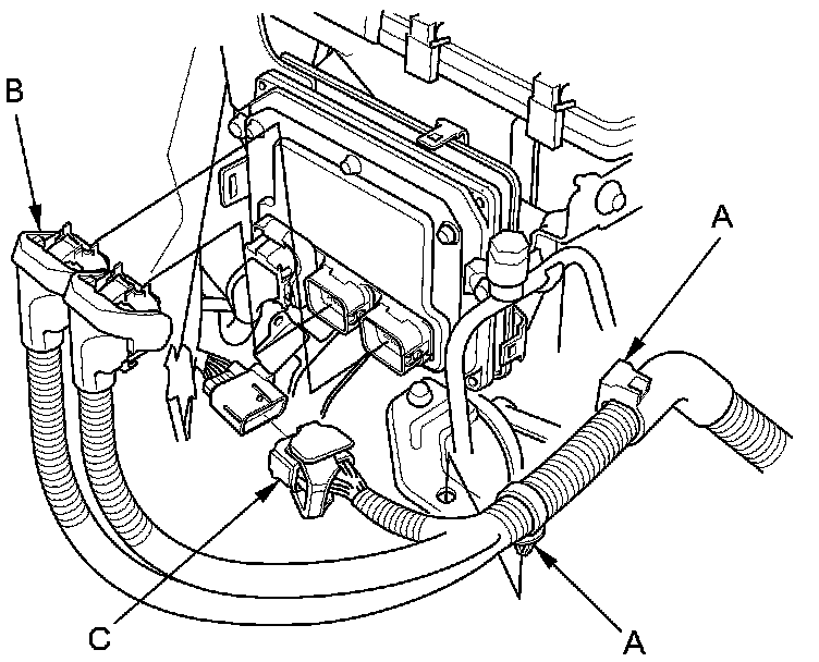
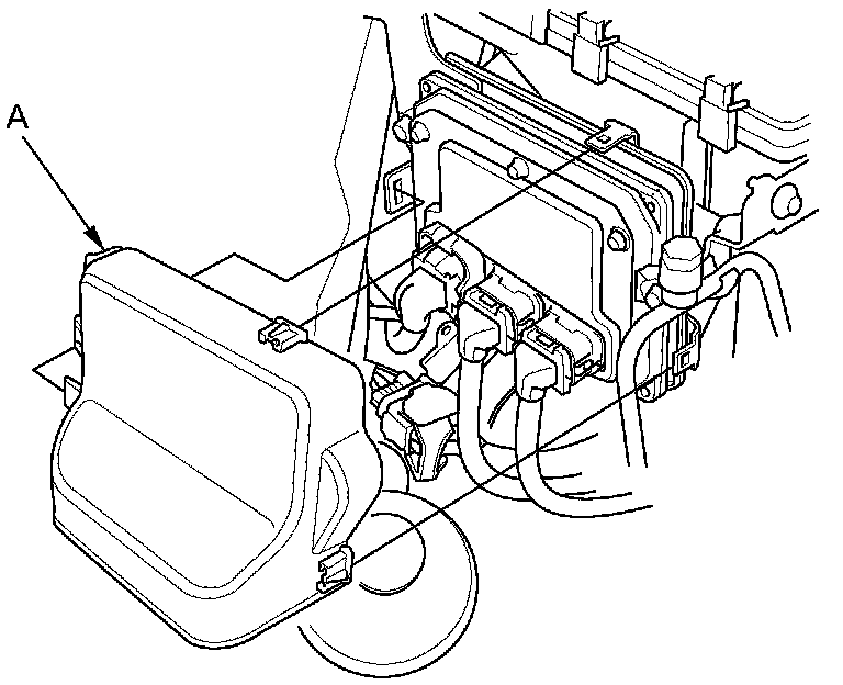
21. Remove the powertrain control module (PCM) cover (A).






22. Remove the harness clamps (A), then disconnect the engine wire harness connectors (B) and the cabin wire harness connector (C) on the right side of the engine compartment.






23. J35A6, '07 model J35A7 engines: Remove the harness clamps (A), then disconnect the positive alternator cable (B).






24. '08-10 models J35A7 engine: Remove the harness clamp (A), then disconnect the battery cable (B) from the under-hood fuse/relay box.





25. Remove the drive belt:

- J35A6 engine Drive Belt Replacement (J35A6)
- J35A7 engine Drive Belt Replacement (J35A7 Engine)

26. Remove the power steering (P/S) pump inlet hose (A) and the P/S pump outlet hose (B) from the P/S pump, then plug the hoses and the P/S pump.





27. Remove the P/S hose bracket (C) from the cylinder head cover.

28. Remove the shift cable Service and Repair. Do not bend the shift cable excessively.

29. Wait until the engine is cool, then carefully remove the radiator cap.

30. Raise the vehicle on the lift.

31. Remove the front wheels.

32. Remove the splash shield.





33. Loosen the drain plug in the radiator, and drain the engine coolant Service and Repair.

34. Drain the automatic transmission fluid (ATF) ATF Replacement.

35. Drain the engine oil Service and Repair.

36. Remove exhaust pipe A.





37. Disconnect the stabilizer links Service and Repair.

38. Separate the tie-rod end ball joints from the knuckles Service and Repair.

39. Separate the knuckles from the suspension lower arms Service and Repair.

40. Remove the driveshafts Driveshaft Removal. Coat all precision-finished surfaces with new engine oil. Tie plastic bags over the driveshaft ends.

41. Disconnect the P/S hose (A), then plug the line and the hose.






42. Disconnect the power steering pressure switch connector (A).






43. Remove the nuts securing the lower transmission front mount and the lower transmission rear mount.





44. Lower the vehicle on the lift.

45. Disconnect the upper radiator hose (A) and the lower radiator hose (B).






46. Disconnect the heater hoses.






47. J35A6, '07 model J35A7 engines: Remove the ground cables (A).






48. '08-10 models J35A7 engine: Remove the ground cable (A), then remove the harness clamp (B).






49. Disconnect the ATF cooler hoses (A), then plug the ATF cooler hoses and the lines.





50. Remove the radiator Radiator Replacement.

51. Disconnect the A/C compressor clutch connector (A), then remove the A/C compressor (B) without disconnecting the hoses. Do not bend the A/C hoses excessively.






52. Hang the A/C compressor with a rope as shown.





53. '08-10 models J35A7 engine: Remove the harness holder and the connectors from the front cylinder head Cylinder Head Cover Removal (J35A7).

54. Remove the connector bracket from the front cylinder head:

- J35A6 engine Cylinder Head Removal (J35A6)
- '07 model J35A7 engine
- '08-10 models J35A7 engine Cylinder Head Removal (J35A7)

55. Remove the harness bracket from the rear cylinder head:

- J35A6 engine Cylinder Head Removal (J35A6)
- '07 model J35A7 engine
- '08-10 models J35A7 engine Cylinder Head Removal (J35A7)

56. Install the engine hanger adapters (VSB02C000022) on the end of the engine support beams, then install the A and Reds engine support hanger (AAR-T1256) with the adapters to the vehicle.





57. J35A6, '07 model J35A7 engines: Lift and support the engine with the engine support hanger and the engine hanger balancer bar (VSB02C000019). Attach the front arm (A) to the front cylinder head with several spacers (B) and a 10 x 1.25 mm bolt (C). Attach the rear arm (D) to the rear cylinder head with a 8 x 1.25 mm bolt (E).

58. '08-10 models J35A7 engine: Lift and support the engine with the engine support hanger and the engine hanger balance bar. Attach the front arm to the front cylinder head with several spacers and a 10 x 1.25 mm bolt. Attach the 2008 V6 attachment arm (SIL02C000033) (F) to the rear cylinder head with a 8 x 1.25 mm bolt, then attach the rear arm to the 2008 V6 attachment arm.

59. J35A6 engine: Disconnect the front engine mount control solenoid valve tube (A) and remove the front engine mount stop (B), then remove the front engine mount bolt (C).






60. J35A7 engine: Disconnect the front engine mount actuator connector (A) and the harness clamp (B). Remove the front engine mount stop (C), then remove the front engine mount bolt (D).





61. Raise the vehicle on the lift.

62. J35A6 engine: Remove the heat shield (A) and the rear engine mount bolts (B).






63. J35A7 engine: Disconnect the rear engine mount actuator connector (A), and remove the rear engine mount stop (B), then remove the rear engine mount bolt (C).






64. Make the appropriate reference lines (A) at the both side of the front subframe (B) that line up with the edge (C) on the body.






65. Attach the front subframe adapter (VSB02C000016) to the subframe (A) by hanging the belt (B) over the front of the subframe, then secure the belt with its stop (C).





66. Raise the jack, and line up the slots in the front subframe adapter arms with the bolt holes on the corner of the jack base, then securely attach them with four bolts.

67. Remove the six 12 x 1.25 mm bolts (A) (B) securing the stiffeners (C), the four subframe mounting bolts (D), and the stiffeners, then lower the front subframe (E).





68. Lower the vehicle on the lift.

69. Attach a chain hoist (A) to the engine hook (B) and the transmission hook (C), then lift up the engine/transmission until it is securely supported by the chain hoist, and remove the engine support hanger and the engine hanger adapters.






70. Remove the mounting bolts from the upper half of the side engine mount bracket.





71. Check that the engine/transmission is completely free of the vacuum hoses,the fuel hoses,the coolant hoses, and the electrical wiring.

72. Slowly lower the engine/transmission about 150 mm (6 in). Check once again that all the hoses and the electrical wiring are disconnected and free from the engine/transmission, then lower it all the way and support it.

73. Disconnect the chain hoist from the engine/transmission.

74. Raise the vehicle, and remove the engine/transmission from under the vehicle.