Operation CHARM: Car repair manuals for everyone.
Manuals through 2025 now available!

Our trusted friends have launched a new website named LEMON, which has newer manuals. It also contains all the CHARM manuals.

LEMON is the spiritual successor to CHARM, I recommend you try it!

Link: lemon-manuals.la or lemon-manuals.org.ua

(Some people have issue connecting. LEMON is investigating. For now, use Firefox or change your DNS server)

Or, hide this message: temporarily or permanently

Engine Installation




Engine Installation

Special Tools Required

- Engine Support Hanger, A and Reds AAR-T1256
- Engine Hanger Balance Bar VSB02C000019
- 2008 V6 Attachment Arm SIL02C000033
- Subframe Adapter VSB02C000016
- Subframe Alignment Pin 070AG-SJAA10S
*Available through Honda Tool and Equipment Program 888-424-6857

There are SRS components located in this area. Review the SRS component locations Locations, and precautions and procedures Service and Repair, in the SRS before doing repair or service.

1. Install the engine mount brackets and the accessory brackets, then tighten their bolts to the specified torque.






2. Position the engine/transmission under the vehicle. Be sure that they are properly aligned. Carefully lower the vehicle until the engine/transmission are properly positioned in the engine compartment. Make sure the vehicle is not resting on any part of the engine/transmission. Support the engine/transmission with a chain hoist (A) and carefully raise the engine/transmission into place.

NOTE: Reinstall the mounting bolts/support nuts in the sequence given in the following steps. Failure to follow this sequence may cause excessive noise and vibration, and reduce engine mount life.






3. Remove the cowl top side lid (A) from both sides.





4. With the engine support hanger (AAR-T1256) on its side, insert the hanger beam (B) through the opening, then rotate it over the damper (C).

5. Install the engine hanger balance bar (VSB02C000019). Attach the front arm (A) to the front cylinder head with several spacers (B) and a 10 x 1.25 mm bolt (C). Remove the rear arm from the engine hanger balance bar, then install the 2008 V6 attachment arm (SIL02C000033). Attach the 2008 V6 attachment arm to the rear cylinder head with an 8 x 1.25 mm bolt (D).





6. Install the engine support hanger (AAR-T1256) onto the vehicle as shown, and attach the hook to the slotted hole in the engine hanger balance bar. Tighten the wing nut (E) by hand, and lift and support the engine/transmission.

NOTE:

- Be careful when working around the windshield.
- Be careful not to damage the hood opener cable when installing the engine support hanger at the front bulkhead.
- AAR-T1256 two sets required for stacking additional cross section bar.

7. Install the new mounting bolts into the upper half of the side engine mount bracket. Tighten the bolts to the specified torque.





8. Remove the chain hoist, then raise the vehicle on the lift.

9. Using the subframe adapter (VSB02C000016) and a jack, raise the front subframe up to the body.

10. Loosely install the left rear subframe mounting bolt (A); insert the 15.7 mm side of the subframe alignment pin (070AG-SJAA10S) through the positioning hole (B) on the rear stiffener, through the positioning hole (C) on the subframe, and into the positioning hole (D) on the body, then tighten the left rear subframe mounting bolt.






11. Loosely install the right rear subframe mounting bolt with the same procedure as the left rear using the subframe alignment pin.

12. Loosely install the right and left front subframe mounting bolts (A) and stiffener mounting bolts (B).






13. Tighten the rear-driver's side subframe mounting bolt (A) to the specified torque.






14. Tighten the rear-passenger's side subframe mounting bolt (B) to the specified torque.

15. Tighten the front subframe mounting bolts (C) to the specified torque.

NOTE: Check all of the front subframe mounting bolts, and retighten if necessary.

16. Tighten the front and rear stiffener mounting bolts (D) to the specified torque.

NOTE: Before tightening the stiffener mounting bolts, check that the positioning holes and slot are aligned using the subframe alignment pin.

17. Remove the jack and the subframe adapter.

18. Lower the vehicle on the lift.

19. Remove the engine support hanger, the engine hanger balance bar, and the 2008 V6 attachment arm, then install the cowl top side lids on both sides.

20. Raise the vehicle on the lift.

21. Tighten the rear engine mount bolts (A), and connect the rear engine mount actuator connector (B).






22. Tighten the lower transmission mount bolts (A) and the ground cable (B).






23. Install the A/C compressor (A), then connect the A/C compressor clutch connector (B).





24. Lower the vehicle on the lift.

25. Tighten the front engine mount bolt (A), then install the front engine mount stop (B). Connect the front engine mount actuator connector (C) and the harness clamps (D).






26. Loosen the mounting bolts for the upper half of the side engine mount bracket, then retighten them to the specified torque.






27. Install the radiator Service and Repair.

28. Raise the vehicle on the lift.

29. Connect the power steering pressure switch connector.






30. Install the power steering (P/S) hose (A) and the ATF cooler hoses (B).

NOTE: Check the installation location of the ATF cooler hose clamps Service and Repair.






31. 4WD model: Install the transfer assembly .

32. Wipe the driveshaft clean. Install a new set ring on the end of each driveshaft, then install the driveshafts Front Driveshaft Installation. Make sure each ring clicks into place in the differential and the intermediate shaft.

33. Connect the tie-rod end ball joints to the knuckles.

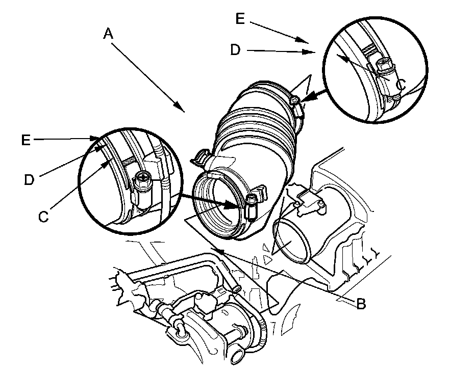
34. Install exhaust pipe A using new gaskets (B) and new self-locking nuts (C). Tighten the nuts to the specified torque.






35. Install the front subframe stiffener using new bolts.






36. Install the splash shield Splash Shield Replacement.

37. Install the front wheels.

38. Lower the vehicle on the lift.

39. Install the connector bracket (A) to the front cylinder head.






40. Install the harness clamp bracket (A) to the rear cylinder head.






41. Connect the heater hoses (A).






42. Install the P/S pump outlet hose (A) using a new O-ring (B), and install the P/S pump inlet hose (C).





43. Install the P/S hose bracket (D) to the rear cylinder head cover.

44. Install the drive belt Service and Repair.

45. Connect the powertrain control module (PCM) connectors (A) and the engine wire harness connector (B), then install the harness clamps (C).






46. Install the PCM cover (A).






47. Connect the positive alternator cable (A) to the under-hood fuse/relay box, then install the harness clamps (B).






48. Install the steering joint to the steering gearbox pinion shaft.

49. Install the steering joint cover.

50. Install the steering wheel Steering Wheel Installation.

51. Connect the brake booster vacuum hose (A) and the evaporative emission (EVAP) canister hose (B).






52. Connect the fuel feed hose (A) Fuel Line/Quick-Connect Fitting Installation, then install the quick-connect fitting cover (B).





53. Install the shift cable Service and Repair.

54. Connect the starter subharness connector.






55. Connect the positive starter cable (A), then install the harness clamps (B).






56. Install the battery base (A), then install the harness clamps (B) and the auxiliary under-hood fuse/relay box (C).






57. Install the air cleaner Service and Repair.

58. Install the intake air duct (A), then connect the breather pipe (B).

NOTE: When tightening the screw of the hose band (C), align the edge of the hose band (D) with the mark (E) painted on the hose band. If you tighten the screw over the mark, replace the hose band.






59. Install the engine cover.

60. Do the battery installation procedure Removal and Replacement.

61. Install the bulkhead cover Front Bulkhead Cover Replacement.

62. Inspect for fuel leaks. Turn the ignition switch to ON (II) (do not operate the starter) so the fuel pump runs for about 2 seconds and pressurizes the fuel line. Repeat this operation three times, then check for fuel leaks at any point in the fuel line.

63. Refill the engine with the recommended engine oil Service and Repair.

64. Refill the transmission with ATF ATF Replacement.

65. Move the shift lever to each gear, and verify that the A/T gear position indicator follows the transmission range switch.

66. Refill the reservoir with power steering fluid Testing and Inspection.

67. Refill the radiator with engine coolant.

68. Do the power steering system bleeding procedure.

69. Do the cooling system bleeding procedure.

70. Check for fluid leaks.

71. Do the PCM reset procedure.

72. Do the PCM idle learn procedure PCM Idle Learn Procedure.

73. Do the crankshaft position (CKP) pattern clear/CKP pattern learn procedure.

74. Inspect the idle speed Testing and Inspection.

75. Inspect the ignition timing Testing and Inspection.

76. Check the wheel alignment Service and Repair.