Operation CHARM: Car repair manuals for everyone.
Manuals through 2025 now available!

Our trusted friends have launched a new website named LEMON, which has newer manuals. It also contains all the CHARM manuals.

LEMON is the spiritual successor to CHARM, I recommend you try it!

Link: lemon-manuals.la or lemon-manuals.org.ua

(Some people have issue connecting. LEMON is investigating. For now, use Firefox or change your DNS server)

Or, hide this message: temporarily or permanently

Engine Removal




Engine Removal

Special Tools Required

- 2008 V6 Attachment Arm SIL02C000033
- Engine Support Hanger, A and Reds AAR-T1256
- Engine Hanger Balance Bar VSB02C000019
- Subframe Adapter VSB02C000016
*Available through the Honda Tool and Equipment Program 888-424-6857

There are SRS components located in this area. Review the SRS component locations Locations, and precautions and procedures Service and Repair, in the SRS before doing repair or service.

NOTE:

- Use fender covers to avoid damaging painted surfaces.
- To avoid damaging the wiring and terminals, unplug the wiring connectors carefully while holding the connector portion.
- Mark all wiring and hoses to avoid misconnection. Also, be sure that they do not contact other wiring or hoses, or interfere with other parts.

1. Remove the hood support rod, then use it as shown to prop the hood in the wide-open position.





2. Relieve the fuel pressure Service and Repair.

3. Drain the power steering fluid Testing and Inspection.

4. Remove the bulkhead cover Front Bulkhead Cover Replacement.

5. Do the battery removal procedure Removal and Replacement.

6. Remove the engine cover.

7. Disconnect the breather pipe (A), then remove the intake air duct (B).





8. Remove the air cleaner Service and Repair.

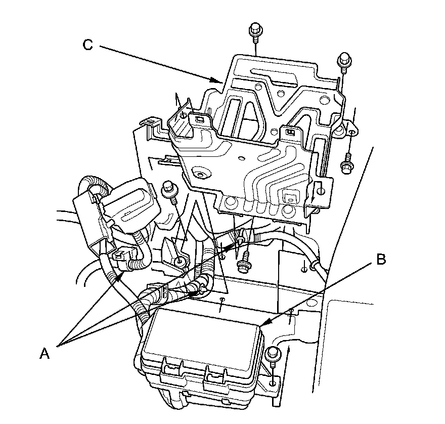
9. Remove the harness clamps (A), and the auxiliary under-hood fuse/relay box (B), then remove the battery base (C).






10. Remove the harness clamps (A), then disconnect the positive starter cable (B).






11. Disconnect the starter subharness connector.





12. Remove the shift cable Service and Repair. Do not bend the shift cable excessively.

13. Remove the quick-connect fitting cover (A), then disconnect the fuel feed hose (B) Fuel Line/Quick-Connect Fitting Removal.






14. Disconnect the brake booster vacuum hose (A), and the evaporative emission (EVAP) canister hose (B).






15. Remove the steering wheel Steering Wheel Removal.

16. Remove the steering joint cover.

17. Remove the steering joint from the steering gearbox pinion shaft.

18. Remove the harness clamps (A), then disconnect the positive alternator cable (B) from the under-hood fuse/relay box.






19. Remove the powertrain control module (PCM) cover (A).






20. Remove the harness clamps (A), then disconnect the two PCM connectors (B) and the engine wire harness connector (C).





21. Remove the drive belt Service and Repair.

22. Remove the power steering (P/S) pump inlet hose (A) and the P/S pump outlet hose (B) from the P/S pump, then plug the P/S lines and the P/S pump.





23. Remove the P/S hose bracket (C) from the rear cylinder head cover.

24. Wait until the engine is cool, then carefully remove the radiator cap.

25. Raise the vehicle on the lift.

26. Remove the front wheels.

27. Remove the splash shield Splash Shield Replacement.

28. Wait until the engine is cool, then carefully remove the radiator cap. Loosen the drain plug in the radiator, and drain the engine coolant Service and Repair.

29. Drain the automatic transmission fluid (ATF) ATF Replacement.

30. Drain the engine oil Service and Repair.

31. Remove the front subframe stiffener.






32. Remove exhaust pipe A.






33. Separate the tie-rod end ball joints from the knuckles.

34. Remove the driveshafts Front Driveshaft Removal. Coat all precision-finished surfaces with new engine oil. Tie plastic bags over the driveshaft ends.

35. 4WD model: Remove the transfer assembly .

36. Disconnect the P/S hose (A) and the ATF cooler hoses (B), then plug the lines and the hoses.






37. Disconnect the power steering pressure switch connector.






38. Lower the vehicle on the lift.

39. Remove the radiator Service and Repair.

40. Disconnect the heater hoses (A).






41. Remove the connector bracket (A) from the front cylinder head; use the bracket bolt hole to attach the engine hanger balance bar front arm.






42. Remove the harness clamp bracket (A) from the rear cylinder head; use the bracket bolt hole to attach the 2008 V6 attachment arm (SIL02C000033).






43. Remove the cowl top side cover (A) from both sides.





44. With the engine support hanger (AAR-T1256) on its side, insert the hanger beam (B) through the opening, then rotate it over the damper (C).

45. Install the engine hanger balance bar (VSB02C000019). Attach the front arm (A) to the front cylinder head with several spacers (B) and a 10 x 1.25 mm bolt (C). Remove the rear arm from the engine hanger balance bar, then install the 2008 V6 attachment arm (SIL02C000033). Attach the 2008 V6 attachment arm to the rear cylinder head with an 8 x 1.25 mm bolt (D).





46. Install the engine support hanger (AAR-T1256) onto the vehicle as shown, and attach the hook to the slotted hole in the engine hanger balance bar. Tighten the wing nut (E) by hand, and lift and support the engine/transmission.

NOTE:

- Be careful when working around the windshield.
- Be careful not to damage the hood opener cable when installing the engine support hanger at the front bulkhead.
- AAR-T1256 two sets required for stacking additional cross section bar.

47. Disconnect the front engine mount actuator connector (A) and the harness clamps (B). Remove the front engine mount stop (C), then remove the front engine mount bolt (D).






48. Raise the vehicle on the lift.

49. Disconnect the A/C compressor clutch connector (A), then remove the A/C compressor (B) without disconnecting the A/C hoses. Do not bend the A/C hoses excessively.






50. Remove the lower transmission mount bolts (A) and the ground cable (B).






51. Remove the rear engine mount bolts (A) and disconnect the rear engine mount actuator connector (B).






52. Attach the subframe adapter (VSB02C000016) to the subframe by looping the belt (A) over the front of the subframe (B), then secure the belt with its stop (C).





53. Raise the jack and line up the slots in the subframe adapter arms with the bolt holes on the jack base, then securely attach them with four bolts.

54. Remove the six 12 x 1.25 mm bolts (A) securing the subframe stiffeners (B), the four subframe mounting bolts (C), and the stiffeners, then lower the front subframe (D).






55. Lower the vehicle on the lift.

56. Attach a chain hoist (A) to the engine hanger (B) and the transmission hanger (C), then lift the
engine/ transmission until it is securely supported by the chain hoist, and remove the engine support hanger and the engine hanger balance bar.






57. Remove the mounting bolts for the upper half of the side engine mount bracket.






58. Check that the engine/transmission is completely free of the vacuum hoses, the fuel hoses, the coolant hoses, and the electrical wiring.

59. Slowly lower the engine/transmission about 150 mm (6 in). Check once again that all the hoses and the electrical wiring are disconnected and free from the engine/transmission, then lower it all the way and support it.

60. Disconnect the chain hoist from the engine/transmission.

61. Raise the vehicle, and remove the engine/transmission from under the vehicle.