Operation CHARM: Car repair manuals for everyone.
Manuals through 2025 now available!

Our trusted friends have launched a new website named LEMON, which has newer manuals. It also contains all the CHARM manuals.

LEMON is the spiritual successor to CHARM, I recommend you try it!

Link: lemon-manuals.la or lemon-manuals.org.ua

(Some people have issue connecting. LEMON is investigating. For now, use Firefox or change your DNS server)

Or, hide this message: temporarily or permanently

A/T Shift Lever/Shift Cable Bracket Assembly Replacement




A/T Shift Lever/Shift Cable Bracket Assembly Replacement

NOTE:

- Refer to the Shift Lever Disassembly and Reassembly A/T Shift Lever Disassembly/Reassembly as needed during the following procedures.
- Make sure not to get any silicone grease on the terminal part of the connectors and switches, especially if you have silicone grease on your hands or gloves.

1. Remove the shift lever assembly A/T Shift Lever Removal.

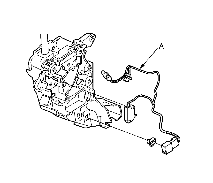
2. Disconnect the D3 switch connector (A), and remove the connector clip (B) from the mounting bracket.






3. Remove the screws (A), and remove the shift lever knob assembly (B).






4. Remove the A/T gear position indicator panel light socket (A) from the A/T gear position indicator panel (B), and remove the A/T gear position indicator panel from the shift lever bracket base.






5. Release the lock tabs (A) retaining the shift lock solenoid through the left shift lever mounting bracket using thin blade screwdrivers.






6. Remove the shift lock solenoid (A), the connector clamp (B), the shift lock stop (C), and the stop cushion (D).






7. Remove the park pin switch (A) by expanding its locks (B) from the shift lever bracket. Remove the A/T gear position indicator panel light harness/park pin switch/D3 switch connector harness (C) and connector clamp (D).






8. Replace the shift lever/shift cable bracket assembly, and install the A/T gear position indicator light harness/park pin switch/D3 switch connector harness (A), and install the connector clamp.





9. Route the A/T gear position indicator panel light harness/park pin switch/D3 switch connector harness in the harness guide.

10. Install the shift lock stop and the stop cushion.

11. Apply silicone grease to the joint of the shift lock solenoid plunger (A) and the shift lock stop over the pin.





12. Install the shift lock solenoid (B), and install the connector clamp (C).

13. Install the A/T gear position indicator panel (A), and install the A/T gear position indicator panel light socket (B) in the A/T gear position indicator panel.






14. Apply silicone grease to the top of the shift lever rod (A), and install the shift lever knob assembly (B).





15. Secure the shift lever knob assembly with new screws (C).

16. Install the D3 switch connector clip (A), and connect the D3 switch connector (B).





17. Install the shift lever assembly A/T Shift Lever Installation.