Operation CHARM: Car repair manuals for everyone.
Manuals through 2025 now available!

Our trusted friends have launched a new website named LEMON, which has newer manuals. It also contains all the CHARM manuals.

LEMON is the spiritual successor to CHARM, I recommend you try it!

Link: lemon-manuals.la or lemon-manuals.org.ua

(Some people have issue connecting. LEMON is investigating. For now, use Firefox or change your DNS server)

Or, hide this message: temporarily or permanently

Condenser HVAC: Service and Repair




A/C Condenser Replacement

1. Recover the refrigerant with a recovery/recycling charging station A/C Refrigerant Recovery.

2. Remove the front bulkhead cover Front Bulkhead Cover Replacement.

3. Remove the front grille Front Grille Replacement.

4. Remove the bolt, then disconnect the receiver line B (A) from the A/C condenser.






5. Remove the bolts, then disconnect the discharge hose (A) from the A/C condenser.






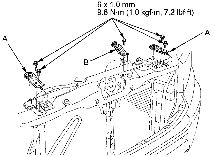
6. Remove the bolts, the radiator upper mount brackets (A), and the hood opener bracket (B).






7. Remove the clip (A), the bolts, and the A/C condenser upper mount brackets (B).






8. Remove the A/C condenser (A) by lifting it up. Be careful not to damage the radiator or the A/C condenser fins when removing the A/C condenser.





9. Install the A/C condenser in the reverse order of removal, and note these items:

- If you're installing a new A/C condenser, add refrigerant oil (DENSO ND-OIL 8) Service and Repair.
- Replace the O-rings with new ones at each fitting, and apply a thin coat of refrigerant oil before installing them. Be sure to use the correct O-rings for HFC-134a (R-134a) to avoid leakage.
- Immediately after using the oil, reinstall the cap on the container, and seal it to avoid moisture absorption.
- Do not spill the refrigerant oil on the vehicle; it may damage the paint; if the refrigerant oil contacts the paint, wash it off immediately.
- Be careful not to damage the radiator or the A/C condenser fins when installing the A/C condenser.
- Charge the system A/C System Charging.