Operation CHARM: Car repair manuals for everyone.
Manuals through 2025 now available!

Our trusted friends have launched a new website named LEMON, which has newer manuals. It also contains all the CHARM manuals.

LEMON is the spiritual successor to CHARM, I recommend you try it!

Link: lemon-manuals.la or lemon-manuals.org.ua

(Some people have issue connecting. LEMON is investigating. For now, use Firefox or change your DNS server)

Or, hide this message: temporarily or permanently

Climate Control System Description




Climate Control System Description

The air conditioning (A/C) system removes heat from the passenger compartment by transferring heat from the ambient air to the evaporator. The A/C system refrigerant expands in the evaporator, and the evaporator becomes very cold and absorbs the heat from the ambient air. The blower fan pushes air across the evaporator where the heat is absorbed, and then it blows the cool air into the passenger compartment.





This vehicle uses HFC-134a (R-134a) refrigerant, which does not contain chlorofluorocarbons. Pay attention to the following service items:

- Do not mix refrigerants CFC-12 (R-12) and HFC-134a (R-134a). They are not compatible.
- Use only the recommended polyalkyleneglycol (PAG) refrigerant oil (DENSO ND-OIL 8) designed for the R-134a A/C compressor. Intermixing the recommended (PAG) refrigerant oil with any other refrigerant oil will result in A/C compressor failure.
- All A/C system parts (A/C compressor, discharge line, suction line, evaporator, A/C condenser, receiver/dryer, expansion valve, O-rings for joints) are designed for refrigerant R-134a. Do not exchange with R-12 parts.
- Use a halogen gas leak detector designed for refrigerant R-134a.
- R-12 and R-134a refrigerant servicing equipment are not interchangeable. Use only a recovery/recycling/charging station that is U.L.-listed and is certified to meet the requirements of SAE J2210 to service the R-134a air conditioning systems.
- Always recover refrigerant R-134a with an approved recovery/recycling/charging station before disconnecting any A/C fitting.

A/C Pressure Switch

The A/C pressure switch consists of a high-low pressure switch (A/C pressure switch A) and a middle pressure switch (A/C pressure switch B).

- High-low pressure switch
If the refrigerant pressure becomes too high (due to blockage or lack of airflow at the condenser), or too low (due to leakage), the A/C pressure switch stops the A/C request signal to the PCM and the A/C compressor stops operating.
- Middle pressure switch
If the refrigerant pressure goes above 1,520 kPa (15.5 kgf/cm2, 221 psi), the A/C pressure switch closes to signal the PCM to change the speed of the A/C condenser fan and radiator fan to high. When the refrigerant pressure drops below 930 kPa (9.5 kgf/cm2, 135 psi), the A/C pressure switch opens to signal the PCM to change the speed of the A/C condenser fan and radiator fan to low.

A/C Pressure Switch Operation





NOTE: When the A/C system pressure is between the listed ranges, the pressure switches are in a transition state. The switch behavior depends upon whether the pressure is rising or falling.






Climate Control Door Positions










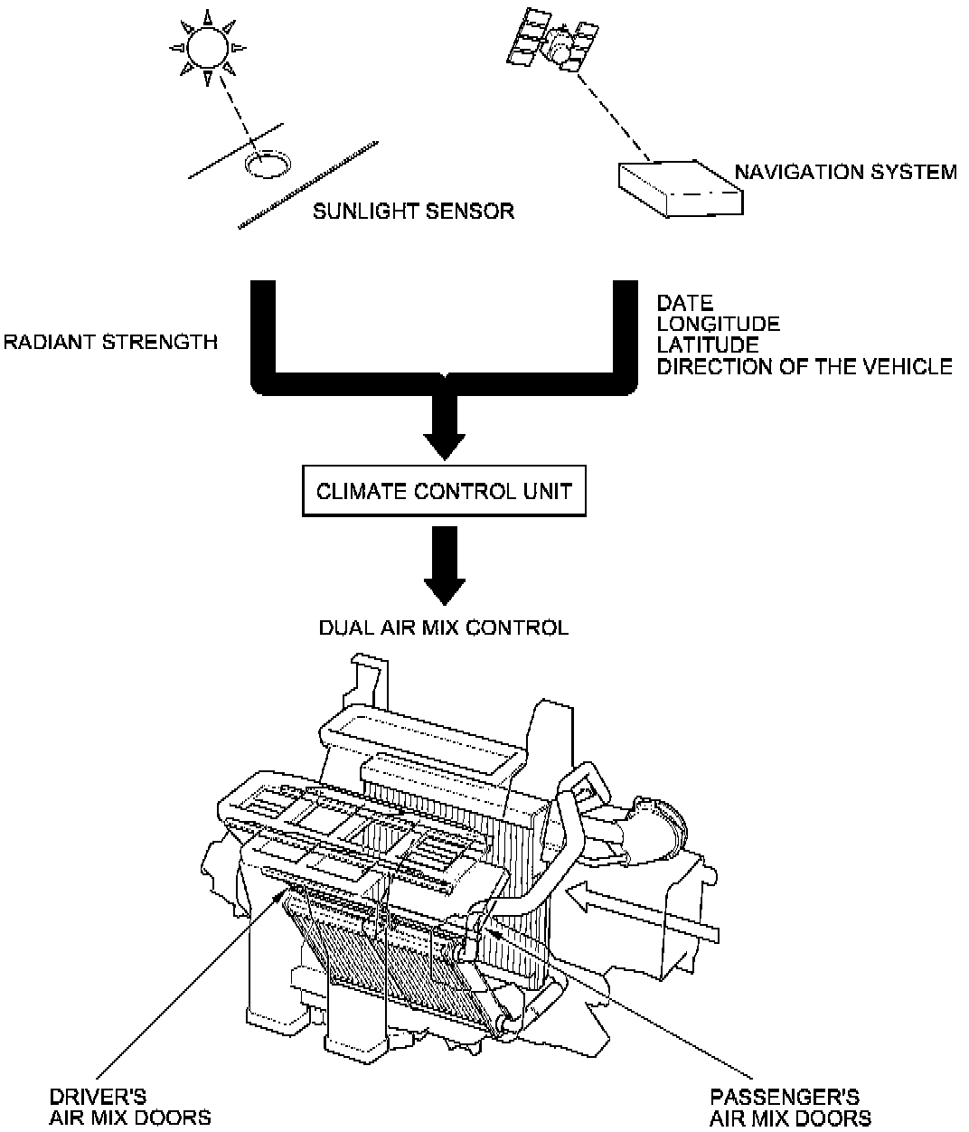
Dual Air Mix Control System





i-Dual Zone Climate Control System

This system automatically controls the temperature and the air direction to the driver and passenger's side depending on the angle of the sun and the direction of the vehicle. It calculates information such as date, time, longitude, and latitude from the navigation system, as well as the radiant strength of the sun from the sunlight sensor, to determine the appropriate mode position and temperature to be directed to each side.





In the event that the navigation system malfunctions, or when driving in areas where the navigation cannot determine the vehicle position (non-coverage areas, tunnels, etc.), the climate control system will operate the same as one in a vehicle without navigation.

Climate Control Unit Inputs and Outputs










Climate Control Unit Inputs and Outputs