Operation CHARM: Car repair manuals for everyone.
Manuals through 2025 now available!

Our trusted friends have launched a new website named LEMON, which has newer manuals. It also contains all the CHARM manuals.

LEMON is the spiritual successor to CHARM, I recommend you try it!

Link: lemon-manuals.la or lemon-manuals.org.ua

(Some people have issue connecting. LEMON is investigating. For now, use Firefox or change your DNS server)

Or, hide this message: temporarily or permanently

Timing Belt Installation




Timing Belt Installation

NOTE: The following procedure is for installing a used timing belt. If you are installing a new belt, refer to the timing belt replacement procedure Timing Belt Replacement.

1. Clean the timing belt pulleys, the timing belt guide plate, and the upper and lower covers.

2. Set the timing belt drive pulley to top dead center (TDC) by aligning the TDC mark (A) on the tooth of the timing belt drive pulley with the pointer (B) on the oil pump.






3. Set the camshaft pulleys to TDC by aligning the TDC marks (A) on the camshaft pulleys with the pointers (B) on the back covers.

FRONT





REAR





4. Loosely install the idler pulley with a new idler pulley bolt so the pulley can move but does not come off.

5. If the auto-tensioner has extended and the timing belt cannot be installed, do the timing belt replacement procedure Timing Belt Replacement.

6. Install the timing belt in a counterclockwise sequence starting with the drive pulley. Take care not to damage the timing belt during installation.

1. Drive pulley (A)

2. Idler pulley (B)

3. Front camshaft pulley (C)

4. Water pump pulley (D)

5. Rear camshaft pulley (E)

6. Adjusting pulley (F)





7. Tighten the idler pulley bolt.






8. Remove the battery clamp bolt from the back cover.






9. Install the lower half of the side engine mount bracket.






10. Install the timing belt guide plate as shown.






11. Install the lower cover.






12. Install the front upper cover (A) and the rear upper cover (B).





13. Install the crankshaft pulley.

14. Rotate the crankshaft pulley about six turns clockwise so the timing belt positions itself on the pulleys.

15. Turn the crankshaft pulley so its white mark (A) lines up with the pointer (B).

NOTE: The other pointer (C) is not used.






16. Check the camshaft pulley marks.

NOTE: If the marks are not aligned, rotate the crankshaft 360 degrees, and recheck the camshaft pulley mark.

- If the camshaft pulley marks are at TDC, go to step 17.
- If the camshaft pulley marks are not at TDC, remove the timing belt and repeat steps 2 through 16.

FRONT





REAR





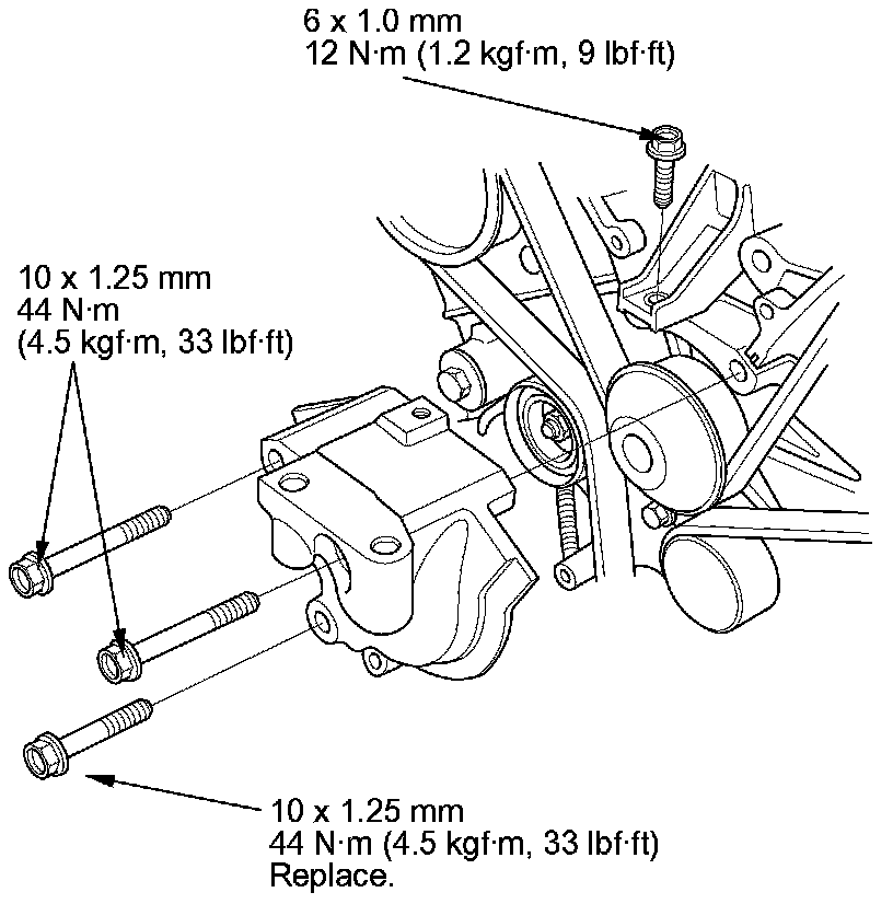
17. Loosely install the upper half of the side engine mount bracket (A), then install the ground cable bracket (B).





18. Remove the jack and the wood block.

19. Tighten the mounting bolts in the numbered sequence shown.

20. Install the drive belt auto-tensioner Drive Belt Auto-Tensioner Replacement.

21. Install the front splash shield Front Splash Shield Replacement.

22. Install the right front wheel.

23. Do the CKP pattern clear/CKP pattern learn procedure.