Operation CHARM: Car repair manuals for everyone.
Manuals through 2025 now available!

Our trusted friends have launched a new website named LEMON, which has newer manuals. It also contains all the CHARM manuals.

LEMON is the spiritual successor to CHARM, I recommend you try it!

Link: lemon-manuals.la or lemon-manuals.org.ua

(Some people have issue connecting. LEMON is investigating. For now, use Firefox or change your DNS server)

Or, hide this message: temporarily or permanently

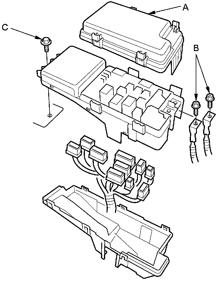
Under-Hood Fuse/Relay Box Removal And Installation




Under-Hood Fuse/Relay Box Removal and Installation

Special Tools Required

- Relay Puller 07AAC-000A2A1 or 07AAC-000A1A0

Removal

1. Do the battery terminal disconnection procedure.

2. Open the cover (A), then remove the screws (B) for the alternator and battery cable terminals from the under-hood fuse/relay box.





3. Remove the mounting bolt (C) from the under-hood fuse/relay box.

4. Remove the bottom cover from the under-hood fuse/relay box.

5. Disconnect the connectors from the under-hood fuse/relay box.

6. If replacing the fuse/relay box, carefully remove the relays by using the relay puller.

NOTE: Do not use pliers. Pliers will damage the relays, which could cause the engine to stall or not start.

Installation

1. Install the relays and connect the connectors to the under-hood fuse/relay box, then install the under-hood fuse/relay box in the reverse order of removal.

2. Install the removed parts in the reverse order of removal.

3. Do the battery terminal reconnection procedure.

4. Confirm that all systems work properly.