Operation CHARM: Car repair manuals for everyone.
Manuals through 2025 now available!

Our trusted friends have launched a new website named LEMON, which has newer manuals. It also contains all the CHARM manuals.

LEMON is the spiritual successor to CHARM, I recommend you try it!

Link: lemon-manuals.la or lemon-manuals.org.ua

(Some people have issue connecting. LEMON is investigating. For now, use Firefox or change your DNS server)

Or, hide this message: temporarily or permanently

Fuel Tank Unit Removal/Installation




Fuel Tank Unit Removal and Installation

Special Tools Required

- Fuel Sender Wrench 07AAA-S0XA100

Removal

1. Relieve the fuel pressure Service and Repair.

2. Remove the fuel fill cap.

3. Remove the rear seat Rear Seat Removal/Installation.

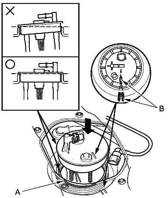
4. Remove the access panel (A) from the floor, then disconnect the fuel tank unit 5P connector (B).





5. Disconnect the quick-connect fitting (C) from the fuel tank unit.

6. Using the special tool, loosen the fuel tank unit locknut (A).






7. Remove the locknut (A), the locknut plate (B), the fuel tank unit (C), and the base gasket (D).






Installation

1. Temporarily attach a new base gasket (A) to the fuel tank unit (B), then insert the fuel tank unit partially into the fuel tank.

NOTE:

- Be careful not to damage the new base gasket.
- Be careful not to bend the fuel gauge sending unit.
- Do not coat the base gasket with oil.





2. Transfer the base gasket (A) from the fuel tank unit onto the fuel tank.





3. Align the marks (B) on the fuel tank and the fuel tank unit, then insert the fuel tank unit into the fuel tank until the fuel tank unit rests on top of the base gasket.

NOTE: To prevent a fuel leak, check the base gasket, visually or by hand, to make sure it is not pinched.

4. Tighten a new locknut (A) by hand with a new locknut plate (B), then tighten the new locknut using the special tool.

NOTE:

- After tightening, make sure the marks are still aligned.
- After installation, check the base gasket, visually or by hand, to be sure it is not pinched.





5. Connect the fuel tank unit 5P connector, then connect the quick-connect fitting.

6. Reconnect the negative cable to the battery, and turn the ignition switch to ON (II) (but do not operate the starter motor). The fuel pump will run for about 2 seconds, and fuel pressure will rise. Repeat this two or three times, then check that there is no leakage in the fuel supply system.

7. Install the access panel.

8. Install the rear seat Rear Seat Removal/Installation.

9. Install the fuel fill cap.