Operation CHARM: Car repair manuals for everyone.
Manuals through 2025 now available!

Our trusted friends have launched a new website named LEMON, which has newer manuals. It also contains all the CHARM manuals.

LEMON is the spiritual successor to CHARM, I recommend you try it!

Link: lemon-manuals.la or lemon-manuals.org.ua

(Some people have issue connecting. LEMON is investigating. For now, use Firefox or change your DNS server)

Or, hide this message: temporarily or permanently

Part One






Block and Piston Inspection






















Installation

1. Engine Oil Jet





1. Carefully install the oil jets (A) and the oil jet bolts (B).

2. Crankshaft





1. Hold the crankshaft so rod journal No. 2 and rod journal No. 3 are straight up, and lower the crankshaft into the engine block. Be careful not to damage the journals and the CKP pulse plate.

3. Crankshaft Main Bearing Clearance - Inspection





1. Clean each main journal and the bearing half with a clean shop towel.

2. Place one strip of plastigage across each main journal.

3. Reinstall the main bearings and the lower block, then torque the bolts to 30 Nm (3.1 kgm, 22 lbft).

NOTE:
* Apply new engine oil to the bolt threads and flanges.
* Do not rotate the crankshaft during inspection.

4. Tighten the bearing cap bolts an additional 48 °.





5. Remove the lower block and the main bearings again, and measure the widest part of the plastigage.








4. Crankshaft Main Bearing - Selection





1. Numbers, letters, or bars have been stamped on the end of the lower block as a code for the size of each of the five main journal bores. Write down the block bore codes. If you cannot read the codes because of accumulated dirt and dust, do not scrub them with a wire brush or scraper. Clean them only with solvent or detergent.









2. The main journal codes are stamped on the crankshaft.





3. Use the block bore codes and the main journal codes to select the appropriate replacement bearings from the following table.

NOTE:
* Color code is on the edge of the bearing.
* When using bearing halves of different colors, it does not matter which color is used in the top or bottom.

5. Cylinder Lower Block Assembly





1. Remove all of the old liquid gasket from the lower block mating surfaces, the bolts, and the bolt holes.

2. Clean and dry the lower block mating surfaces.

3. Apply liquid gasket (P/N 08718-0004 or 08718-0009) to the engine block mating surface of the lower block and to the inside edge of the threaded bolt holes. Install the component within 5 minutes of applying the liquid gasket.

NOTE:
* Apply a 2.5 mm (0.098 in) diameter bead of liquid gasket along the broken line (A).
* If too much time has passed after applying the liquid gasket, remove the old liquid gasket and residue, then reapply new liquid gasket.





4. Put the lower block on the engine block.

5. Apply new engine oil to the threads of the bearing cap bolts. Torque the bearing cap bolts in sequence, to 30 Nm (3.1 kgm, 22 lbft).





6. Tighten the bearing cap bolts an additional 48 °.





7. Torque the 8 mm bolts in sequence to 22 Nm (2.2 kgm, 16 lbft).

NOTE:
* Wait at least 30 minutes before filling the engine with oil.
* Do not run the engine for at least 3 hours after installing the lower block.

6. Piston/Connecting Rod Assembly





1. Remove the connecting rod caps, then install the ring compressor, and check that the bearing is securely in place.

2. Apply new engine oil to the piston, the inside of the ring compressor, and the cylinder bore, then attach the ring compressor to the piston/connecting rod assembly.

3. Position the mark (A) to face the cam chain side of the engine block.





4. Position the piston in the cylinder, and tap it in using the wooden handle of a hammer (A). Push down on the ring compressor (B) to prevent the rings from expanding before entering the cylinder bore.

5. Stop after the ring compressor pops free, and check the connecting rod-to-rod journal alignment before pushing the piston into place.

7. Connecting Rod Bearing Clearance - Inspection





1. Clean the connecting rod journal and the bearing half with a clean shop towel.

2. Place plastigage across the connecting rod journal.

3. Reinstall the bearing half and the connecting rod cap, then torque the bolts to 41 Nm (4.2 kgm, 30 lbft)+ 120 °.

NOTE:
* Apply new engine oil to the bolt threads and flanges.
* Do not rotate the crankshaft during inspection.

4. Remove the connecting rod cap and the bearing half, and measure the widest part of the plastigage.







5. If the plastigage measures too wide or too narrow, remove the cap, and the upper half of the bearing. Install a new, complete bearing with the appropriate color code(s), and recheck the clearance. Do not file, shim, or scrape the bearings or the caps to adjust clearance.

6. If the plastigage shows the clearance is still incorrect, try the next larger or smaller bearing (the color listed above or below the current one), and check the clearance again. If the proper clearance cannot be obtained by using the appropriate larger or smaller bearings, replace the crankshaft and start over.

8. Connecting Rod Bearing - Selection





1. Each connecting rod has a tolerance range from 0 to 0.024 mm (0.00094 in), in 0.006 mm (0.00024 in) increments, depending on the size of its big end bore. It's then stamped with a number or bar (1, 2, 3, or 4/I, II, III, or IIII) indicating the range. You may find any combination of numbers and bars in any engine. (Half the number or bar is stamped on the rod cap, the other half is on the connecting rod.) If you cannot read the code because of an accumulation of oil and varnish, do not scrub it with a wire brush or scraper. Clean it only with solvent or detergent.









2. The connecting rod journal codes are stamped on the crankshaft in either location.





3. Use the big end bore codes and the rod journal codes to select appropriate replacement bearings from the following table.

NOTE:
* Color code is on the edge of the bearing.
* When using bearing halves of different colors, it does not matter which color is used in the top or bottom.

9. Connecting Rod Caps/Bearing Halves





1. Apply new engine oil to the threads of the connecting rod bolts.

2. Seat the rod journals into connecting rod No. 1 and connecting rod No. 4. Line up the mark (A) on the connecting rod and the bearing cap.

3. Install the bearing caps and the bolts finger-tight.

4. Rotate the crankshaft clockwise, and seat the journals into connecting rod No. 2 and connecting rod No. 3. Line up the mark on the connecting rod and the bearing cap.

5. Install the bearing caps and the bolts finger-tight.





6. Torque the bolts to 41 Nm (4.2 kgm, 30 lbft).

7. Tighten the connecting rod bolts an additional 120 °.

NOTE: Remove the connecting rod bolt if you tightened it beyond the specified angle, inspect the connecting rod bolts. Do not loosen it back to the specified angle.

10. Crankshaft Oil Seal Transmission Side





1. Clean and dry the crankshaft oil seal housing.

2. Apply a light coat of new engine oil to the lip of the crankshaft oil seal.

3. Use the driver handle, 15 x 135L and the oil seal driver attachment, 96 mm to drive a new crankshaft oil seal (A) squarely into the engine block to the specified installed height.

4. Clean the excess oil off the crankshaft, and check that the oil seal lip is not distorted.

5. Measure the distance between the engine block (A) and the crankshaft oil seal (B).











11. Engine Baffle Plate





1. Install the baffle plate.

12. Set The Crankshaft To Top Dead Center





1. Set the crankshaft to top dead center (TDC). Align the TDC mark (A) on the crankshaft sprocket with the pointer (B) on the engine block.

13. Engine Oil Pump Assembly





1. Align the dowel pin (A) on the rear balancer shaft with the mark (B) on the oil pump.





2. To hold the rear balancer shaft, insert a 6 mm long pin punch (Snap-on PPC108LA or equivalent) (A) into the maintenance hole in the balancer shaft holder and through the rear balancer shaft.





3. Apply new engine oil to the threads of the oil pump mounting bolts (A).

4. Loosely install the oil pump (B) with a new O-ring (C).

5. Tighten the oil pump mounting bolts.





6. Set the oil pump chain on the oil pump chain sprocket (A) with the punch mark (B) aligned with the center of the two colored link plates (C), then install the oil pump chain sprocket to the oil pump.

7. Apply new engine oil to the threads of the oil pump sprocket mounting bolt (D), then install the oil pump sprocket mounting bolt.

8. Install the oil pump chain guide (E).

9. Remove the 6 mm long pin punch (F).

14. Oil Pump Chain Tensioner





1. Turn the plate (A) counterclockwise, to release the lock, then push the oil pump chain auto-tensioner arm (B), and set the first cam (C) to the first edge of the rack (D). Insert a 3.0 mm (7/64 in) diameter pin (E) into the hole (F).

NOTE: If the chain tensioner is not set up as described, the tensioner will become damaged.





2. Install the oil pump chain tensioner, then remove the 3.0 mm (7/64 in) diameter pin.

15. Coolant Separator





1. Install a new coolant separator (A) in the engine block whenever the engine block is replaced.

16. Cylinder Head Assembly





1. Clean the cylinder head and the engine block surface.

2. Install the new cylinder head gasket (A) and the dowel pins (B) on the engine block. Always use a new cylinder head gasket.

3. Install the cylinder head on the engine block.





4. Measure the diameter of each cylinder head bolt at point A and point B.

5. If either diameter is less than 10.6 mm (0.417 in), replace the cylinder head bolt.

6. Apply new engine oil to the threads and under the bolt heads of all cylinder head bolts.





7. Torque the cylinder head bolts in sequence to 39 Nm (4.0 kgm, 29 lbft). Use a beam-type torque wrench. When using a preset click-type torque wrench, be sure to tighten slowly and do not overtighten. If a bolt makes any noise while you are torquing it, loosen the bolt and retighten it from the first step.





8. After torquing, tighten all cylinder head bolts in two steps (90 ° per step) using the sequence shown in step 9. If you are using a new cylinder head bolt, tighten the bolt an extra 90 °.

NOTE: Remove the cylinder head bolt if you tightened it beyond the specified angle, and go back to step 6 of the procedure. Do not loosen it back to the specified angle.

17. Rocker Arm Assembly





1. Clean and dry the No. 5 rocker shaft holder mating surface.

2. Apply liquid gasket (P/N 08718-0004 or 08718-0009) to the cylinder head mating surface of the No. 5 rocker shaft holder and to the inside edge of the threaded bolt holes. Install the component within 5 minutes of applying the liquid gasket.

NOTE:
* Apply a 2.5 mm (0.098 in) diameter bead of liquid gasket along the broken line (A).
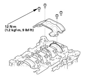
* If too much time has passed after applying the liquid gasket, remove the old liquid gasket and residue, then reapply new liquid gasket.





3. Install the lost motion assembly in the cylinder head.

NOTE: Apply new engine oil to the lost motion assembly.

4. Insert the bolts (A) into the rocker shaft holder, then install the rocker arm assembly (B) on the cylinder head.

5. Remove the bolts from the rocker shaft holder.

18. Camshaft





1. Remove the wire tie while keeping light tension on the cam chain.

2. Install the exhaust camshaft.

3. Slide the exhaust camshaft in at an angle to allow the cam chain to slip over the VTC actuator's teeth.





4. Set the No. 1 piston at top dead center (TDC). The punch mark (A) on the VTC actuator and the punch mark (B) on the exhaust camshaft sprocket should be at the top. Align the TDC marks (C) on the VTC actuator and the exhaust camshaft sprocket.

5. Apply new engine oil to the camshaft journals and lobes on both cams.

19. Camshaft Holder





1. Set the camshaft holders (A) and cam chain guide B in place.





2. Tighten the bolts to the specified torque.








20. Cam Chain





1. To hold the intake camshaft, insert one of the camshaft lock pins (C) into the maintenance hole in CMP pulse plate A and through the No. 5 rocker shaft holder (D).

2. To hold the exhaust camshaft, insert the other camshaft lock pin (C) into the maintenance hole in CMP pulse plate B and through the No. 5 rocker shaft holder (D).





3. Install the cam chain on the crankshaft sprocket with the colored link plate (A) aligned with the mark (B) on the crankshaft sprocket.





4. Install the cam chain on the VTC actuator and the exhaust camshaft sprocket with the punch marks (A) aligned with the center of the two colored link plates (B).