Operation CHARM: Car repair manuals for everyone.
Manuals through 2025 now available!

Our trusted friends have launched a new website named LEMON, which has newer manuals. It also contains all the CHARM manuals.

LEMON is the spiritual successor to CHARM, I recommend you try it!

Link: lemon-manuals.la or lemon-manuals.org.ua

(Some people have issue connecting. LEMON is investigating. For now, use Firefox or change your DNS server)

Or, hide this message: temporarily or permanently

Overhaul




Service Information

PCU Disassembly and Reassembly

Disassembly

1. PCU - Disassembly





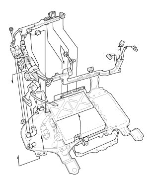
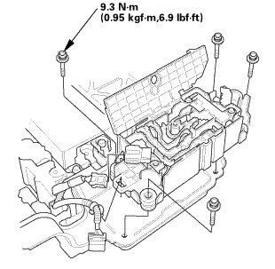
1. Remove the junction board assembly.





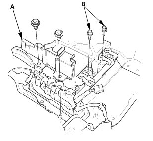
2. Remove the cover (A) and the bolts (B).





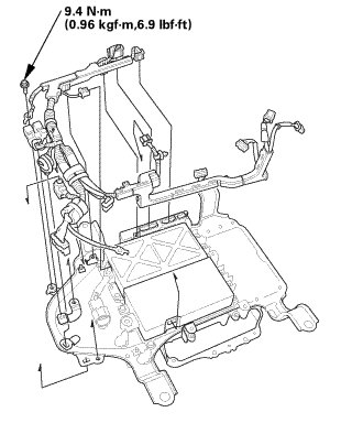
3. Disconnect the connectors (A).

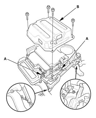
4. Remove the inverter cover (B).





5. Remove the cover (A).

6. Remove the inverter busbars (B).





7. Remove the insulator (A).

8. Remove the busbars (B).





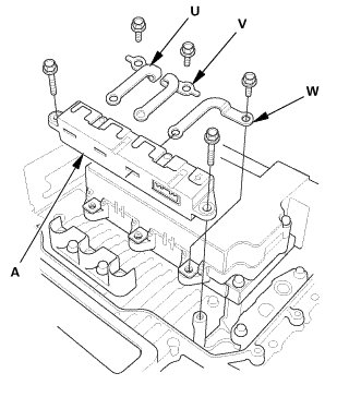
9. Remove the phase motor current sensor (A) and the bus bars (U, V, W).





10. Remove the PCU terminal base.





11. Remove the IPH terminal base.





12. Remove the MPI module.





13. Remove the PCU harness.





14. Remove the DC-DC converter.





15. Remove the A/C compressor driver.





16. Remove the MCM.





17. Remove the PCU case.

Reassembly

1. PCU - Reassembly





1. Install the PCU case.





2. Install the MCM.





3. Install the A/C compressor driver.





4. Install the DC-DC converter.





5. Install the PCU harness.





6. Install the MPI module.





7. Install the IPH terminal base.





8. Install the PCU terminal base.

9. Install the phase motor current sensor (A) and the bus bars (U, V, W).









10. Install the busbars (A).

11. Install the insulator (B).





12. Install the inverter busbars (A).

13. Install the cover (B).





14. Install the inverter cover (A).

15. Connect the connectors (B).





16. Install the cover (A) and the bolts (B).





17. Install the junction board assembly.