Operation CHARM: Car repair manuals for everyone.
Manuals through 2025 now available!

Our trusted friends have launched a new website named LEMON, which has newer manuals. It also contains all the CHARM manuals.

LEMON is the spiritual successor to CHARM, I recommend you try it!

Link: lemon-manuals.la or lemon-manuals.org.ua

(Some people have issue connecting. LEMON is investigating. For now, use Firefox or change your DNS server)

Or, hide this message: temporarily or permanently

Voltage Inverter Module: Service and Repair




Service Information

Motor Power Inverter (MPI) Module Removal and Installation

Removal

WARNING:
The IMA motor power cables carry high voltage when the engine is running or the IMA system is energized. To avoid serious injury from electrical shock, do not start the engine with the IMA motor power cables disconnected.

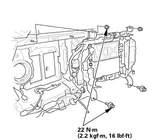
IMA components are located in this area. The IMA is a high-voltage system. You must be familiar with the IMA system before working on or around it. Make sure you have read the IMA service precautions High Voltage Safety before doing repairs or service.

1. Battery Terminal - Disconnection





1. Make sure the ignition switch is in LOCK (0).

2. Disconnect and isolate the negative cable and battery sensor (A) from the 12 V battery.

NOTE: Always disconnect the negative side first.

3. Disconnect the positive cable (B) from the 12 V battery.

2. Rear Seat Cushion





1. Remove the bolt (A) securing the rear seat cushion (B).





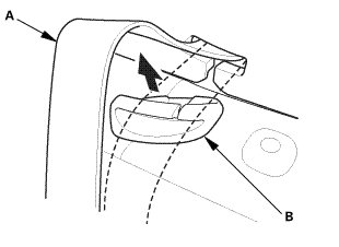
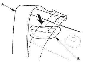
2. While pushing down the rear seat cushion (A), pull out on the seat hook handles (B) to release the hooks (C).

3. Remove the rear seat cushion.

3. Both Rear Seat Side Bolsters





1. Remove the bolt (A) securing the rear seat side bolster (B).

2. The left side is shown; repeat on the right side.





3. Remove the rear seat side bolster (A).

4. The left side is shown; repeat on the right side.

4. Rear Seat-Back





1. Remove all of the rear head restraints.

2. Release the rear center seat belt (A) from the rear center seat belt guide (B).





3. Remove the bolts (A) securing the rear seat-back (B).





4. Lift up the rear seat-back (A) to release the seat legator hooks (B) from the brackets (C) on the body, then remove the seat-back.

5. IMA Battery Main Switch - OFF









1. Turn the ignition switch to LOCK (0).

2. Remove the battery module switch lid (A) from the IPU cover.

3. Turn the battery module switch (B) OFF, then check that the bolt (C) is showing.

4. Wait at least 5 minutes to allow the PDU capacitors to discharge.

6. IPU Cover





1. Remove the IPU cover.

7. Power Cable Terminal Cover





1. Remove the power cable terminal cover.

8. Motor Power Cables IPU Side - Disconnection









1. Disconnect the connector (A).

2. Remove the four cables (B) from the DC-DC converter.

3. Wrap the end of the cables with insulating tape.

NOTE: Check the position of the U phase, V phase, and W phase cables before disconnecting the IMA motor power cables.

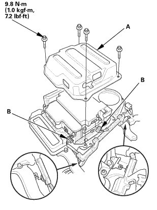
9. PCU Assembly





1. Remove the cables (A).

NOTE: Use insulated tools when doing this procedure.

2. Disconnect the connectors (B).





3. Disconnect the connectors (A).

4. Remove the ground cable (B).





5. Remove the PCU assembly.

10. Junction Board Assembly





1. Remove the junction board assembly.

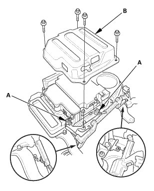
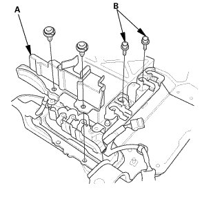
11. IMA Inverter Cover





1. Remove the cover (A) and the bolts (B).





2. Disconnect the connectors (A).

3. Remove the inverter cover (B).

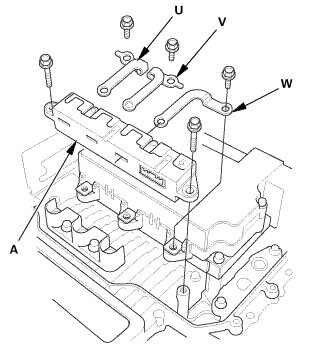
12. IMA Inverter Busbar





1. Remove the cover (A).

2. Remove the inverter busbars (B).

13. Phase Motor Current Sensor





1. Remove the insulator (A).

2. Remove the busbars (B).





3. Remove the phase motor current sensor (A) and the bus bars (U, V, W).

14. MPI Module





1. Remove the MPI module.

Installation

WARNING:
The IMA motor power cables carry high voltage when the engine is running or the IMA system is energized. To avoid serious injury from electrical shock, do not start the engine with the IMA motor power cables disconnected.

IMA components are located in this area. The IMA is a high-voltage system. You must be familiar with the IMA system before working on or around it. Make sure you have read the IMA service precautions High Voltage Safety before doing repairs or service.

1. MPI Module





1. Install the MPI module.

2. Phase Motor Current Sensor

1. Install the phase motor current sensor (A) and the bus bars (U, V, W).









2. Install the busbars (A).

3. Install the insulator (B).

3. IMA Inverter Busbar





1. Install the inverter busbars (A).

2. Install the cover (B).

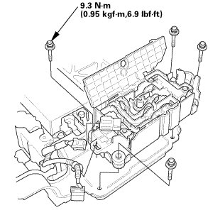
4. IMA Inverter Cover





1. Install the inverter cover (A).

2. Connect the connectors (B).





3. Install the cover (A) and the bolts (B).

5. Junction Board Assembly





1. Install the junction board assembly.

6. PCU Assembly





1. Install the PCU assembly.





2. Install the ground cable (A).

3. Connect the connectors (B).





4. Connect the connectors (A).

5. Install the cables (B).

NOTE: Use insulated tools when doing this procedure.

7. Motor Power Cables IPU Side - Reconnection





1. Install the four cables (A) to the DC-DC converter.

2. Connect the connector (B).

8. Power Cable Terminal Cover





1. Install the power cable terminal cover.

9. IPU Cover





1. Install the IPU cover.

10. IMA Battery Main Switch - ON









1. Make sure the ignition switch is turned to LOCK (0).

2. Turn the battery module switch (A) ON.

3. Install the battery module switch lid (C) to the IPU cover.

11. Rear Seat-Back





1. Install the seat legator hooks (A) in the brackets (B) on the body.





2. Install the bolts (A) securing the rear seat-back (B).





3. Install the rear center seat belt (A) to the rear center seat belt guide (B).

4. Install all of the head restraints.

12. Both Rear Seat Side Bolsters





1. Install the rear seat side bolster (A).

2. The left side is shown; repeat on the right side.





3. Install the bolt (A) securing the rear seat side bolster (B).

4. The left side is shown; repeat on the right side.

13. Rear Seat Cushion





1. Install the hooks (A) in the rear seat cushion clips (B).





2. Install the bolt (A) securing the rear seat cushion (B).

14. Battery Terminal - Reconnection





NOTE: If the 12 V battery performs abnormally, test the battery.

1. Clean the battery terminals.

2. Connect the positive cable (A) to the 12 V battery.

NOTE: Always reconnect the positive side first.

3. Connect the negative cable and battery sensor (B) to the 12 V battery.

4. Apply multipurpose grease to the terminals to prevent corrosion.

15. HDS DLC - Connection





1. Connect the HDS to the data link connector (DLC) (A) located under the driver's side of the dashboard.

2. Turn the ignition switch to ON (II).

3. Make sure the HDS communicates with vehicle. If it does not communicate, go to the DLC circuit troubleshooting.

16. IMA Motor Rotor Position - Calibration

Do the IMA motor rotor position calibration whenever any of these actions are done:
* The MCM is replaced.
* The IMA motor rotor position sensor is replaced or removed during service.
* The IMA motor is replaced or removed during service.
* The engine assembly is replaced or removed during service.
* The transmission is replaced or removed during service.

1. Select IMA SYSTEM on the HDS.

2. Select the MOTOR ROTOR POSITION CALIBRATION in the ADJUSTMENT MENU of the HDS.

3. Turn the ignition switch to LOCK (0), and disconnect the HDS from the DLC.