Operation CHARM: Car repair manuals for everyone.
Manuals through 2025 now available!

Our trusted friends have launched a new website named LEMON, which has newer manuals. It also contains all the CHARM manuals.

LEMON is the spiritual successor to CHARM, I recommend you try it!

Link: lemon-manuals.la or lemon-manuals.org.ua

(Some people have issue connecting. LEMON is investigating. For now, use Firefox or change your DNS server)

Or, hide this message: temporarily or permanently

Knock Sensor: Service and Repair




Service Information

Knock Sensor Removal and Installation

Removal

1. Vehicle - Lift

1. Raise the vehicle on a lift, and make sure it is securely supported.

2. Engine Cover





1. Remove the engine cover.

3. Intake Air Resonator





1. Remove the intake air resonator.

4. Intake Air Duct





1. Remove the intake air duct.

5. Intake Air Pipe





1. Remove the intake air pipe.

6. Throttle Body - Move





1. Remove the throttle body without disconnecting the hoses.

7. Engine Undercover





1. Remove the engine undercover (A).

8. Intake Manifold Bracket





1. Remove the intake manifold bracket mounting bolts.

9. Intake Manifold/Chamber Peripheral Assembly





1. Disconnect the connectors (A).

2. Remove the engine wire harness (B).

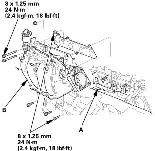
10. Intake Manifold/Chamber Assembly





1. Disconnect the PCV hose (A).

2. Remove the intake manifold/chamber assembly (B).

11. Knock Sensor





1. Disconnect the connector.

2. Remove the knock sensor (A).

Installation

1. Knock Sensor





1. Install the knock sensor (A).

NOTE: When installing the knock sensor, make sure the direction of the sensor connector (B) is as shown.

2. Connect the connector.

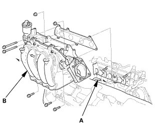
2. Intake Manifold/Chamber Assembly





1. Connect the PCV hose (A).

2. Install the intake manifold/chamber assembly (B).

3. Intake Manifold/Chamber Peripheral Assembly





1. Install the engine wire harness (A).

2. Connect the connectors (B).

4. Intake Manifold Bracket





1. Install the intake manifold bracket mounting bolts.

5. Engine Undercover





1. Install the engine undercover (A).

6. Throttle Body - Move





1. Install the throttle body (A) with new gasket (B).

7. Intake Air Pipe





1. Install the intake air pipe.

8. Intake Air Duct





1. Install the intake air duct.

9. Intake Air Resonator





1. Install the intake air resonator.

10. Engine Cover





1. Install the engine cover.