Operation CHARM: Car repair manuals for everyone.
Manuals through 2025 now available!

Our trusted friends have launched a new website named LEMON, which has newer manuals. It also contains all the CHARM manuals.

LEMON is the spiritual successor to CHARM, I recommend you try it!

Link: lemon-manuals.la or lemon-manuals.org.ua

(Some people have issue connecting. LEMON is investigating. For now, use Firefox or change your DNS server)

Or, hide this message: temporarily or permanently

Compressor Motor Power Control Module: Service and Repair




Service Information

A/C Compressor Driver Removal and Installation

Removal

WARNING:
The IMA motor power cables carry high voltage when the engine is running or the IMA system is energized. To avoid serious injury from electrical shock, do not start the engine with the IMA motor power cables disconnected.

IMA components are located in this area. The IMA is a high-voltage system. You must be familiar with the IMA system before working on or around it. Make sure you have read the IMA service precautions High Voltage Safety before doing repairs or service.

1. Rear Seat Cushion





1. Remove the bolt (A) securing the rear seat cushion (B).





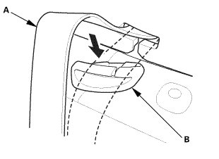
2. While pushing down the rear seat cushion (A), pull out on the seat hook handles (B) to release the hooks (C).

3. Remove the rear seat cushion.

2. Rear Seat-Back





1. Remove all of the rear head restraints.

2. Release the rear center seat belt (A) from the rear center seat belt guide (B).





3. Remove the bolts (A) securing the rear seat-back (B).





4. Lift up the rear seat-back (A) to release the seat legator hooks (B) from the brackets (C) on the body, then remove the seat-back.

3. Both Rear Seat Side Bolsters





1. Remove the bolt (A) securing the rear seat side bolster (B).

2. The left side is shown; repeat on the right side.





3. Remove the rear seat side bolster (A).

4. The left side is shown; repeat on the right side.

4. IMA Battery Main Switch - OFF









1. Turn the ignition switch to LOCK (0).

2. Remove the battery module switch lid (A) from the IPU cover.

3. Turn the battery module switch (B) OFF, then check that the bolt (C) is showing.

4. Wait at least 5 minutes to allow the PDU capacitors to discharge.

5. IPU Cover





1. Remove the IPU cover.

6. Junction Board Assembly





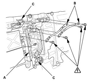
1. Open the cover (A).

2. Remove the cables (B).

NOTE: Use the insulated tools when doing this procedure

3. Disconnect the connectors (C).





4. Remove the junction board from the PCU assembly.

7. Power Cable Terminal Cover





1. Remove the power cable terminal cover.

8. DC-DC Converter





1. Remove the 12 volt power cable (A).

NOTE: Wrap the end of the 12 volt power cable with insulating tape.

2. Remove the cover (B).





3. Remove the DC-DC converter.

9. A/C Compressor Driver





1. Disconnect the connectors.





2. Remove the A/C compressor driver (A).

Installation

WARNING:
The IMA motor power cables carry high voltage when the engine is running or the IMA system is energized. To avoid serious injury from electrical shock, do not start the engine with the IMA motor power cables disconnected.

IMA components are located in this area. The IMA is a high-voltage system. You must be familiar with the IMA system before working on or around it. Make sure you have read the IMA service precautions High Voltage Safety before doing repairs or service.

1. A/C Compressor Driver





1. Install the A/C compressor driver (A).





2. Connect the connectors.

2. DC-DC Converter





1. Install the DC-DC converter.





2. Install the cover (A).

3. Install the 12 volt power cable (B).

3. Power Cable Terminal Cover





1. Install the power cable terminal cover.

4. Junction Board Assembly





1. Install the junction board to the PCU assembly.





2. Connect the connectors (A).

3. Install the cables (B).

NOTE: Use the insulated tools when doing this procedure

4. Close the cover (C).

5. IPU Cover





1. Install the IPU cover.

6. IMA Battery Main Switch - ON









1. Make sure the ignition switch is turned to LOCK (0).

2. Turn the battery module switch (A) ON.

3. Install the battery module switch lid (C) to the IPU cover.

7. Both Rear Seat Side Bolsters





1. Install the rear seat side bolster (A).

2. The left side is shown; repeat on the right side.





3. Install the bolt (A) securing the rear seat side bolster (B).

4. The left side is shown; repeat on the right side.

8. Rear Seat-Back





1. Install the seat legator hooks (A) in the brackets (B) on the body.





2. Install the bolts (A) securing the rear seat-back (B).





3. Install the rear center seat belt (A) to the rear center seat belt guide (B).

4. Install all of the head restraints.

9. Rear Seat Cushion





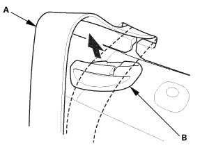
1. Install the hooks (A) in the rear seat cushion clips (B).





2. Install the bolt (A) securing the rear seat cushion (B).