Operation CHARM: Car repair manuals for everyone.
Manuals through 2025 now available!

Our trusted friends have launched a new website named LEMON, which has newer manuals. It also contains all the CHARM manuals.

LEMON is the spiritual successor to CHARM, I recommend you try it!

Link: lemon-manuals.la or lemon-manuals.org.ua

(Some people have issue connecting. LEMON is investigating. For now, use Firefox or change your DNS server)

Or, hide this message: temporarily or permanently

Engine Removal




Engine Removal

Special Tools Required

- Universal Lifting Eyelet 07AAK-SNAA120
- Engine Support Hanger, A and Reds AAR-T1256
*Available through the Honda Tool and Equipment Program 888-424-6857

NOTE:

- IMA components are located in this area. The IMA is a high-voltage system. You must be familiar with the IMA system before working on or around it. Make sure you have read the IMA service precaution before doing repairs or service High Voltage Safety.
- Use fender covers to avoid damaging painted surfaces.
- To avoid damaging the wiring and terminals, unplug the wiring connectors carefully while holding the connector portion.
- Mark all wiring and hoses to avoid misconnection at reassembly. Also, be sure that they do not contact other wiring or hoses, or interfere with other parts.

1. Turn the battery module switch OFF.

2. Before removing the engine/transmission, read the Service Precautions for the IMA System High Voltage Safety.

3. Open the hood, and secure it with the hood support rod (A) in the wide-open position (B).






4. Relieve fuel pressure Service and Repair.

5. Do the 12 volt battery removal procedure.

6. Remove the cowl cover and the under-cowl panel Service and Repair.

7. Remove the air cleaner Service and Repair.

8. Disconnect the battery cables (A) from the battery terminal fuse box.





9. Remove the harness clamps (B).

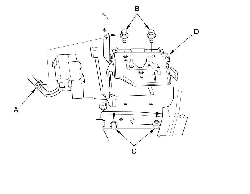
10. Remove the harness clamp (A).





11. Remove the two bolts (B) and loosen the two bolts (C), then remove the battery base (D).

12. Remove the PCM cover (A).






13. Disconnect the PCM connectors (A) and the engine wire harness connectors (B).





14. Remove the harness clamp (C) and the harness holder (D), then remove the PCM (E).

15. Disconnect the EVAP canister hose (A) and the brake booster vacuum hose (B).






16. Remove the fuel feed hose clamp bracket (A) and the quick-connect fitting cover (B), then disconnect the fuel feed hose (C) Fuel Line/Quick-Connect Fitting Removal.






17. Disconnect the secondary HO2S connector (A), then remove the secondary HO2S harness from the clamps (B).





18. Remove the steering joint cover, then disconnect the steering joint from the steering gearbox pinion shaft.

NOTE:

- Hold the steering wheel in the steering wheel holder tool.
- Hold the lower slide shaft on the column with a piece of wire between the joint yokes.

19. Remove the radiator cap.

NOTE: Wait until the engine is cool, then carefully remove the radiator cap.

20. Raise the vehicle on the lift.

21. Remove the front wheels.

22. Remove the splash shield Splash Shield Replacement.

23. Remove the drive belt Service and Repair.

24. Loosen the drain plug in the radiator, and drain the engine coolant Service and Repair.

25. Drain the engine oil Service and Repair.

26. Drain the transmission fluid CVT Fluid Replacement.

27. Remove the secondary HO2S harness from the clamp (A).





28. Remove the under-floor TWC (B).

29. Remove the stabilizer links from the stabilizer Service and Repair.

30. Separate the knuckles from the lower arms.

31. Separate the tie-rod end ball joint from the knuckles.

32. Disconnect the EPS motor connector and the torque sensor connector.

33. Remove the driveshaft heat shield.





34. Remove the driveshafts Driveshaft Removal. Coat all precision-finished surfaces with clean engine oil. Tie a plastic bags over the driveshaft ends.

35. Remove the A/C compressor without disconnecting the A/C hoses. Do not bend the A/C hoses excessively.

NOTE: Hang the A/C compressor with a wire tie.





36. Lower the vehicle on the lift.

37. Remove the radiator Radiator Replacement.

38. Disconnect the heater hoses (A).






39. Disconnect the IMA power cable connector and the harness clamp.

NOTE: Make sure you have read the IMA system service precautions High Voltage Safety.





40. Remove the shift cable Service and Repair.

41. Remove the canister purge hose (A).





42. Attach the first universal lifting eyelet (07AAK-SNAA120) to the air cleaner bracket hole (B) with a bolt (C) and a nut (D).

43. Remove the harness clamp (A) from its clamp bracket (B) located in front of the damper top.





44. Install the engine support hanger (AAR-T1256). Carefully position the engine support hanger to the vehicle; position both cross-arm foot bases (C) over the harness clamp brackets on both sides, and position both fronts stands (D) on the front bulkhead. Attach the hook (E) to the slotted hole in the first universal lifting eyelet (F), tighten the wing nut (G) by hand, and lift and support the engine/IMA motor/transmission.

NOTE: Be careful when working around the windshield.

45. Raise the vehicle on the lift.

46. Support the transmission with a transmission jack and wood block under the transmission.

47. Remove the torque rod (A).

NOTE: Make sure the tab (B) on the bolt head aligned with the guide (C) on the front subframe.





48. Remove the transmission jack and wood block from under the transmission.

49. Support the front subframe with a transmission jack and wood block under the front subframe.

50. Remove the front subframe mounting bolts.





51. Lower the front subframe and steering gearbox as an assembly by lowering the jack slowly, then remove the assembly from under the vehicle.

52. Lower the vehicle on the lift.

53. Attach the second universal lifting eyelet to the cam chain case.






54. Attach a chain hoist to the second universal lifting eyelet (A) and the transmission hanger (B), then lift the engine/IMA motor/transmission until it is securely supported by the chain hoist, then remove the engine support hanger and the first universal lifting eyelet.

NOTE: Wrap the VSA modulator-control unit with the clean shop towel.






55. Remove the harness holders (A).





56. Remove the transmission mount bolts (B), and nuts (C), then remove the transmission mount bracket (D).

57. Remove the ground cable (A), then remove the side engine mount/bracket assembly (B).





58. Check that the engine/IMA motor/transmission is completely free of the vacuum hoses, the fuel hoses, the coolant hoses, and the electrical wiring.

59. Slowly lower the engine/IMA motor/transmission about 150 mm(5.91 in). Check once again that all the hoses and the electrical wiring are disconnected and free from the engine/IMA motor/transmission, then lower it all the way and support it.

60. Disconnect the chain hoist from the engine/IMA motor/transmission, then remove the second universal lifting eyelet.

61. Raise the vehicle, and remove the engine/IMA motor/transmission from under the vehicle.