Operation CHARM: Car repair manuals for everyone.
Manuals through 2025 now available!

Our trusted friends have launched a new website named LEMON, which has newer manuals. It also contains all the CHARM manuals.

LEMON is the spiritual successor to CHARM, I recommend you try it!

Link: lemon-manuals.la or lemon-manuals.org.ua

(Some people have issue connecting. LEMON is investigating. For now, use Firefox or change your DNS server)

Or, hide this message: temporarily or permanently

Heater Core Case: Service and Repair




Heater Unit/Core Replacement

SRS components are located in this area. Review the SRS component locations Locations and the precautions and procedures Service Precautions before doing repairs or service.

1. Do the battery terminal disconnection procedure.

2. Disconnect the A/C lines from the front evaporator core.

3. When the engine is cool, drain the engine coolant Service and Repair.

4. From under the hood, slide the hose clamps (A) back. Disconnect the inlet heater hose (B) and the outlet heater hose (C) from the heater unit. Note the layout of the hose.

Engine coolant will run out when the hoses are disconnected; drain it into a clean drip pan. Be sure not to let coolant spill on the electrical parts or the painted surfaces. If any coolant spills, rinse it off immediately.





5. Remove the mounting nut (D) from the heater unit. Take care not to damage or bend the fuel lines or the brake lines.

6. Remove the dashboard Dashboard/Steering Hanger Beam Removal/Installation.

7. Disconnect the connectors (A) from the front blower motor. Detach the harness clips (B) and the connector clip (C).






8. Disconnect the connector (A) from the recirculation control motor. Remove the mounting nuts. Slide the blower-heater unit (B) back, then remove the drain hose (C) and the blower-heater unit.





9. Remove the blower unit Blower Unit Removal/Installation.

10. Disconnect the connectors (A) from the cool box control motor (with climate control), the passenger's air mix control motor (with climate control), and the front power transistor. Detach the harness clips (B) and the connector clip (C).






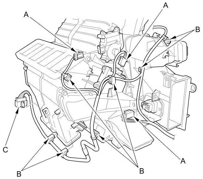
11. Disconnect the connectors (A) from the front mode control motor , the air mix control motor, and the evaporator temperature sensor. Detach the harness clips (B) and remove the wire harness (C).






12. Remove the self-tapping screws and the passenger's heater duct and cover (A). Remove the self-tapping screws, the expansion valve cover (B), and the seal (C). Remove the self-tapping screws, the heater pipe brackets (D), and the grommets (E). Carefully pull out the front heater core (F).






13. Install the front heater core, and the front evaporator core in the reverse order of removal.

14. Install the heater unit in the reverse order of removal, and note these items:

- Do not interchange the inlet and the outlet heater hoses.
- Install the inlet and the outlet hose clamps securely.
- Refill the cooling system with engine coolant Service and Repair.
- Make sure that there is no coolant leakage.
- Make sure that there is no air leakage.
- Make sure that there is no refrigerant leakage.
- Refer to the front evaporator core replacement Service and Repair.

15. Do the battery terminal reconnection procedure.