Operation CHARM: Car repair manuals for everyone.
Manuals through 2025 now available!

Our trusted friends have launched a new website named LEMON, which has newer manuals. It also contains all the CHARM manuals.

LEMON is the spiritual successor to CHARM, I recommend you try it!

Link: lemon-manuals.la or lemon-manuals.org.ua

(Some people have issue connecting. LEMON is investigating. For now, use Firefox or change your DNS server)

Or, hide this message: temporarily or permanently

Connecting Rod: Testing and Inspection




Connecting Rod and Crankshaft End Play Inspection

1. Remove the oil pump.

2. Remove the baffle plate.

3. Measure the connecting rod end play with a feeler gauge (A) between the connecting rod (B) and the crankshaft (C).

Connecting Rod End Play









4. If the connecting rod end play is beyond the service limit, install a new connecting rod and recheck. If it is still beyond the service limit, replace the crankshaft Crankshaft And Piston Removal.

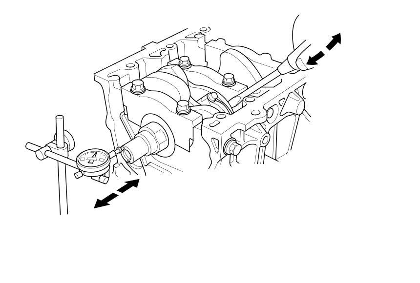
5. Push the crankshaft firmly away from the dial indicator, by prying, then zero the dial against the end of the crankshaft. Then pull the crankshaft firmly back toward the indicator; the dial reading should not exceed the service limit.

Crankshaft End Play









6. If the end play is excessive, replace the thrust washers and recheck. If it is still beyond the service limit, replace the crankshaft Crankshaft And Piston Removal.