Operation CHARM: Car repair manuals for everyone.
Manuals through 2025 now available!

Our trusted friends have launched a new website named LEMON, which has newer manuals. It also contains all the CHARM manuals.

LEMON is the spiritual successor to CHARM, I recommend you try it!

Link: lemon-manuals.la or lemon-manuals.org.ua

(Some people have issue connecting. LEMON is investigating. For now, use Firefox or change your DNS server)

Or, hide this message: temporarily or permanently

Engine Removal




Engine Removal

Special Tools Required

- 2008 V6 Attachment Arm SIL02C000033
- Front Subframe Adapter EQS02BMDXSB0
- Engine Support Hanger, A and Reds AAR-T1256
- Engine Hanger Balance Bar VSB02C000019
- Engine Hanger Adapter Set VSB02C000024
*Available through the Honda Tool and Equipment Program, 888-424-6857.

NOTE:

- Use fender covers to avoid damaging painted surfaces.
- To avoid damaging the wiring and terminals, unplug the wiring connectors carefully while holding the connector portion.
- Mark all wiring and hoses to avoid misconnection. Also, be sure that they do not contact other wiring, or hoses, or interfere with other parts.

1. Open the hood, and secure it with the hood support rod (A) in the wide-open position (B).





2. Relieve the fuel pressure Service and Repair.

3. Drain the power steering fluid Service and Repair.

NOTE: Plug the fluid reservoir and the return hose.

4. Do the battery removal procedure Removal and Replacement.

5. Remove the engine cover.






6. Disconnect the breather pipe (A), then remove the air intake duct (B).






7. Remove the harness clamps (A), then remove the battery base (B).






8. Remove the ground cable (A), the harness clamps (B) and the positive starter cable (C).





9. Remove the shift cable.

NOTE: Do not bend the shift cable excessively.

10. Remove the quick-connect fitting cover (A), then disconnect the fuel feed hose (B) Fuel Line/Quick-Connect Fitting Removal.






11. Remove the transfer breather tube box (A) and disconnect the brake booster vacuum hose (B).





12. Disconnect the EVAP canister hose (C), then remove the EVAP purge joint (D).

13. Center the steering wheel spokes, and install a commercially available steering wheel holder tool (A).






14. Remove the steering joint cover (A).





15. Make a reference mark (B) across the steering joint (C) and steering gearbox pinion shaft (D). Remove the steering joint bolt (E), and loosen the steering joint bolt (F), then disconnect the steering joint from the steering gearbox pinion shaft.

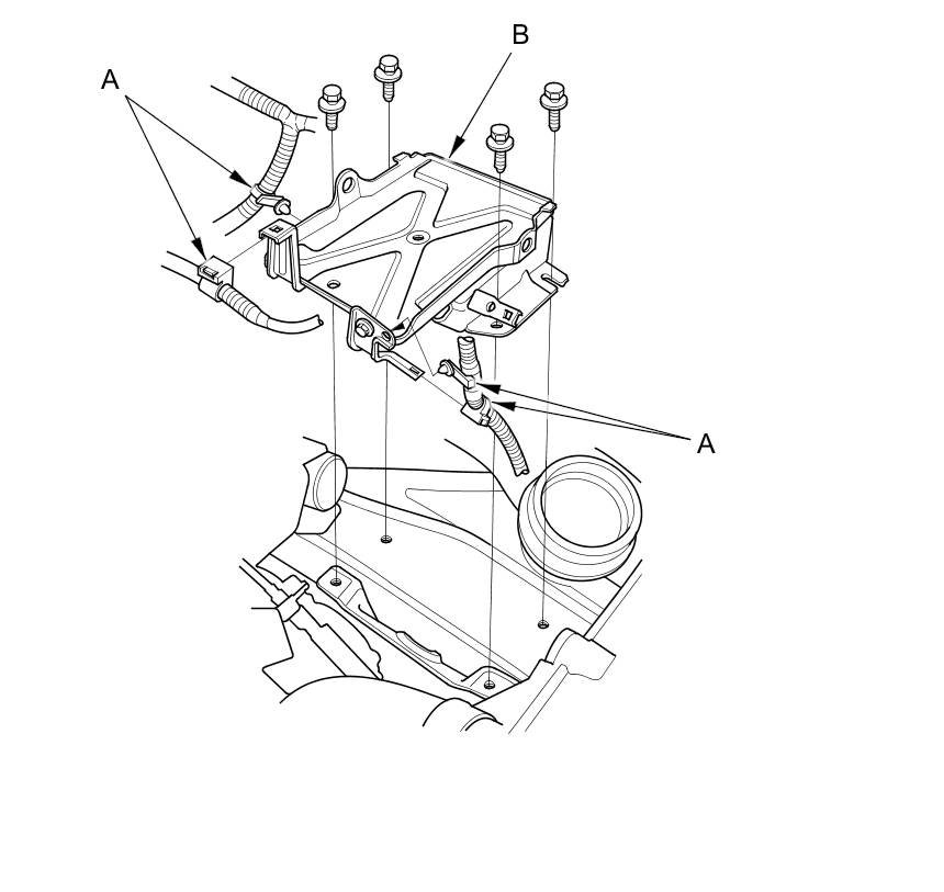
16. Remove the alternator cable (A) from the under-hood fuse/relay box.





17. Disconnect the harness connectors (B).

18. Remove the coolant reservoir from the bracket.

19. Remove the PCM cover.






20. Remove the harness clamps (A), then disconnect the two PCM connectors (B).






21. Remove the drive belt Service and Repair.

22. Disconnect the power steering pump inlet hose (A) and the power steering pump outlet hose (B) from the power steering pump, then plug the power steering hoses and the power steering pump.





23. Remove the power steering hose bracket (C) from the rear cylinder head cover.

24. Remove the radiator cap.

25. Raise the vehicle on the lift.

26. Remove the front wheels.

27. Remove the front splash shield Front Splash Shield Replacement.

28. Loosen the drain plug in the radiator, and drain the engine coolant Service and Repair.

29. Drain the ATF ATF Replacement.

30. Drain the engine oil Service and Repair.

31. Remove the front subframe stiffener.






32. 2009 - 2011 models: Remove the exhaust pipe A.






33. 2012 model: Disconnect the front secondary HO2S connector.





34. 2012 model: Remove the exhaust pipe A.

35. Separate the tie-rod end ball joints from the knuckles.

36. Separate the stabilizer links from the dampers Front Stabilizer Link Removal/Installation.

37. Separate the knuckles from the suspension lower arms.

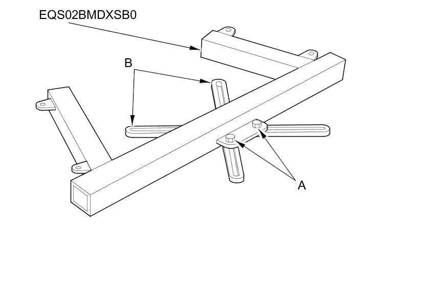
38. Remove the front driveshafts Front Driveshaft Removal. Coat all precision-finished surfaces with new engine oil. Tie plastic bags over the front driveshaft ends.

39. Remove the propeller shaft from the transfer shaft flange Propeller Shaft Removal.

40. Remove the transfer assembly Transfer Assembly Removal.

41. Disconnect the power steering hose (A), then plug the line and the hose.





42. Unclamp the power steering fluid line clamp (B) on the front subframe.

43. Disconnect the power steering pressure switch connector.






44. Remove the transmission lower front mount nuts and the transmission lower rear mount nuts.






45. Remove the rear engine mount mounting bolts.






46. Remove the A/C compressor without disconnecting the A/C hoses. Do not bend the A/C hoses excessively.

NOTE: Hang the A/C compressor with a wire tie.





47. Lower the vehicle on the lift.

48. Disconnect the heater hoses (A).






49. Disconnect the upper radiator hose (A) and the lower radiator hose (B).






50. Disconnect the ATF cooler hoses (A) from the transmission, then plug the ATF cooler hoses and lines.






51. Remove the radiator Service and Repair.

52. Remove the connector bracket (A) from the front cylinder head; use the bracket bolt hole to attach the engine hanger balance bar front arm.






53. Remove the harness clamp bracket (A) from the rear cylinder head; use the bracket bolt hole to attach the 2008 V6 attachment arm (SIL02C000033).






54. Remove the service caps (A) for the front damper flange nuts from the cowl cover (B). Position the engine hanger adapter set (VSB02C000024) with the "FRONT" mark facing forward over the damper flange nuts.






55. Install the engine hanger balance bar (VSB02C000019). Attach the front arm (A) to the front cylinder head with spacer (B) and a 10 x 1.25 mm bolt (C). Remove the rear arm from the balance bar, then install the 2008 V6 attachment arm (SIL02C000033). Attach the 2008V6 attachment arm to the rear cylinder head with an 8 x 1.25 mm bolt (D).





56. Install the engine support hanger (AAR-T1256) onto the vehicle as shown, and attach the hook to the slotted hole in the engine hanger balance bar. Tighten the wing nut (E) by hand, and lift and support the engine/transmission.

NOTE:

- Be careful when working around the windshield.
- AAR-T1256 two sets required for stacking additional cross section bar.

57. Remove the front engine mount stop (A), then remove the front engine mount mounting bolt (B).





58. Raise the vehicle on the lift.

59. Loosen the four bolts (A) holding the adjustable arms (B) of the front subframe adapter (EQS02BMDXSB0) to its center plate.






60. Line up the slots on the subframe adapter arms with the bolt holes on the jack base, then securely attach them with four bolts (A)





61. Raise the jack to vehicle height, then attach the front subframe adapter to the front subframe using the subframe stiffener mounting bolts (B) and the bolt holes.

62. Remove the bolt retainers from both ends of the subframe.






63. Remove the six 12 x 1.25 mm bolts (A) securing the subframe stiffeners (B), the four subframe mounting bolts (C), and the stiffeners, then lower the front subframe (D).






64. Lower the vehicle on the lift.

65. Attach a chain hoist (A) to the engine hanger (B) and the transmission hanger (C), then lift the engine/transmission until it's securely supported by the chain hoist and remove the engine support hanger, the engine hanger balance bar, and the engine hanger adapter set.






66. Remove the side engine mount mounting bolts from the upper half of the side engine mount bracket.






67. Check that the engine/transmission is completely free of the vacuum hoses, the fuel hose, the coolant hoses, and the electrical wiring.

68. Slowly lower the engine/transmission about 150 mm (5.91 in). Check once again that all the hoses and the electrical wiring are disconnected and free from the engine/transmission, then lower it all the way and support it.

69. Disconnect the chain hoist from the engine/transmission.

70. Raise the vehicle on the lift, and remove the engine/transmission from under the vehicle.