Operation CHARM: Car repair manuals for everyone.
Manuals through 2025 now available!

Our trusted friends have launched a new website named LEMON, which has newer manuals. It also contains all the CHARM manuals.

LEMON is the spiritual successor to CHARM, I recommend you try it!

Link: lemon-manuals.la or lemon-manuals.org.ua

(Some people have issue connecting. LEMON is investigating. For now, use Firefox or change your DNS server)

Or, hide this message: temporarily or permanently

Fluids: Specifications




Lubricants and Fluids










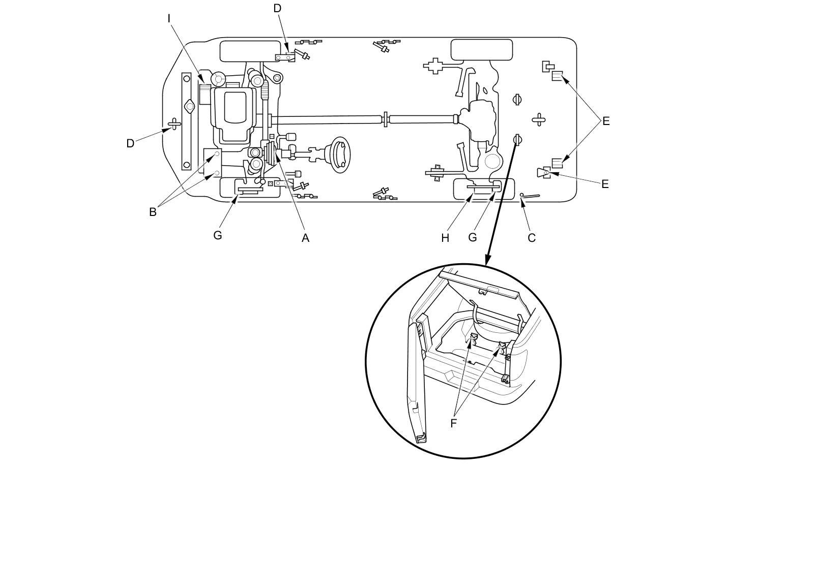
For the details of the lubrication points and the type of lubricants to be applied, refer to the illustrated index and the various work procedures (such as Assembly/Reassembly, Replacement, Overhaul, Installation, etc.) contained in each section.





NOTE:

- Lubricate the following areas using the recommended lubricants and fluids.
- In corrosive areas, more frequent lubrication is necessary.