Operation CHARM: Car repair manuals for everyone.
Manuals through 2025 now available!

Our trusted friends have launched a new website named LEMON, which has newer manuals. It also contains all the CHARM manuals.

LEMON is the spiritual successor to CHARM, I recommend you try it!

Link: lemon-manuals.la or lemon-manuals.org.ua

(Some people have issue connecting. LEMON is investigating. For now, use Firefox or change your DNS server)

Or, hide this message: temporarily or permanently

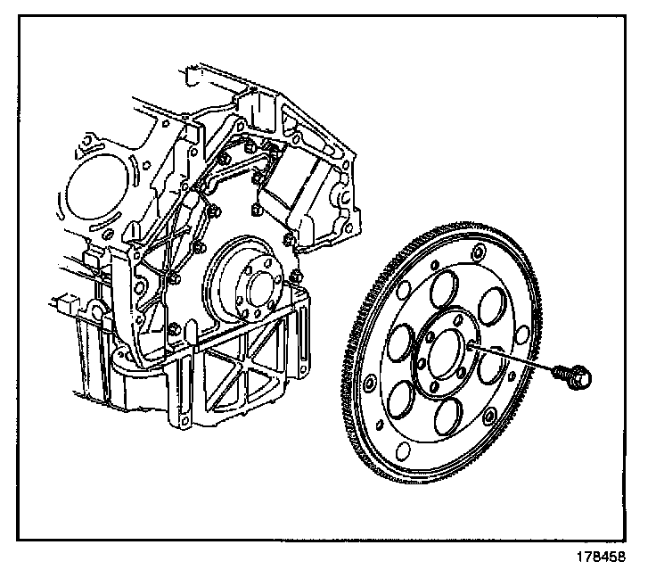
3. Engine Flywheel Removal

ENGINE FLYWHEEL REMOVAL

IMPORTANT: The flywheel does not use a locating pin for alignment and will not initially seat against the crankshaft flange or spacer, if applicable, but will be pulled onto the crankshaft by the engine flywheel bolts. This procedure requires a 3 stage tightening process.




1. Remove the engine flywheel bolts.
2. Remove the automatic transmission engine flywheel.




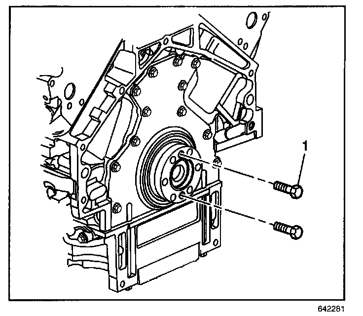
3. Install 2 M11x1.5 mm bolts (1) into the threaded holes of the spacer, if applicable.
4. Rotate the bolts clockwise to remove the spacer.




5. Remove the spacer from the rear of the crankshaft, if applicable.