Operation CHARM: Car repair manuals for everyone.
Manuals through 2025 now available!

Our trusted friends have launched a new website named LEMON, which has newer manuals. It also contains all the CHARM manuals.

LEMON is the spiritual successor to CHARM, I recommend you try it!

Link: lemon-manuals.la or lemon-manuals.org.ua

(Some people have issue connecting. LEMON is investigating. For now, use Firefox or change your DNS server)

Or, hide this message: temporarily or permanently

Removal and Replacement

ENGINE REPLACEMENT

TOOLS REQUIRED
- J 41798 Engine Lift Bracket
- J 21366 Convert Holding Strap

REMOVAL PROCEDURE




1. Remove the hood.
2. Remove hood latch from cowl.
3. Leaving the A/C compressor lines connected remove the condenser mounting bolts and secure to frame rail.
4. Remove the upper radiator support.




5. Reposition the radiator inlet hose camp at the water pump.
6. Remove the radiator inlet hose from the water pump.




7. Reposition the radiator outlet hose clamp at the water pump.
8. Remove the radiator outlet hose from the water pump.
9. Remove the heater hoses.




10. Loosen the intake manifold sight shield bolt.
11. Remove the sight shield from the retainer.




12. Disconnect the throttle body electrical connector.




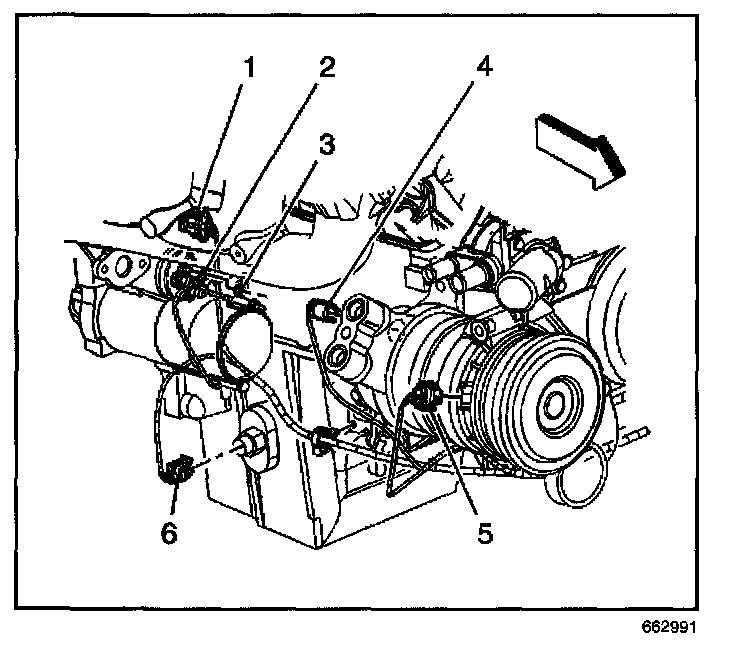
13. Disconnect the following electrical connectors:
- Evaporative emissions (EVAP) canister purge solenoid (1)
- Generator (3)
14. Remove the harness bracket nut (2) in order to remove the engine harness from the intake manifold.




15. Remove the radiator vent inlet hose from the throttle body.




16. Remove the generator cable from the generator, perform the following:
16.1. Slide the boot down revealing the terminal stud.
16.2. Remove the generator cable nut from the terminal stud.
16.3. Remove the generator cable.




17. Disconnect the main coil harness (2) and fuel injector (3) electrical connectors on the left side.




18. Disconnect the following electrical connectors:
- Main coil harness (1)
- Fuel injectors (3)
- Exhaust gas recirculation (EGR) valve (4)




19. Disconnect the manifold absolute pressure (MAP) sensor (1) and knock sensor (2) electrical connectors.




20. Remove the harness ground bolt.
21. Reposition the harness ground and negative battery cable from the block.
22. Disconnect the following electrical connectors:
- Coolant temperature sensor (1)
- Electronic variable orifice switch (2)




23. Remove the harness ground bolt at the right rear of the engine block.
24. Reposition the harness ground from the block.
25. Remove the harness ground bolt at the left rear of the engine block
26. Reposition the harness ground, and engine ground strap from the block.
27. Disconnect the following electrical connectors:
- Oil pressure sensor (1)
- Camshaft position (CMP) sensor (2)
28. Unclip all of the engine harness clips from the engine.




29. Remove the battery cable junction block from the junction block bracket.




30. Remove the EVAP purge solenoid vent tube, perform the following:
- Remove the EVAP tube end (2) from the solenoid (1).
- Remove the EVAP tube end (3) from the vapor pipe.
31. Disconnect the fuel pipes.
32. Raise the vehicle.




33. Disconnect the following electrical connectors:
- The crankshaft position (CKP) sensor (1)
- The engine oil level sensor (6)
- The coolant healer, if equipped




34. Remove the battery cable channel bolt.
35. Slide the channel pin out of the oil pan tab.
36. Gather all branches of the engine wiring harness and reposition of to the side.
37. Lower the vehicle.




38. Remove the rear power steering pump-to-engine block bolt.
39. Remove the generator bracket mounting bolts.
40. Position the bracket aside.




41. Remove the ignition coil, as required for the proper fit of the J 41798 before lifting the engine.

NOTE: Refer to Fastener Notice in Service Precautions.

42. Install the J 41798 to the cylinder heads.

Tighten
- Tighten the M8 engine lift bracket bolts to 25 N.m(18 lb ft).
- Tighten the M1O engine lift bracket bolts to 50 N.m(37 lb ft).




43. Remove the left and right engine mount-to-engine mount bracket bolts.
44. Raise and suitably support the vehicle. Refer to Vehicle Lifting.




45. Remove the engine shield bolts and shield.




46. Remove the ladder shields bolts and plate.
47. Drain the engine oil.




48. Remove the fly wheel to torque converter bolts.




49. Remove the transmission oil level indicator tube nut.




50. Remove the transmission oil level indicator tube.




51. If equipped with the 4L60-E automatic transmission, remove the transmission bolt and stud on the right side.




52. Remove the automatic transmission bolt/studs.
53. Separate the engine from the automatic transmission.
Install the J 21366
54. Lower the vehicle.
55. Install an engine hoist to the J 41798
56. Install a floor jack under the transmission for support.

NOTE: Use care while moving the engine assembly in order to avoid breaking the MAP sensor locating tabs. Broken MAP sensor tabs may result in decreased engine performance.

57. Remove the engine.
58. Install the engine to an engine stand.
59. Remove the engine hoist.




60. Remove the J 41798.

INSTALLATION PROCEDURE

NOTE: Refer to Fastener Notice in Service Precautions.




1. Install the J 41798 to the engine.

Tighten
- Tighten the M8 engine lift bracket bolts to 25 N.m (18 lb ft).
- Tighten the M1O engine lift bracket bolts to 50 N.m(37 lb ft).

2. Install an engine hoist to the J 41798.
3. Remove the engine from the engine stand.
4. Install the engine to the vehicle.
5. Align the engine and transmission.




6. Install the left and right engine mount-to-engine mount bracket bolts.

Tighten
Tighten the engine mount-to-engine mount bracket bolts to 65 N.m (48 lb ft).

7. Install the upper transmission bolts until snug.
8. Remove the floor jack from under the transmission.
9. Remove the engine hoist.




10. Remove the J 41798.




11. Install the ignition coils and the spark plug wires.
12. Raise the vehicle.




13. Remove the J 21366.
14. Install the automatic transmission bolt/studs.




15. Install the transmission converter cover bolts.




16. Install the transmission bolt and stud on the right side.

Tighten
Tighten the automatic transmission bolts/studs to 50 N.m(37 lb ft).




17. Install the automatic transmission oil level indicator tube.




18. Install the automatic transmission oil level indicator tube nut.

Tighten
Tighten the automatic transmission oil level indicator tube nut to 18 N.m (13 lb ft).




19. Install the flywheel to torque converter bolts.

Tighten
If equipped with a 4L60E transmission, tighten the bolts to 63 N.m (47 lb ft).




20. Install exhaust pipes to the exhaust manifolds.
21. Install the positive battery cable clip and bolt.

Tighten
Tighten the positive battery cable clip bolt to 9 N.m (80 lb in).

22. Install the starter motor.
23. Install the engine protection shield.

Tighten
Tighten the oil pan skid plate bolts to 20 N.m (15 lb ft).

24. Lower the vehicle.




25. Install the ground cable to the engine block.

Tighten
Tighten the ground cable bolt to 25 N.m(18 lb ft).

26. Position the generator bracket to the front of the engine.
27. Install the generator bracket bolts until snug.
28. Install the rear power steering pump-to-engine block bolt until snug.

Tighten
- Tighten the rear power steering pump bolt to 50 N.m (371bft).
- Tighten the generator bracket bolts to 50 N.m (37 lb ft).

29. Route the engine wiring harness to the lower engine area.
30. Raise the vehicle.




31. Slide the channel pin into the oil pan tab.
32. Install the battery cable channel bolt.

Tighten
Tighten the battery cable channel bolt to 12 N.m (106 lb in).




33. Connect the to following electrical connectors:
- The CKP sensor(1)
- The engine oil level sensor (6)
- The coolant heater, if equipped
34. Lower the vehicle.
35. Connect the fuel pipes.




36. Install the EVAP purge solenoid vent tube to the solenoid (1).
37. Install the EVAP tube end (3) to the vapor pipe.




38. Install the battery cable junction block to the junction block bracket.
39. Clip all of the engine wiring harness clips to their correct location.




40. Connect the following electrical connectors:
- Oil pressure sensor (1)
- CMP sensor (2)
41. Position the harness ground and the engine ground strap to the block.
42. Install the harness ground bolt at the left rear of the engine block.
43. Position the harness ground to the block.
44. Install the harness ground bolt at the right rear of the engine block.

Tighten
Tighten the harness ground bolts at the rear of the block to 16 N.m (12 lb ft).




45. Connect the following electrical connectors:
- Coolant temperature sensor (1)
- Electronic variable orifice switch (2)
46. Position the harness ground and negative battery cable to the block
47. Install the harness ground bolt.

Tighten
Tighten the harness ground bolt to 25 Nm (18 lb ft).




48. Connect the MAP sensor (1) and knock sensor (2) electrical connectors.




49. Connect the ETC connector (1).




50. Connect the following electrical connectors:
- Main coil harness (1)
- Fuel injectors (3)
- EGR valve (4)




51. Connect the main coil harness (2) and fuel injector (3) electrical connectors on the left side.




52. Install the generator cable to the generator, perform the following:
- Install the generator cable.
- Install the generator cable nut to the terminal stud.

Tighten
Tighten the generator output terminal nut to 9 N.m (80 lb in).

- Slide the boot over the terminal stud.




53. Install the radiator vent inlet hose to the throttle body.
54. Position the vent inlet hose clamp at the throttle body.




55. Install the engine wiring harness bracket and nut (2).

Tighten
Tighten the engine wiring harness bracket nut to 5 N.m (44 lb in).

56. Connect the following electrical connectors:
- EVAP canister purge solenoid (1)
- Generator (3)
57. Install the engine sight shield retainer and bolts.

Tighten
Tighten the engine sight shield retainer bolts to 5 N.m(44 lb in).




58. Install the left fuel rail cover.
59. If equipped with the 6.0L with RPO LQ4, install the engine sight shield to the retainer.
60. Tighten the engine sight shield bolt.

Tighten
Tighten the bolt to 9 N.m (80 lb in).

61. If equipped with the 4.8L, 5.3L, or 6.0L with RPO LQ4, install the engine sight shield to the retainer.
62. Tighten the engine sight shield bolt.

Tighten
Tighten the bolt to 10 N.m (89 lb in).

63. Install the heater hoses.




64. Install the radiator outlet hose to the water pump.
65. Position the radiator outlet hose clamp at the water pump.




66. Install the radiator inlet hose to the water pump.
67. Position the radiator inlet hose clamp at the water pump.
68. Install the radiator supports.
69. Install the A/C compressor.
70. Install the hood.
71. Fill the crankcase with the proper quantity and grade of engine oil. Refer to Capacities - Approximate Fluid or Fluid and Lubricant Recommendations in Maintenance and Lubrication.
72. Perform the CKP system variation learn procedure. Refer to CKP System Variation Learn Procedure in Computers and Control Systems-6.0L.
72.1. Disable the ignition system.
72.2. Crank the engine several times. Listen for any unusual noises or evidence that parts are binding.
72.3. Enable the ignition system.
72.4. Start the engine and listen for unusual noises.
72.5. Check the vehicle oil pressure gauge or light and confirm that the engine has acceptable oil pressure.
72.6. Run the engine speed at about 1000 RPM until the engine has reached normal operating temperature.
72.7. Listen for sticking lifter and other unusual noises.
72.8. Inspect for fuel, oil and/or coolant leaks while the engine is running.
72.9. Perform a final inspection for the proper engine oil and coolant levels.

IMPORTANT: After an overhaul, the engine should be tested. Use the following procedure after the engine is installed in the vehicle.

73. Close the hood.