Operation CHARM: Car repair manuals for everyone.
Manuals through 2025 now available!

Our trusted friends have launched a new website named LEMON, which has newer manuals. It also contains all the CHARM manuals.

LEMON is the spiritual successor to CHARM, I recommend you try it!

Link: lemon-manuals.la or lemon-manuals.org.ua

(Some people have issue connecting. LEMON is investigating. For now, use Firefox or change your DNS server)

Or, hide this message: temporarily or permanently

Steering Column Seal Replacement

STEERING COLUMN SEAL REPLACEMENT

TOOLS REQUIRED
J 42640 Steering Column Lock Pin

REMOVAL PROCEDURE






NOTE:
- Once the steering column is removed from the vehicle, the column is extremely susceptible to damage. Dropping the column assembly on the end could collapse the steering shaft or loosen the plastic injections, which maintain column rigidity. Leaning on the column assembly could cause the jacket to bend or deform. Any of the above damage could impair the columns collapsible design. Do NOT hammer on the end of the shaft, because hammering could loosen the plastic injections, which maintain column rigidity. If you need to remove the steering wheel, refer to the Steering Wheel Replacement procedure.
- The front wheels of the vehicle must be maintained in the straight ahead position and the steering column must be in the LOCK position before disconnecting the steering column or intermediate shaft. Failure to follow these procedures will cause improper alignment of some components during installation and result in damage to the SIR coil assembly.

1. Turn the steering wheel so that the front wheels are pointing straight ahead.
2. Turn the ignition switch to the lock position and remove the key.
3. Lock the steering column through the access hole in the lower steering column trim cover using J 42640.

IMPORTANT: Notice the direction of upper intermediate shaft to steering column pinch bolt for installation. The bolt must be installed in the same direction it was removed.




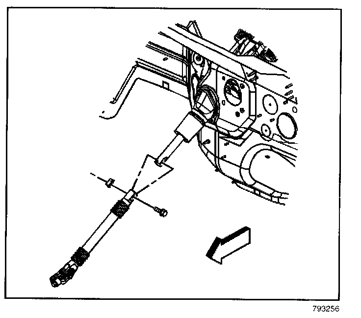
4. Remove the upper intermediate shaft to the lower intermediate shaft pinch bolt.
5. Disconnect the upper intermediate shaft from the lower intermediate shaft.




6. Remove the upper intermediate shaft boot.

INSTALLATION PROCEDURE

NOTE: Refer to Fastener Notice in Service Precautions.




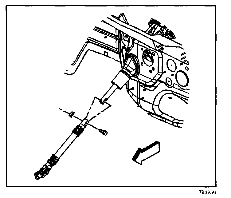
1. Install the upper intermediate shaft boot.

Tighten
Tighten the upper intermediate shaft to boot nuts to 50 N.m (37 lb ft).




2. Connect the upper intermediate shaft to the lower intermediate shaft.
3. Install the upper intermediate shaft to the lower intermediate shaft pinch bolt.

Tighten
Tighten the upper intermediate shaft pinch bolt to 50 N.m (37 lb ft).




4. Unlock the steering column by removing J 42640 from the steering column lower trim cover access hole.