Operation CHARM: Car repair manuals for everyone.
Manuals through 2025 now available!

Our trusted friends have launched a new website named LEMON, which has newer manuals. It also contains all the CHARM manuals.

LEMON is the spiritual successor to CHARM, I recommend you try it!

Link: lemon-manuals.la or lemon-manuals.org.ua

(Some people have issue connecting. LEMON is investigating. For now, use Firefox or change your DNS server)

Or, hide this message: temporarily or permanently

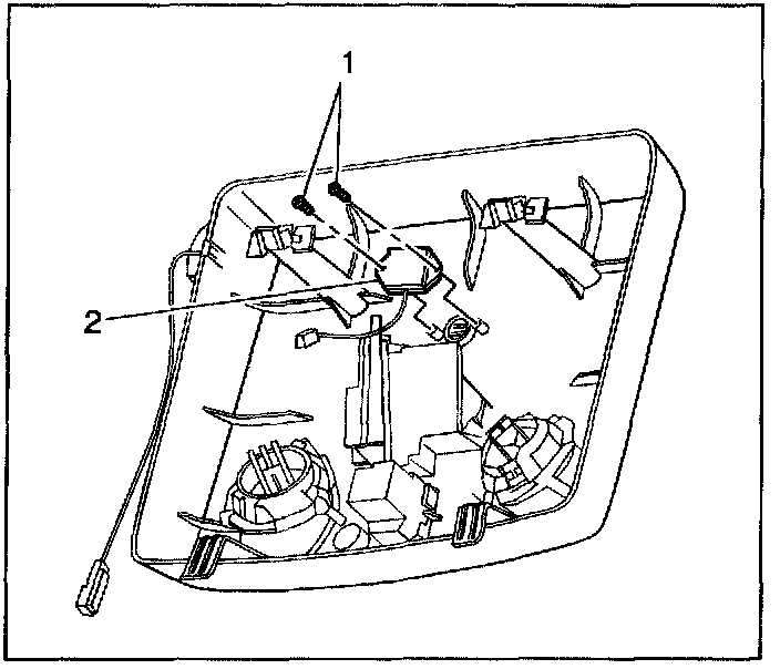
Cellular Phone Microphone: Service and Repair

MICROPHONE REPLACEMENT - RADIO VOLUME COMPENSATOR INTERIOR

REMOVAL PROCEDURE




1. Remove the overhead console.
2. Remove the microphone screws (1).
3. Remove the microphone (2) from the overhead console.

INSTALLATION PROCEDURE




1. Install the microphone (2) to the overhead console.

NOTE: Refer to Fastener Notice in Service Precautions.

2. Install the microphone screws (1).

Tighten
Tighten the microphone screws to 2 N.m (18 lb in).

3. Install the overhead console.