Operation CHARM: Car repair manuals for everyone.
Manuals through 2025 now available!

Our trusted friends have launched a new website named LEMON, which has newer manuals. It also contains all the CHARM manuals.

LEMON is the spiritual successor to CHARM, I recommend you try it!

Link: lemon-manuals.la or lemon-manuals.org.ua

(Some people have issue connecting. LEMON is investigating. For now, use Firefox or change your DNS server)

Or, hide this message: temporarily or permanently

Memory Seat Control Module Replacement

MEMORY SEAT CONTROL MODULE REPLACEMENT

REMOVAL PROCEDURE




1. Remove the seat cushion.
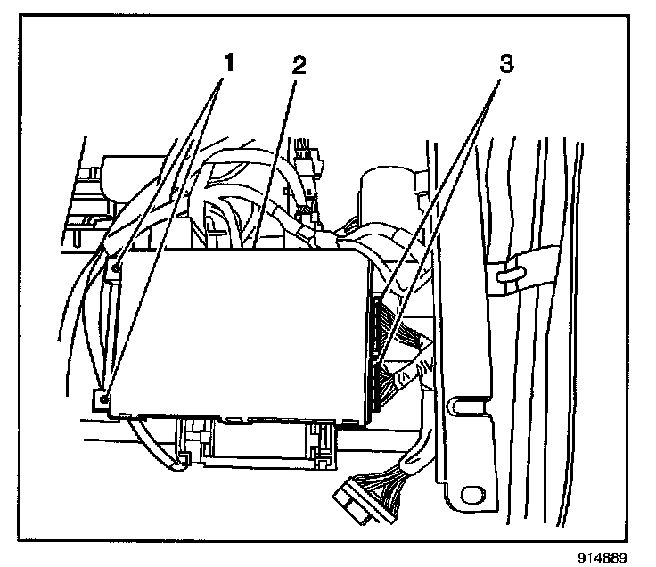
2. Disconnect the upper electrical harness connectors (3).
3. Remove the module (2) retaining screws (1).
4. Slide the module to the right to disengage the lower retainers.




5. Disconnect the lower electrical harness connectors (2).
6. Remove the module from the vehicle.

INSTALLATION PROCEDURE




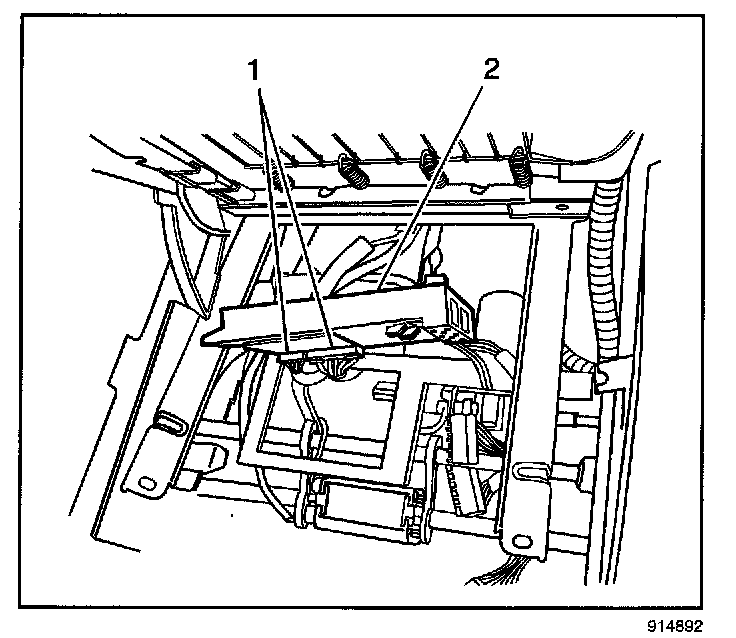
1. Position the module into the vehicle.
2. Connect the lower electrical harness connectors (2).




3. Slide the module (2) to the left to engage the lower retainers.

NOTE: Refer to Fastener Notice in Service Precautions.

4. Install the module retaining screws (3).

Tighten
Tighten the screws to 3 N.m (26 lb in).

5. Connect the upper electrical harness connectors (3).
6. Install the seat cushion.
7. If a new memory seat module was installed, calibrate the seat. Refer to Memory Seat Calibration Procedure.