Operation CHARM: Car repair manuals for everyone.
Manuals through 2025 now available!

Our trusted friends have launched a new website named LEMON, which has newer manuals. It also contains all the CHARM manuals.

LEMON is the spiritual successor to CHARM, I recommend you try it!

Link: lemon-manuals.la or lemon-manuals.org.ua

(Some people have issue connecting. LEMON is investigating. For now, use Firefox or change your DNS server)

Or, hide this message: temporarily or permanently

Engine: Application and ID

ENGINE IDENTIFICATION




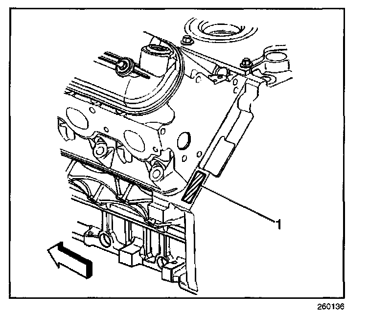
The vehicle identification number (VIN) is located on the left side rear of the engine block (1) and is typically a nine digit number stamped or laser-etched onto the engine at the vehicle assembly plant.
- The first digit identities the division.
- The second digit identifies the model year.
- The third digit identifies the assembly plant.
- The fourth through ninth digits are the last six digits of the VIN.