Operation CHARM: Car repair manuals for everyone.
Manuals through 2025 now available!

Our trusted friends have launched a new website named LEMON, which has newer manuals. It also contains all the CHARM manuals.

LEMON is the spiritual successor to CHARM, I recommend you try it!

Link: lemon-manuals.la or lemon-manuals.org.ua

(Some people have issue connecting. LEMON is investigating. For now, use Firefox or change your DNS server)

Or, hide this message: temporarily or permanently

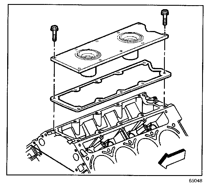
Engine Valley Cover: Service and Repair

ENGINE VALLEY COVER REPLACEMENT

REMOVAL PROCEDURE




1. Remove the intake manifold.
2. Gently pry up the rubber covers.
3. Disconnect the knock sensor electrical connectors.




4. Remove the knock sensors.




5. Remove the engine valley cover bolts.
6. Remove the engine valley cover and gasket.
7. Discard the old gasket.




8. Remove the knock sensor oil seals (1) from the cover (2).
9. Clean and inspect the engine valley cover.

INSTALLATION PROCEDURE

IMPORTANT: All gasket surfaces should be free of oil or other foreign material during assembly.




1. Lubricate the NEW knock sensor seals (1) with clean engine oil.
2. Install the knock sensor oil seals (1) into the engine valley cover (2).




3. Install the engine valley cover and a NEW gasket onto the engine block.

NOTE: Refer to Fastener Notice in Service Precautions.

4. Install the engine valley cover bolts.

Tighten
Tighten the bolts to 25 N.m (18 lb ft).




5. Install the knock sensors.

Tighten
Tighten the sensors to 20 N.m (15 lb ft).




6. Connect the knock sensor electrical connectors.
7. Push down on the rubber covers.
8. Install the intake manifold.