Operation CHARM: Car repair manuals for everyone.
Manuals through 2025 now available!

Our trusted friends have launched a new website named LEMON, which has newer manuals. It also contains all the CHARM manuals.

LEMON is the spiritual successor to CHARM, I recommend you try it!

Link: lemon-manuals.la or lemon-manuals.org.ua

(Some people have issue connecting. LEMON is investigating. For now, use Firefox or change your DNS server)

Or, hide this message: temporarily or permanently

Oil Level Sensor: Service and Repair

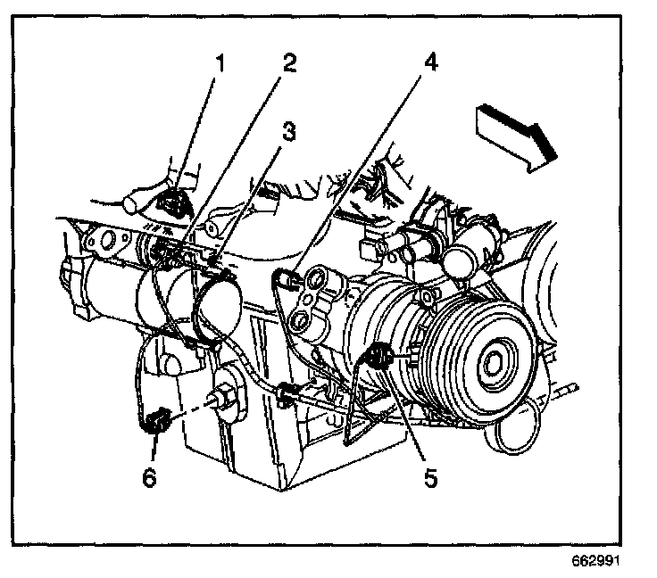
ENGINE OIL LEVEL SENSOR AND/OR SWITCH REPLACEMENT

REMOVAL PROCEDURE




1. Drain the engine oil. Refer to Engine Oil and Oil Filter Replacement.
2. Disconnect the oil level sensor electrical connector (6).




3. Remove the oil level sensor from the oil pan.

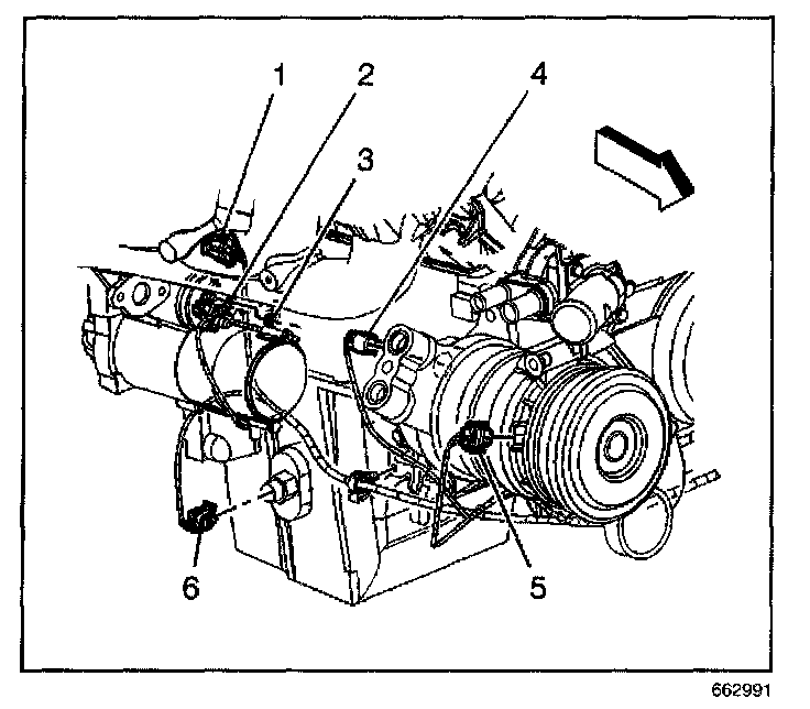
INSTALLATION PROCEDURE

NOTE: Refer to Fastener Notice in Service Precautions.




1. Install the oil level sensor to the oil pan.

Tighten
Tighten the oil level sensor to 13 N.m (115 lb in).




2. Connect the oil level sensor electrical connector (6).
3. Fill the engine oil. Refer to Engine Oil and Oil Filter Replacement.