Operation CHARM: Car repair manuals for everyone.
Manuals through 2025 now available!

Our trusted friends have launched a new website named LEMON, which has newer manuals. It also contains all the CHARM manuals.

LEMON is the spiritual successor to CHARM, I recommend you try it!

Link: lemon-manuals.la or lemon-manuals.org.ua

(Some people have issue connecting. LEMON is investigating. For now, use Firefox or change your DNS server)

Or, hide this message: temporarily or permanently

Oil Pan: Service and Repair

OIL PAN REPLACEMENT

REMOVAL PROCEDURE




1. Remove the front differential.
2. Remove the starter motor.
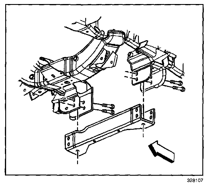
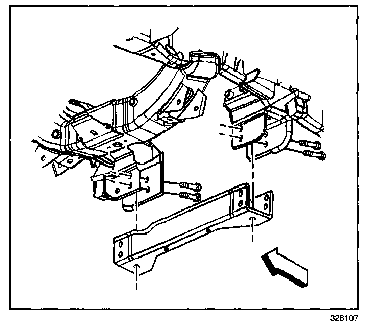
3. Remove the crossbar bolts.
4. Remove the crossbar.




5. Remove the transmission cover bolt and cover.
6. Drain the engine oil and remove the engine oil filter.
7. Re-install the drain plug and oil filter until snug.




8. Remove the transmission bolt and stud on the right side.




9. Remove the bottom bolt on the left side.




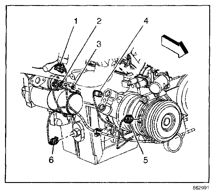
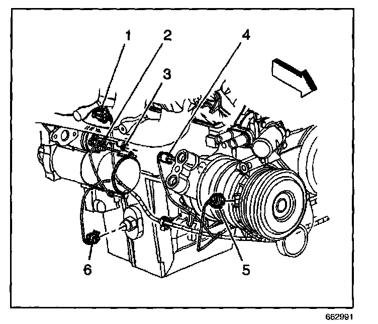
10. Disconnect the oil level sensor electrical connector (6).




11. Remove the battery cable channel bolt.
12. Slide the channel pin out of the oil pan tab.




13. Remove the following from the positive battery cable clip:
- Engine wiring harness clip
- Positive battery cable clip




14. Remove the engine oil cooler lines from the positive battery cable clip.
15. Remove the positive battery cable clip bolt and clip.




16. Remove the oil pan bolts.
17. Remove the oil pan.

IMPORTANT: DO NOT allow foreign material to enter the oil passages of the oil pan, cap or cover the openings as required.




18. Drill (3) out the oil pan gasket retaining rivets (2), if required.
19. Remove the gasket (1) from the pan.
20. Discard the gasket and rivets.
21. Clean and inspect the engine oil pan.

INSTALLATION PROCEDURE

IMPORTANT:
- The alignment of the structural oil pan is critical. The rear bolt hole locations of the oil pan provide mounting points for the transmission bellhousing. To ensure the rigidity of the powertrain and correct transmission alignment, it is important that the rear of the block and the rear of the oil pan must NEVER protrude beyond the engine block and transmission bellhousing plane.
- Do not reuse the oil pan gasket.
- It is not necessary to rivet the NEW gasket to the oil pan.




1. Apply a 5 mm (0.20 in) bead of sealant GM P/N 12378190, or equivalent 20 mm (0.80 in) long to the engine block. Apply the sealant directly onto the tabs of the front cover gasket that protrudes into the oil pan surface.




2. Apply a 5 mm (0.20 in) bead of sealant GM P/N 12378190, or equivalent 20 mm (0.8 in) long to the engine block. Apply the sealant directly onto the tabs of the rear cover gasket that protrudes into the oil pan surface.

IMPORTANT: Be sure to align the oil gallery passages in the oil pan and engine block properly with the oil pan gasket.




3. Pre-assemble the oil pan gasket to the pan.
- Install the gasket onto the pan.
- Install the oil pan bolts to the pan and through the gasket.
4. Install the oil pan, gasket and bolts to the engine block.
5. Tighten the oil pan bolts until snug. Do not overtighten.




6. Install the transmission bolt and stud on the right side until snug.

NOTE: Refer to Fastener Notice in Service Precautions.




7. Install the bottom bolt on the left side until snug.

Tighten
7.1. Tighten the oil pan and oil pan-to-oil pan front cover bolts to 25 N.m (18 lb ft).
7.2. Tighten the oil pan-to-rear core bolts to 12 N.m(106 lb in).
7.3. Tighten the bellhousing, converter cover, and transmission bolts/stud to 50 N.m (37 lb ft).




8. Install the positive battery cable clip and bolt to the oil pan.

Tighten
Tighten the positive battery cable clip bolt to 9 N.m (80 lb in).

9. Install the engine oil cooler lines to the positive battery cable clip.




10. Install the following to the positive battery cable clip:
- Engine wiring harness clip
- Positive battery cable clip




11. Slide the channel pin in to the oil pan tab.
12. Install the battery cable channel bolt.

Tighten
Tighten the battery cable channel bolt to 12 N.m (106 lb in).




13. Connect the oil level sensor electrical connector (6).




14. Install the transmission cover and bolt.

Tighten
Tighten the transmission cover bolt to 12 N.m (106 lb in).




15. Install the crossbar.
16. Install the crossbar bolts.

Tighten
Tighten the crossbar bolts to 100 N.m (74 lb ft).

17. Install the starter motor.
18. Install the front differential.
19. Install new engine oil and a new oil filter.