Operation CHARM: Car repair manuals for everyone.
Manuals through 2025 now available!

Our trusted friends have launched a new website named LEMON, which has newer manuals. It also contains all the CHARM manuals.

LEMON is the spiritual successor to CHARM, I recommend you try it!

Link: lemon-manuals.la or lemon-manuals.org.ua

(Some people have issue connecting. LEMON is investigating. For now, use Firefox or change your DNS server)

Or, hide this message: temporarily or permanently

Intake Manifold Replacement

INTAKE MANIFOLD REPLACEMENT

REMOVAL PROCEDURE

IMPORTANT: The intake manifold, throttle body, fuel rail, and injectors may be removed as an assembly. If not servicing the individual components, remove the manifold as a complete assembly.




1. Remove the throttle body.
2. Remove the fuel injectors.
3. Disconnect the following electrical connectors:
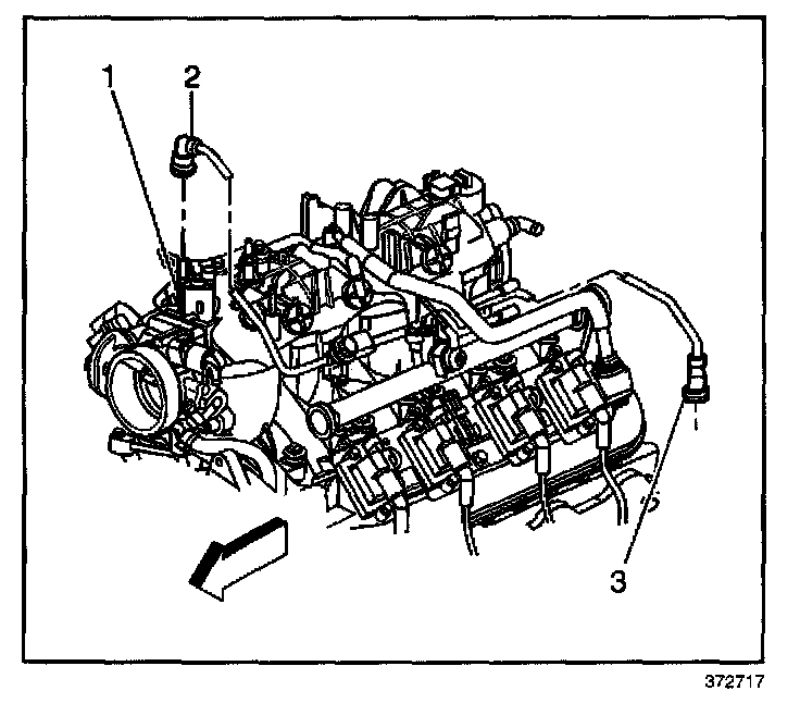
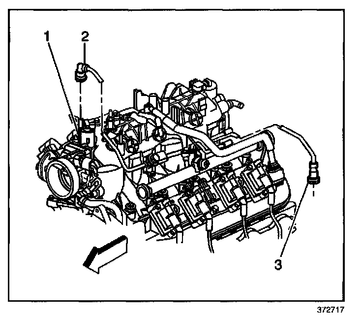
- Manifold absolute pressure (MAP) sensor (1)
- Knock sensor (2)
4. Remove the knock sensor harness electrical connector from the intake manifold.
5. Set the electrical harness aside.




6. Remove the MAP sensor (1) from the intake manifold.




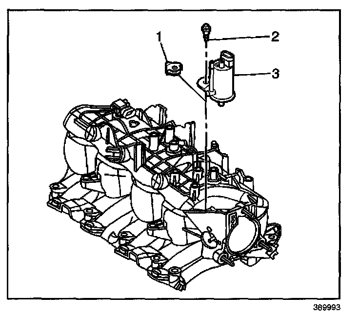
7. Remove the evaporative emission (EVAP) purge solenoid vent tube by performing the following:
7.1. Remove the EVAP tube end (2) from the solenoid (1).
7.2. Squeeze the EVAP pipe quick connect lifting (3) retainer together.
7.3. Remove the EVAP tube end (3) from the vapor pipe.




8. Remove the EVAP purge solenoid bolt (2), solenoid (3), and isolator (1) from the intake manifold.




9. Remove the intake manifold bolts.
10. Remove the intake manifold.




11. Remove the intake manifold gaskets (1) from the intake manifold.
12. Discard the old intake manifold gaskets.
13. Clean and inspect the intake manifold.

INSTALLATION PROCEDURE




1. Install new intake manifold gaskets (1) to the intake manifold.




2. Install the intake manifold.
3. Apply a 5 mm (0.20 in) band of threadlike GM U.S. P/N 12345382 (Canadian P/N 10953489) or equivalent to the threads of the intake manifold bolts.

NOTE: Refer to Fastener Notice in Service Precautions.

Intake Manifold Tightening Sequence:




4. Install the intake manifold bolts.

Tighten
4.1. Tighten the intake manifold bolts a first pass in sequence to 5 N-m (44 lb in).
4.2. Tighten the intake manifold bolts a final pass in sequence to 10 N-m (89 lb in).




5. Install the EVAP purge solenoid vent tube to the solenoid (1) and vapor pipe.

IMPORTANT: Lightly coat the MAP sensor seal with clean engine oil before installing.




6. Install the MAP sensor (1) to the intake manifold.




7. Route the electrical harness into position over the engine.
8. Connect the knock sensor harness electrical connector to the intake manifold.
9. Connect the following electrical connectors.
- MAP sensor (1)
- Knock sensor (2)
10. Install the fuel injectors.
11. Install the throttle body.