Operation CHARM: Car repair manuals for everyone.
Manuals through 2025 now available!

Our trusted friends have launched a new website named LEMON, which has newer manuals. It also contains all the CHARM manuals.

LEMON is the spiritual successor to CHARM, I recommend you try it!

Link: lemon-manuals.la or lemon-manuals.org.ua

(Some people have issue connecting. LEMON is investigating. For now, use Firefox or change your DNS server)

Or, hide this message: temporarily or permanently

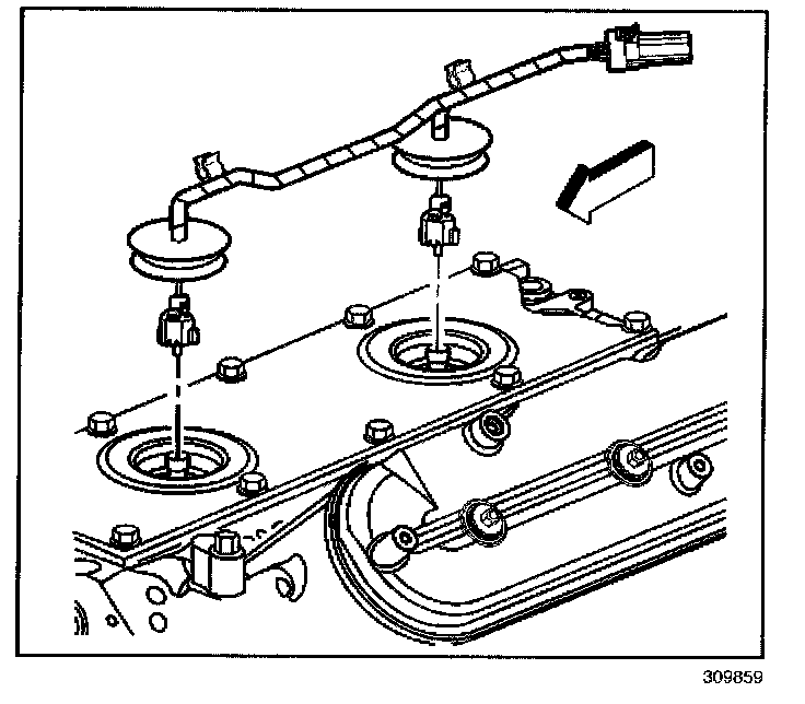
12. Engine Block Valley Cover Removal

ENGINE VALLEY COVER REMOVAL




1. Remove the knock sensor wire harness.




2. Remove the knock sensors.




3. Remove the valley cover bolts.
4. Remove the valley cover and gasket.
5. Discard the valley cover gasket.




6. Remove the knock sensor oil seals (520) from the cover (555).