Operation CHARM: Car repair manuals for everyone.
Manuals through 2025 now available!

Our trusted friends have launched a new website named LEMON, which has newer manuals. It also contains all the CHARM manuals.

LEMON is the spiritual successor to CHARM, I recommend you try it!

Link: lemon-manuals.la or lemon-manuals.org.ua

(Some people have issue connecting. LEMON is investigating. For now, use Firefox or change your DNS server)

Or, hide this message: temporarily or permanently

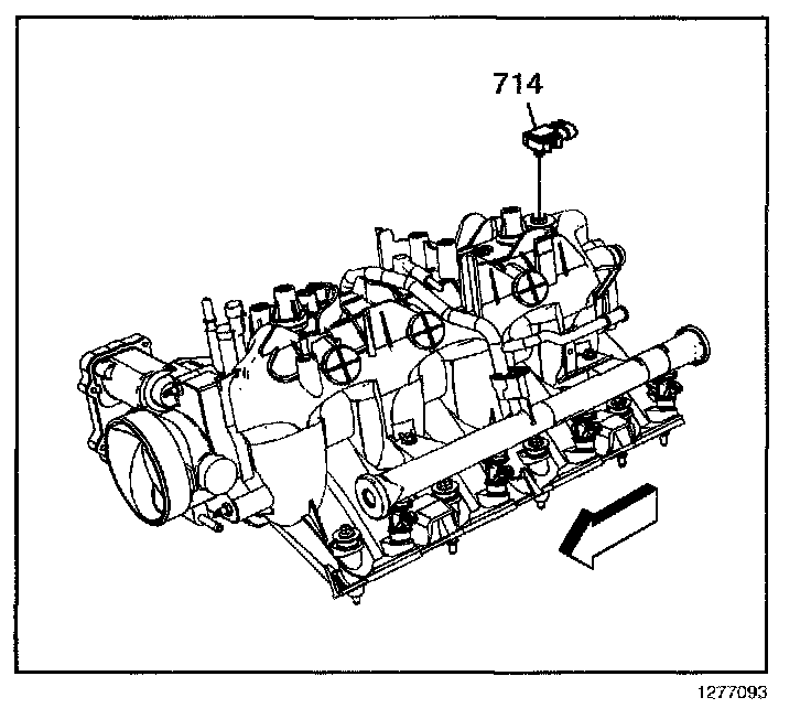
83. Intake Manifold Installation

INTAKE MANIFOLD INSTALLATION

IMPORTANT:
- The intake manifold, throttle body, fuel injection rail and fuel injectors may be removed as an assembly. If not servicing the individual components, install the intake manifold as a complete assembly.
- DO NOT use the old intake manifold gaskets again. Install NEW intake manifold-to-cylinder head gaskets.




1. Install NEW intake manifold-to-cylinder head gaskets (514).




2. Install the intake manifold.
3. Apply a 5 mm (0.20 in) band of threadlike GM P/N 12345382 (Canadian P/N 10953489) or equivalent to the threads of the intake manifold bolts. Refer to Sealers, Adhesives, and Lubricants.

NOTE: Refer to Fastener Notice in Service Precautions.




4. Install the intake manifold bolts.

Tighten
4.1. Tighten intake manifold bolts first pass in sequence to 5 N.m (44 lb in).
4.2. Tighten intake manifold bolts final pass in sequence to 10 N.m (89 lb in).




5. Install the mannitol absolute pressure (MAP) sensor (714), if previously removed.
The electrical connector end of the sensor should be facing the front of the engine.




6. Install the positive crankcase ventilation (PCV) hose.
7. Install the engine coolant air bleed hose and clamp onto the throttle body.




8. Install the evaporative emission (EVAP) purge solenoid (708) bolt (710), and isolator (709).

Tighten
Tighten the solenoid bolt to 10 N.m (89 lb in).