Operation CHARM: Car repair manuals for everyone.
Manuals through 2025 now available!

Our trusted friends have launched a new website named LEMON, which has newer manuals. It also contains all the CHARM manuals.

LEMON is the spiritual successor to CHARM, I recommend you try it!

Link: lemon-manuals.la or lemon-manuals.org.ua

(Some people have issue connecting. LEMON is investigating. For now, use Firefox or change your DNS server)

Or, hide this message: temporarily or permanently

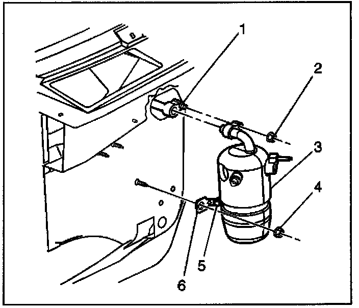
Accumulator HVAC: Service and Repair

ACCUMULATOR REPLACEMENT

TOOLS REQUIRED
J 39400-A Halogen Leak Detector

REMOVAL PROCEDURE




1. Recover the refrigerant. Refer to Refrigerant Recovery and Recharging.
2. Disconnect the electrical connector from the A/C low pressure switch.
3. Remove the compressor hose nut from the accumulator.
4. Remove the compressor hose from the accumulator.
5. Remove the nut (2) from the evaporator fitting.
6. Remove the accumulator bracket nut (4) from the retaining stud.
7. Remove the accumulator (3).
8. Remove the retaining bracket bolt (5).
9. Remove the retaining bracket (6) from the accumulator (3).
10. Remove and discard the O-ring seals.

INSTALLATION PROCEDURE




1. Add the proper amount of PAG oil to the accumulator. Refer to Refrigerant System Capacities.
2. Install new O-ring seals.
3. Install the retaining bracket (6) to the accumulator.

NOTE: Refer to Fastener Notice in Service Precautions.

4. Install the retaining bracket bolt (5).

Tighten
Tighten the bolt to 10 N.m (89 lb in).

5. Install the accumulator (3).
6. Install the accumulator bracket nut (4).

Tighten
Tighten the nut to 9 N.m (80 lb in).

7. Install the nut (2) to the evaporator fitting.

Tighten
Tighten the nut to 16 N.m (12 lb ft).

8. Install the compressor hose to the accumulator.
9. Install the compressor hose nut to the accumulator.

Tighten
Tighten the nut to 16 N.m (12 lb ft).

10. Connect the electrical connector to the A/C low pressure switch.
11. Evacuate and recharge the system. Refer to Refrigerant Recovery and Recharging.
12. Leak test the fittings of the component using the J 39400-A.