Operation CHARM: Car repair manuals for everyone.
Manuals through 2025 now available!

Our trusted friends have launched a new website named LEMON, which has newer manuals. It also contains all the CHARM manuals.

LEMON is the spiritual successor to CHARM, I recommend you try it!

Link: lemon-manuals.la or lemon-manuals.org.ua

(Some people have issue connecting. LEMON is investigating. For now, use Firefox or change your DNS server)

Or, hide this message: temporarily or permanently

Compressor Replacement

COMPRESSOR REPLACEMENT

TOOLS REQUIRED
J 39400-A Halogen Leak Detector

REMOVAL PROCEDURE




1. Recover the refrigerant. Refer to Refrigerant Recovery and Recharging.
2. Remove the fan shroud.
3. Install a ratchet into the air conditioning (A/C) belt tensioner adapter opening.
4. Rotate the A/C belt tensioner clockwise in order to relieve the tension on the belt.
5. Remove the A/C belt from the A/C compressor.
6. Slowly release the tension on the A/C belt tensioner.




7. Remove the A/C discharge hose bolt from the A/C compressor.
8. Remove the A/C discharge hose from the A/C compressor.
9. Remove the A/C suction hose bolt from the A/C compressor.
10. Remove the A/C suction hose from the A/C compressor.
11. Discard the sealing washers.
12. Cap or tape all of the hose and line ends.
13. Disconnect the electrical connector from the A/C compressor coil.
14. Remove the A/C compressor mounting bolts.
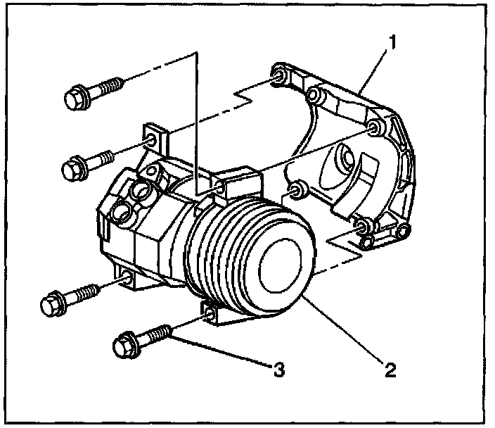
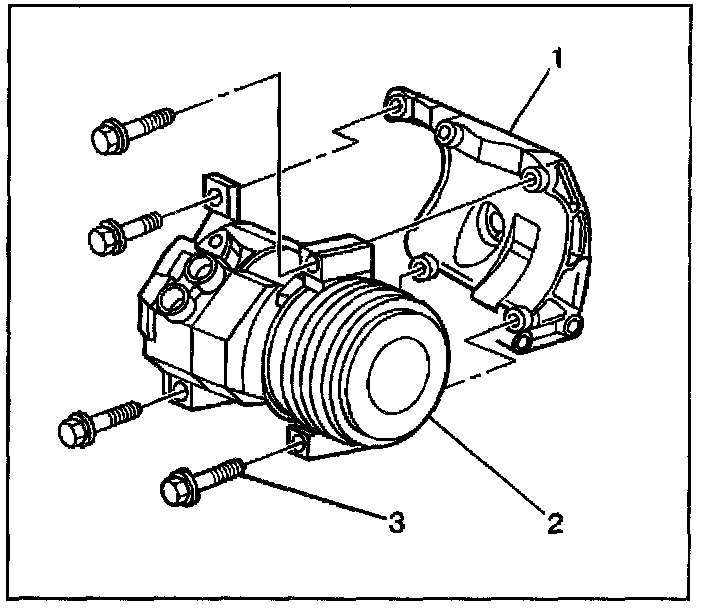
15. Remove the A/C compressor (2) from the bracket (1).
16. If replacing the A/C compressor. Refer to Compressor Oil Balancing

INSTALLATION PROCEDURE




1. Add the proper amount of PAG oil to the compressor crankcase. Refer to Refrigerant System Capacities.
2. Install the A/C compressor (2) to the bracket (1).

NOTE: Refer to Fastener Notice in Service Precautions.

3. Install the A/C compressor mounting bolts.

Tighten
Tighten the bolts to 50 N.m (37 lb ft).

4. Connect the electrical connector to the A/C compressor coil.
5. Remove the caps or tape from the hose and line ends.
6. Install the new sealing washers.
7. Install the A/C suction hose to the compressor.
8. Install the A/C suction hose bolt to the A/C compressor.

Tighten
Tighten the bolt to 16 N.m (12 lb ft).

9. Install the A/C discharge hose to the A/C compressor.
10. Install the A/C discharge hose bolt to the A/C compressor.

Tighten
Tighten the bolt to 16 N.m (12 lb ft).

11. Install the A/C drive belt.
12. install the fan shroud.
13. Evacuate and recharge the A/C system. Refer to Refrigerant Recovery and Recharging.
14. Leak test the fittings of the component using the J 39400-A.