Operation CHARM: Car repair manuals for everyone.
Manuals through 2025 now available!

Our trusted friends have launched a new website named LEMON, which has newer manuals. It also contains all the CHARM manuals.

LEMON is the spiritual successor to CHARM, I recommend you try it!

Link: lemon-manuals.la or lemon-manuals.org.ua

(Some people have issue connecting. LEMON is investigating. For now, use Firefox or change your DNS server)

Or, hide this message: temporarily or permanently

Housing Assembly HVAC: Service and Repair

HVAC MODULE ASSEMBLY REPLACEMENT

TOOLS REQUIRED
J 43181 Quick Connect Connector Removal Tool

REMOVAL PROCEDURE




1. Drain the engine coolant. Refer to Draining and Filling Cooling System in Cooling System.
2. Using the J 43181 disconnect the inlet heater hose from the heater core.
2.1. Install the J 43181 to the heater core pipe.
2.2. Close the tool around the heater core pipe.
2.3. Firmly pull the tool into the quick connect end of the heater hose.
2.4. Firmly grasp the heater hose. Pull the heater hose forward in order to disengage the inlet hose from the heater core.
3. Using the J 43181 disconnect the surge tank outlet hose from the heater core.
3.1. Install the J 43181 to the heater core pipe.
3.2. Close the tool around the heater core pipe.
3.3. Firmly pull the tool into the quick connect end of the heater hose.
3.4. Firmly grasp the heater hose. Pull the heater hose forward in order to disengage the surge tank outlet hose from the heater core.
4. Remove the accumulator.
5. Remove the instrument panel carrier.




6. Remove the HVAC module drain hose.
7. Disconnect the electrical harnesses and the ground connections from the HVAC module assembly.
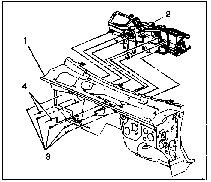
8. Remove the nuts (4) from the HVAC module assembly (2).
9. Remove the bolts (3) from the HVAC module assembly (2).
10. Remove the HVAC module assembly (2) from the vehicle (1).

INSTALLATION PROCEDURE




1. If replacing the HVAC module, transfer the components from the old HVAC module as necessary.
2. Install the HVAC module assembly (2) to the vehicle (1).

NOTE: Refer to Fastener Notice in Service Precautions.

3. Install the nuts (4) to the HVAC module assembly (2).

Tighten
Tighten the nuts to 9 N.m (80 lb in).

4. Install the bolts (4) to the HVAC module assembly (2).

Tighten
Tighten the bolts to 4 N.m (35 lb in).

5. Connect the electrical harnesses and the ground connections.
6. Install the HVAC module drain hose.




7. Install the instrument panel carrier.
8. Install the accumulator.
9. Install the surge tank outlet hose to the heater core.

IMPORTANT: Firmly push the quick connect onto the heater core pipe until you hear an audible click.

10. Pull the surge tank outlet hose to ensure the connection.
11. Install the inlet heater hose to the heater core.

IMPORTANT: Firmly push the quick connect onto the heater core pipe until you hear an audible click.

12. Pull the inlet heater hose to ensure the connection.
13. Fill the engine coolant. Refer to Draining and Filling Cooling System in Cooling System.