Blower Motor Control Processor Replacement
BLOWER MOTOR CONTROL PROCESSOR REPLACEMENTREMOVAL PROCEDURE
1 Remove the I/P insulator panel.
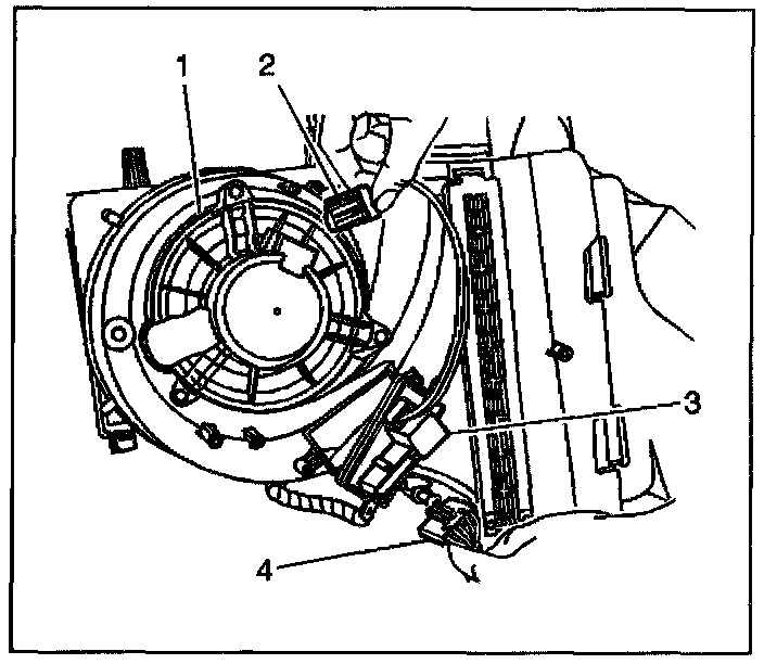
2. Disconnect the electrical connector (2) from the blower motor (1).
3. Disconnect the electrical connector (4) from the blower motor control processor (3).
4. Remove the screws from the blower motor control processor (3).
5. Remove the blower motor control processor (3) from the HVAC module assembly.
INSTALLATION PROCEDURE
1. Install the blower motor control processor (3) to the HVAC module assembly.
NOTE: Refer to Fastener Notice in Service Precautions.
2. Install the screws to the blower motor control processor (3).
Tighten
Tighten the screws to 1.6 N.m (14 lb in).
3. Connect the electrical connector (4) to the blower motor control processor (3).
4. Connect the electrical connector (2) to the blower motor (1).
5. Install the I/P insulator panel.