Operation CHARM: Car repair manuals for everyone.
Manuals through 2025 now available!

Our trusted friends have launched a new website named LEMON, which has newer manuals. It also contains all the CHARM manuals.

LEMON is the spiritual successor to CHARM, I recommend you try it!

Link: lemon-manuals.la or lemon-manuals.org.ua

(Some people have issue connecting. LEMON is investigating. For now, use Firefox or change your DNS server)

Or, hide this message: temporarily or permanently

Suction Hose Replacement

SUCTION HOSE REPLACEMENT

TOOLS REQUIRED
J 39400-A Halogen Leak Detector

REMOVAL PROCEDURE




1. Recover the refrigerant. Refer to Refrigerant Recovery and Recharging.
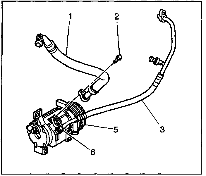
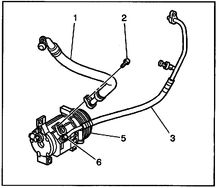
2. Remove the suction hose mounting bolt (2) from the A/C compressor (4).
3. Remove the suction hose (1) from the A/C compressor (4).




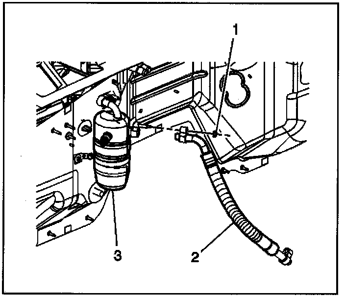
4. Remove the suction hose nut (1) from the accumulator (3).
5. Remove the suction hose (2) from the accumulator (3).
6. Remove the suction hose (2) from the vehicle.
7. Discard all of the used sealing washers.
8. Cap all of the A/C system openings.

INSTALLATION PROCEDURE




1. Install the suction hose assembly to the vehicle.
2. Install the new sealing washers.
3. Install the suction hose (2) to the accumulator (3).

NOTE: Refer to Fastener Notice in Service Precautions.

4. Install the suction hose nut (1) to the accumulator (3).

Tighten
Tighten the nut to 16 N.m (12 lb ft).




5. Install the suction hose (1) to the compressor (4).
6. Install the suction hose mounting bolt (2) to the A/C Compressor (4).

Tighten
Tighten the bolt to 16 N.m (12 lb ft).

7. Evacuate and recharge the A/C system. Refer to Refrigerant Recovery and Recharging.
8. Leak test the fittings of the component using the J 39400-A.