Operation CHARM: Car repair manuals for everyone.
Manuals through 2025 now available!

Our trusted friends have launched a new website named LEMON, which has newer manuals. It also contains all the CHARM manuals.

LEMON is the spiritual successor to CHARM, I recommend you try it!

Link: lemon-manuals.la or lemon-manuals.org.ua

(Some people have issue connecting. LEMON is investigating. For now, use Firefox or change your DNS server)

Or, hide this message: temporarily or permanently

Fuel Rail: Service and Repair

FUEL RAIL ASSEMBLY REPLACEMENT

REMOVAL PROCEDURE

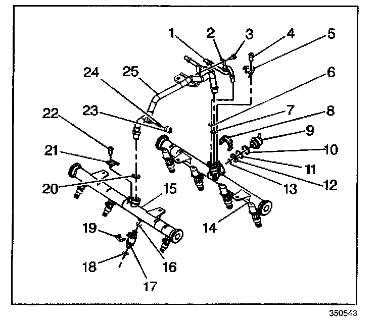
IMPORTANT: An eight-digit identification number (1) is located on the fuel rail. Refer to this model identification number if service or part replacement is required.




1. Remove the engine sight shield.
2. Before removal, if necessary, clean the fuel rail assembly with a spray type engine cleaner, use GM X-30A or equivalent. Follow the package instructions. Do not soak fuel rail assembly in any liquid cleaning solvents.




3. Remove the upper engine wire harness retainer nut.
4. Disconnect the evaporative emission (EVAP) purge solenoid electrical connector.
5. Reposition the upper engine wire harness aside.
6. Relieve the fuel system pressure.




7. Mark the electrical connectors to their corresponding injectors to ensure correct sequential injector firing order after reassembly.

IMPORTANT: When disconnecting the Multec(R) 2 fuel injector connectors, DO NOT use pliers or other hand tools, as the connector ends may become mangled and be rendered unusable.

8. Pull the connector position assurance (CPA) (2) on the injector connector up.
9. Push the tab (1) on the injector connector in.




10. While pushing the tab (1) on the injector connector in, release the CPA (2).
11. Disconnect the fuel injector connector electrical connector.
12. Repeat the steps for each injector connector.

NOTE:
- Remove the fuel rail assembly carefully in order to prevent damage to the injector electrical connector terminals and the injector spray tips. Support the fuel rail after the fuel rail is removed in order to avoid damaging the fuel rail components.
- Cap the fittings and plug the holes when servicing the fuel system in order to prevent dirt and other contaminants from entering open pipes and passages.




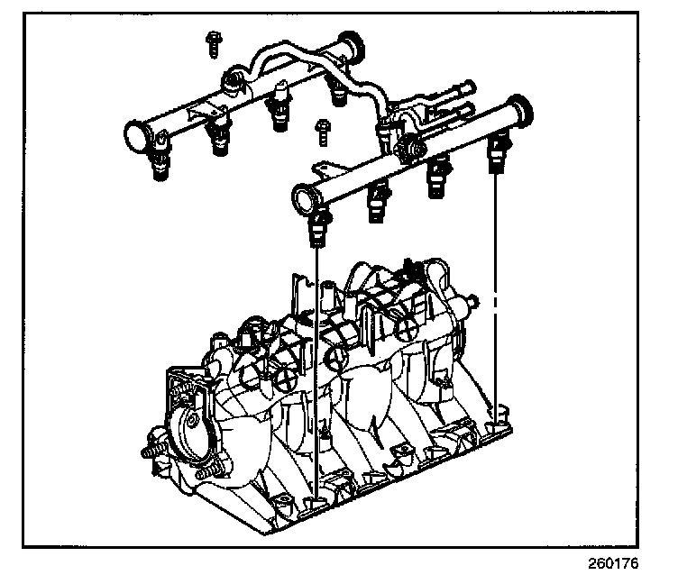
13. Disconnect the fuel feed and return pipes (1, 2) from the fuel rail.
14. Disconnect the fuel pressure regulator vacuum line.




15. Loosen the retaining clip attaching screw (22) at the right hand fuel rail.




16. Remove the fuel rail bolts.
17. Remove the fuel rail.




18. Remove and discard the fuel injector lower O-ring seals (4) from the injectors (3).

INSTALLATION PROCEDURE




1. Lubricate the NEW fuel injector lower O-ring seals (4) with clean engine oil.
2. Install the NEW O-ring seals (4) to the end of each fuel injector (3).




3. Remove the retaining clip attaching screw (22) and crossover pipe retainer (21) to the right hand fuel rail.
4. Remove the crossover pipe rail (25) from the right fuel rail (15).
5. Remove the crossover pipe O-ring (20).
6. Lubricate a NEW O-ring (20) with clean engine oil.
7. Install a NEW crossover pipe O-ring (20) on the crossover pipe (25).
8. Install the crossover pipe (25) into the right fuel rail (15).

IMPORTANT: When installing the retaining clip attaching screw for the crossover pipe, always start the screw by hand. This will prevent consequent stripping of the threads in the fuel rail.

9. Loosely install the crossover pipe retainer (21) and retaining clip attaching screw (22) to the right hand fuel rail.




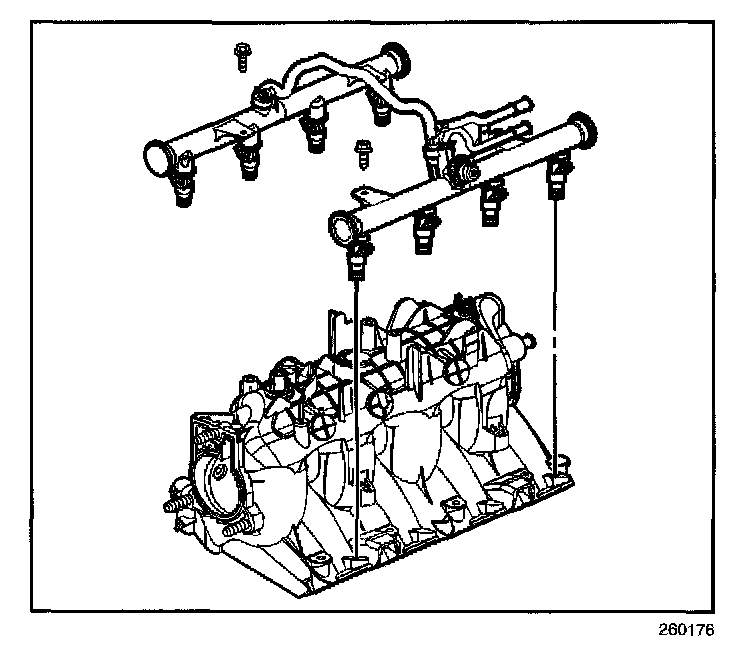
10. Install the fuel rail.
11. Apply a 5 mm (0.020 in) band of GM P/N 12345382 threadlock, or equivalent, to the threads of the fuel rail bolts.

NOTE: Refer to the Fastener Notice in Service Precautions.

12. Install the fuel rail bolts.

Tighten
12.1. Tighten the bolts to 10 N.m (89 lb in).
12.2. Tighten the screw to 3.8 N.m (34 lb in).




13. Connect the fuel pressure regulator vacuum line.
14. Connect the fuel feed and return pipes (1, 2) to the fuel rail.
15. Connect the fuel injector electrical connectors.
- Install each electrical connector onto the correct fuel injector in order to ensure correct sequential injector firing order.
- Rotate the fuel injectors as required in order to avoid stretching the wire harness.




16. Position the upper engine wire harness in place.
17. Connect the EVAP purge solenoid electrical connector.
18. Install the retainer nut to the upper engine wire harness.

Tighten
Tighten the nut to 5.5 N.m (49 lb in).

19. Use the following procedure in order to inspect for leaks:
19.1. Turn ON the ignition, with the engine OFF, for 2 seconds.
19.2. Turn OFF the ignition for 10 seconds.
19.3. Turn ON the ignition, with the engine OFF.
19.4. Inspect for fuel leaks.
20. Install the engine sight shield.