Operation CHARM: Car repair manuals for everyone.
Manuals through 2025 now available!

Our trusted friends have launched a new website named LEMON, which has newer manuals. It also contains all the CHARM manuals.

LEMON is the spiritual successor to CHARM, I recommend you try it!

Link: lemon-manuals.la or lemon-manuals.org.ua

(Some people have issue connecting. LEMON is investigating. For now, use Firefox or change your DNS server)

Or, hide this message: temporarily or permanently

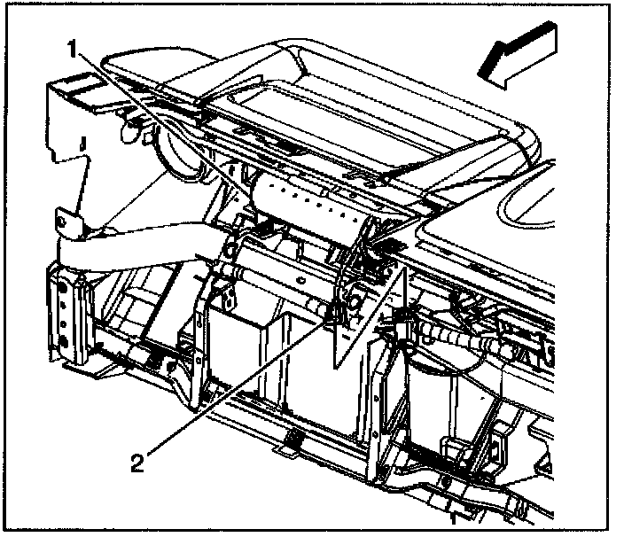
Instrument Panel Module Replacement

INFLATABLE RESTRAINT INSTRUMENT PANEL MODULE REPLACEMENT

REMOVAL PROCEDURE




1. Remove trim panel Replacement-I/P accessory right- from the I/P sub straight (1).

CAUTION:
- Refer to SIR Caution in Service Precautions.
- Refer to SIR Inflator Module Handling and Inflator Caution in Service Precautions
.

2. Disable the SIR system (2). Refer to SIR Disabling and Enabling Zones.
3. Remove the connector from the I/P.




4. Remove the inflatable restraint I/P module retaining bolts.
5. Ensure that you keep a firm hold on the I/P module.

INSTALLATION PROCEDURE




1. Install the inflatable restraint I/P module (1) to the mounting bracket through the front of the instrument panel.

NOTE: Refer to Fastener Notice in Service Precautions.

2. Install the fasteners (2) to the inflatable restraint I/P module.

Tighten
Tighten the fasteners to 10 N.m (89 lb in).

3. Enable the SIR system. Refer to SIR Disabling and Enabling Zones.
4. Install the yellow connector to the I/P.
5. Install the trim panel to the sub straight.