Operation CHARM: Car repair manuals for everyone.
Manuals through 2025 now available!

Our trusted friends have launched a new website named LEMON, which has newer manuals. It also contains all the CHARM manuals.

LEMON is the spiritual successor to CHARM, I recommend you try it!

Link: lemon-manuals.la or lemon-manuals.org.ua

(Some people have issue connecting. LEMON is investigating. For now, use Firefox or change your DNS server)

Or, hide this message: temporarily or permanently

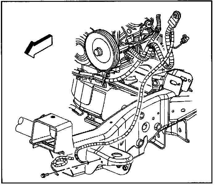
Replacement Procedure

BATTERY NEGATIVE CABLE REPLACEMENT

REMOVAL PROCEDURE

CAUTION: Refer to Battery Disconnect Caution in Service Precautions.




1. Disconnect the negative battery cable.




2. Raise and suitably support the vehicle with safety stands. Refer to Vehicle Lifting.
3. Remove the engine protection shield.
4. Remove the forward lamp wiring harness ground/negative cable bolt.
5. Remove the engine wiring harness ground/negative cable bolt.
6. Remove the negative battery cable.

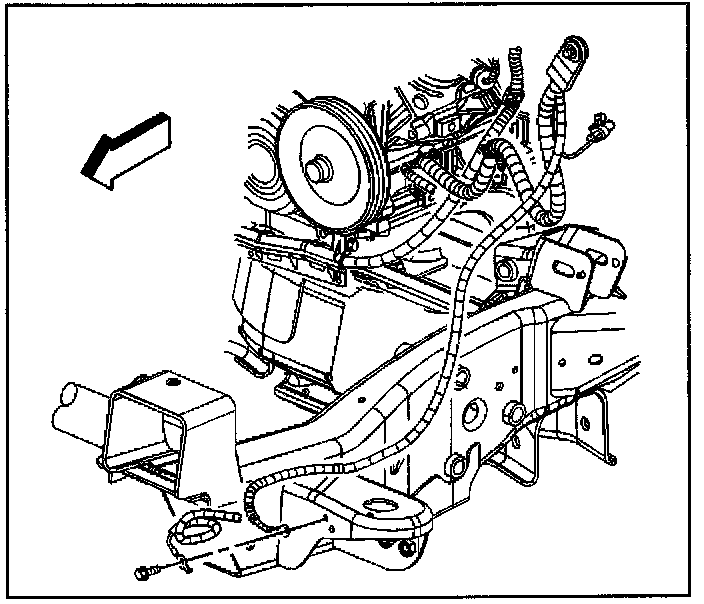
INSTALLATION PROCEDURE




1. Install the negative battery cable.
2. Position the negative cable and forward lamp wiring harness ring terminals to the frame.

Insert the anti-rotation tab on the forward lamp wiring harness into the hole in the frame.

NOTE: Refer to Fastener Notice in Service Precautions.

3. Install the forward lamp wiring harness ground/negative cable bolt.

Tighten
Tighten the forward lamp wiring harness ground/negative cable bolt to 9 N.m (80 lb in).

4. Position the negative cable and engine wiring harness ring terminals to the engine block. Position the anti-rotation tab on the negative cable in the correct location.
5. Install the engine wiring harness ground/negative cable bolt.

Tighten
Tighten the engine wiring harness ground/negative cable bolt to 25 N.m (18 lb ft).

6. Install the engine protection shield.
7. Lower the vehicle.
8. Install the negative cable clip to the positive cable clip.




9. Connect the negative battery cable.