Operation CHARM: Car repair manuals for everyone.
Manuals through 2025 now available!

Our trusted friends have launched a new website named LEMON, which has newer manuals. It also contains all the CHARM manuals.

LEMON is the spiritual successor to CHARM, I recommend you try it!

Link: lemon-manuals.la or lemon-manuals.org.ua

(Some people have issue connecting. LEMON is investigating. For now, use Firefox or change your DNS server)

Or, hide this message: temporarily or permanently

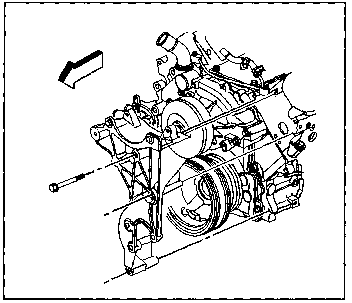
Generator Bracket Replacement

GENERATOR BRACKET REPLACEMENT

REMOVAL PROCEDURE




1. Remove the battery cable junction block bracket bolts.




2. Remove the generator.
3. Remove the power steering pump.
4. Remove the generator bracket bolts.
5. Remove the generator bracket.

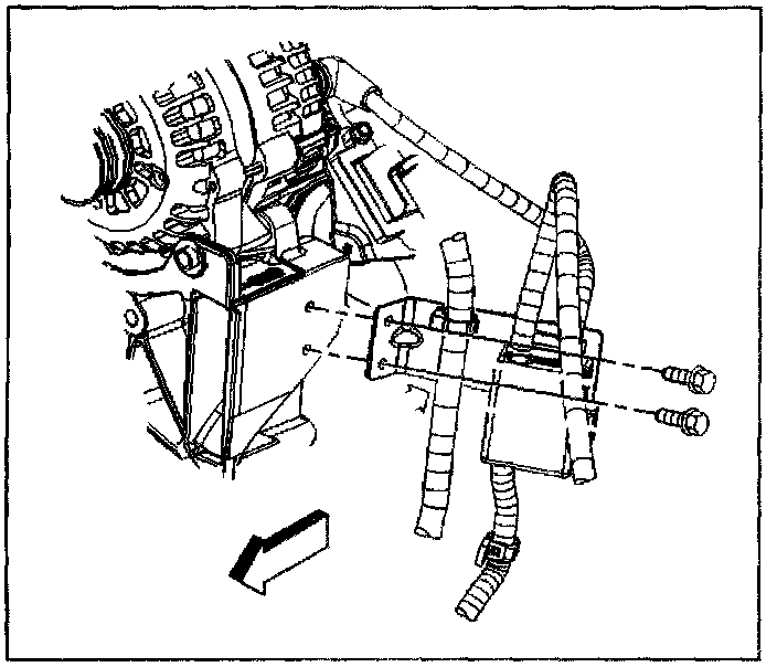
INSTALLATION PROCEDURE




1. Install the generator bracket.

NOTE: Refer to Fastener Notice in Service Precautions.

2. Install the generator bracket bolts.

Tighten
Tighten the bolts to 50 N.m (37 lb ft).

3. Install the power steering pump.
4. Install the generator.




5. Install the battery cable junction block bracket bolts.

Tighten
Tighten the bolts to 9 N.m (80 lb in).