Operation CHARM: Car repair manuals for everyone.
Manuals through 2025 now available!

Our trusted friends have launched a new website named LEMON, which has newer manuals. It also contains all the CHARM manuals.

LEMON is the spiritual successor to CHARM, I recommend you try it!

Link: lemon-manuals.la or lemon-manuals.org.ua

(Some people have issue connecting. LEMON is investigating. For now, use Firefox or change your DNS server)

Or, hide this message: temporarily or permanently

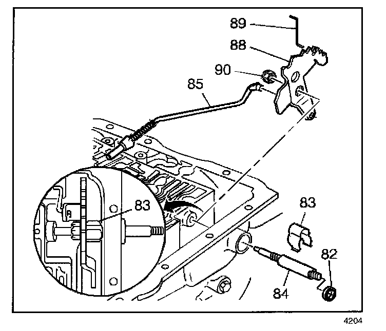
23. Inner Manual Linkage Installation

INNER MANUAL LINKAGE INSTALLATION




1. Install the parking lock bracket (86).

NOTE: Refer to Fastener Notice in Service Precautions.

2. Install the parking lock bracket bolt (87).

Tighten
Tighten the bolt to 31 N.m (23 lb ft).

3. Inspect the following items:
- The parking brake pawl (81) for damage or cracks
- The parking pawl return spring (80) for being broken or missing




4. Inspect the following items:
- The manual shaft retainer (83) for damage or cracks
- The manual shaft (84) for damage or burrs
- The parking lock actuator assembly (85) for damage
- The inside detent lever (88) for damage or cracks
- The manual valve link (89) for damage
- The hex head nut (90) for damage or stripped threads
5. Install the following items:
- The inside detent lever (88)
- The parking lock actuator assembly (85)
- The manual shaft (84) (model dependent)
- The manual shaft retainer (83)
- The hex head nut (90)
- The manual valve link (89)

Tighten
Tighten the nut to 31 N.m (23 lb ft).