Operation CHARM: Car repair manuals for everyone.
Manuals through 2025 now available!

Our trusted friends have launched a new website named LEMON, which has newer manuals. It also contains all the CHARM manuals.

LEMON is the spiritual successor to CHARM, I recommend you try it!

Link: lemon-manuals.la or lemon-manuals.org.ua

(Some people have issue connecting. LEMON is investigating. For now, use Firefox or change your DNS server)

Or, hide this message: temporarily or permanently

75. 1-2 Accumulator Installation

1-2 ACCUMULATOR INSTALLATION

TOOLS REQUIRED
- J 25025-5 Dial Indicator Mounting Post M6
- J 36850 Transjel Lubricant




1. Inspect the valve body spacer plate and the solenoid screens (49, 50) for damage or debris. Replace the solenoid screens (49, 50) if necessary.




2. Install the #1 checkball into the case.




3. Install the J 25025-5 into the case.
4. Place the spacer plate to case gasket (47) (identified by a "C") and the spacer plate to valve body gasket (52) (identified by a "V") on the spacer plate (48). Retain gaskets on the spacer plate with J 36850 or equivalent.
5. Place the spacer and the spacer plate gaskets on the case.




6. Install the spacer plate support plate (53).
7. Install the spacer plate support bolts (77).




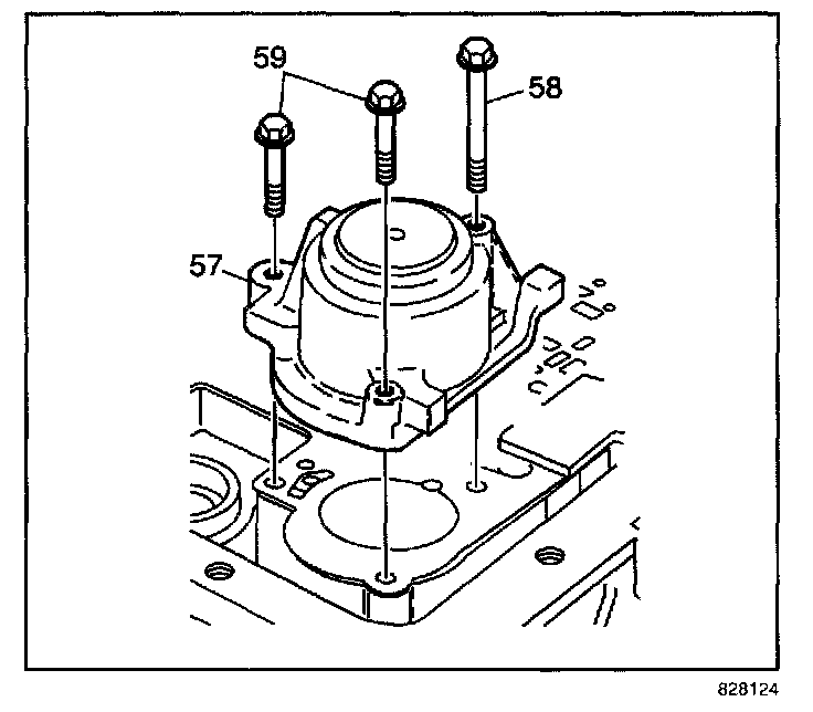
8. Install the 1-2 accumulator housing assembly (57).

NOTE: Refer to Fastener Notice in Service Precautions.

9. Install the 1-2 accumulator housing bolts (58, 59).

Tighten
Tighten the bolts to 11 N.m (8 lb ft).